SCHEMA FUNZIONALE

PLC, servomotori, inverter...robot

Moderatori: Foto Utentedimaios, Foto Utentecarlomariamanenti

Avatar utente
Foto UtenteCandy
32,5k 7 10 13
CRU - Account cancellato su Richiesta utente
Messaggi: 10123
Iscritto il: 14 giu 2010, 22:54
0
voti

[11] Re: SCHEMA FUNZIONALE

Messaggioda Foto UtenteCandy » 5 mar 2011, 18:28

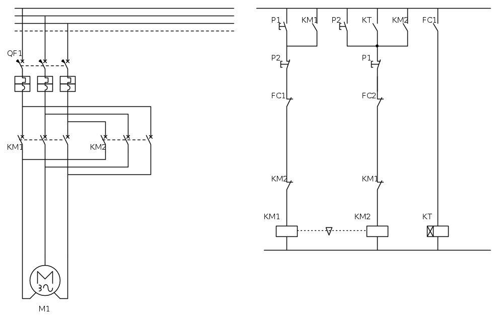
LA motivazione è doppia: elettrica e logica.
- Elettrica: quando KM2 si eccita, FC2 negato realizza un bel corto tra i due poli di alimentazione;
- Logica: FC2 negato in quel punto non ha alcun senso. Non è figlio di nessuna equazione: un operazione senza risultato.

Avatar utente
Foto Utenteg.schgor
57,8k 9 12 13
G.Master EY
G.Master EY
Messaggi: 16971
Iscritto il: 25 ott 2005, 9:58
Località: MILANO
Contatta:
0
voti

[12] Re: SCHEMA FUNZIONALE

Messaggioda Foto Utenteg.schgor » 5 mar 2011, 18:31

Nel modo come l'hai disegnato, fai un cortocircuito !
Poi non vedo l'alternativa di chiusura col pulsante P2
(c'è solo l'arresto dell'apertura).

Avatar utente
Foto Utenteluk79
31 3 6
Frequentatore
Frequentatore
Messaggi: 232
Iscritto il: 9 nov 2010, 14:58
Località: Milano
Contatta:
0
voti

[13] Re: SCHEMA FUNZIONALE

Messaggioda Foto Utenteluk79 » 5 mar 2011, 18:50

GIA',AVETE RAGIONE,FC2 va A CREARE UN CORTO QUANDO IL CONTATTO KM2 SI CHIUDE,SE CI FOSSERO PROTEZIONI A MONTE DEL CIRCUITO SCATTEREBBERO!!!!POI MANCA ANCHE IL PULSANTE P2 CHE DEVE ANCHE ESSERE IN GRADO DI CHUDERE LA BASCULANTE!!!!PROBABILMENTE IL PULSANTE P2 ANDREBBE MESSO IN SERIE DOPO IL CONTATTO KT,GIUSTO?

Avatar utente
Foto Utenteg.schgor
57,8k 9 12 13
G.Master EY
G.Master EY
Messaggi: 16971
Iscritto il: 25 ott 2005, 9:58
Località: MILANO
Contatta:
0
voti

[14] Re: SCHEMA FUNZIONALE

Messaggioda Foto Utenteg.schgor » 6 mar 2011, 7:54

luk79 ha scritto:PROBABILMENTE IL PULSANTE P2 ANDREBBE MESSO IN SERIE DOPO IL CONTATTO KT,GIUSTO?

No, pensa: "KT o P2".

Avatar utente
Foto UtenteCandy
32,5k 7 10 13
CRU - Account cancellato su Richiesta utente
Messaggi: 10123
Iscritto il: 14 giu 2010, 22:54
0
voti

[15] Re: SCHEMA FUNZIONALE

Messaggioda Foto UtenteCandy » 6 mar 2011, 8:12

Questo schema risponde un poco eglio alla logica da te proposta. E' però solo lo schema della parte ausiliaria, andrebbe completato meglio, con tutta la circuiteria.

Nota che ha almeno un difetto, non bellissimo: l'inversione di marcia del motore è immediata, si arresta un senso di marca ed immediatamente a motore in corsa, si attiva la direzione oposta. Non è il massimo, anche se è ancora parecchio usato.

Avatar utente
Foto UtenteCandy
32,5k 7 10 13
CRU - Account cancellato su Richiesta utente
Messaggi: 10123
Iscritto il: 14 giu 2010, 22:54
0
voti

[16] Re: SCHEMA FUNZIONALE

Messaggioda Foto UtenteCandy » 6 mar 2011, 8:21

Ora lo schema è più completo, nel contesto del problema posto, ma ancora molto scarso di informazioni, anzi, del tutto assenti, e mancano la formazione delle tensioni ausiliarie.

Avatar utente
Foto UtenteCandy
32,5k 7 10 13
CRU - Account cancellato su Richiesta utente
Messaggi: 10123
Iscritto il: 14 giu 2010, 22:54
0
voti

[17] Re: SCHEMA FUNZIONALE

Messaggioda Foto UtenteCandy » 6 mar 2011, 9:00

Ora lo schema è più presentabile. Ho voluto fare tutti i passaggi per farti osserva anche le differenze.
Si può certo andare oltre, anche se per uso didattico è accettabile. Diversamente lasciamo che contribuiscano anche altri.


P.S. Chiedo scisa per la qualità orrenda, ma fidocadj si presta poco come CAD.

Avatar utente
Foto UtenteDarwinNE
31,0k 7 11 13
G.Master EY
G.Master EY
Messaggi: 4422
Iscritto il: 18 apr 2010, 9:32
Località: Grenoble - France
Contatta:
0
voti

[18] Re: SCHEMA FUNZIONALE

Messaggioda Foto UtenteDarwinNE » 6 mar 2011, 14:57

candy ha scritto:P.S. Chiedo scisa per la qualità orrenda, ma fidocadj si presta poco come CAD.


A proposito di elettrotecnica, avete provato la nuova libreria di elettrotecnica che mi ha mandato Maurizio Mileto pochi giorni fa?

http://davbucci.chez-alice.fr/index.php ... e=Italiano

Non sono del campo, ma mi pare un lavoro eccellente :ok:
Follow me on Mastodon: @davbucci@mastodon.sdf.org

Avatar utente
Foto Utenteluk79
31 3 6
Frequentatore
Frequentatore
Messaggi: 232
Iscritto il: 9 nov 2010, 14:58
Località: Milano
Contatta:
0
voti

[19] Re: SCHEMA FUNZIONALE

Messaggioda Foto Utenteluk79 » 6 mar 2011, 15:09

nell'ultimo esercizio che abbiamo visto in classe era presente lo schema funzionale(disegno n.1 ), lo schema di potenza(disegno n.2)),mentre lo schema complessivo che hai fatto(disegno n.3),ancora non l'abbiamo fatto!!!
prima di proseguire e' meglio che mi tolgo un grosso dubbio:
in uno schema funzionale le azioni che avvengono nella realta' vengono rappresentate in sequenza da sinistra verso destra o possono anche essere sfalzate?
grazie per il lavoro che hai fatto,veramente ottimo!! :ok:

Avatar utente
Foto UtenteCandy
32,5k 7 10 13
CRU - Account cancellato su Richiesta utente
Messaggi: 10123
Iscritto il: 14 giu 2010, 22:54
0
voti

[20] Re: SCHEMA FUNZIONALE

Messaggioda Foto UtenteCandy » 6 mar 2011, 18:10

Lo schema funzionale non è un diagramma temporale, come può essere un flow-chart od un graphcet. Lo chema funzionale rappresenta l'intero circuito elettrico dell'automatismo.

Si scrive e legge da destra verso sinistra e dall'alto vero il basso unicamente come standard grafico; ma non tiene conto delle sequenza temporali.


Torna a “Automazione industriale ed azionamenti”