salve a tutti, avrei bisogno del vostro aiuto per realizzare lo schema funzionale del seguente testo (comando manuale ed automatico dell'inversione di marcia di un M.A.T); programmabile in step 5.
devo rispettare i seguenti punti
A) ciclo automatico
1) partenza manuale del nastro verso il punto di scarico del pezzo posto su di una paletta, ferma al punto di carico e rilevata dal finecorsa relativo; contemporaneo caricamento del valore di conteggio da assegnare al contatore, precedentemente registrato in blocco DB 2 in ragione di 5 e assegnato alla parola DW 0
2) arresto del nastro quando la paletta raggiunge il finecorsa relativo allo scarico del pezzo posto sulla paletta
3) scarico del pezzo dalla paletta, a mezzo azionamento dello stelo del cilindro in uscita
4) raggiunta la posizione di tutto fuori dello stelo, rientro dopo 10 secondi dello stesso sino alla posizione di tutto dentro dello stelo; a questo punto il nastro riparte in senso inverso, per arrestarsi quando la paletta raggiungerà il finecorsa del punto di carico; ripristino automatico del ciclo dal punto 1 sino al completamento di 5 giri; il tempo di 10 secondi è stato precedentemente assegnato alla parola dati DW 1, appartenente al blocco dati DB 2.
B) Ciclo manuale
Le varie fasi son identiche a quelle del punto A), con la differenza che i comandi del motore e dell'elettrovalvola i un verso o nell'altro sono manuali, viene eseguito un solo ciclo e non viene attivata la sosta per 10 secondi.
VARIE
- la scelta del ciclo manuale o automatico va attivato agendo sul selettore relativo,
- l'arresto per emergenza sia predisposto di categoria 0,
- le varie fasi del ciclo devono essere segnalate,
- le varie fasi del ciclo non devono presentare funzionamenti intempestivi,
- il ciclo può essere interrotto in ogni fase,
- i circuiti elettrici devono essere protetti dai sovraccarichi e cortocircuiti,
- si richiede che l'impianto rispetti le norme CEI e le norme di sicurezza,
- è ammesso l'uso del programma di simulazione S7-PLCSIM.
grazie mille per le eventuali risposte,
Arrivederci
Richiesta Schema PLC - Nastro Trasportatore
Moderatori:
dimaios,
carlomariamanenti
-
g.schgor
57,8k 9 12 13 - G.Master EY

- Messaggi: 16971
- Iscritto il: 25 ott 2005, 9:58
- Località: MILANO
- Contatta:
0
voti
[2] Re: Richiesta Schema PLC - Nastro Trasportatore
Vorrei fare un'osservazione "metodologica" al problema posto:
la prima cosa da fare in un progetto di PLC e' l'esatto elenco degli I/O,
con nome e funzione di ciascuno, altrimenti tutto resta nel vago.
Sei in grado di prepararlo?
la prima cosa da fare in un progetto di PLC e' l'esatto elenco degli I/O,
con nome e funzione di ciascuno, altrimenti tutto resta nel vago.
Sei in grado di prepararlo?
0
voti
[3] Re: Richiesta Schema PLC - Nastro Trasportatore
intanto grazie per la pronta risposta,
se intende la lista attribuzioni ecco a lei:
E 0.0 - SA0 man - SELETTORE MANUALE
E 0.1 - SA0 aut - SELETTORE AUTOMATICO
E 0.2 - FR1 - CONTATTO RELè TERMICO
E 0.3 - SB0 - PULSANTE DI ARRESTO
E 0.4 - SB1 - MARCIA AVANTI MAN/AUT
E 0.5 - SB2 - MARCIA INDIETRO MANUALE
E 0.6 - SB3 - USCITA STELO PISTONE MANUALE
E 0.7 - SB4 - RIENTRO STELO PISTONE MANUALE
E 1.0 - SQ5 - FINECORSA AVANTI
E 1.1 - SQ6 - FINECORSA INDIETRO
E 1.2 - SQ7 - FINECORSA STELO PISTONE FUORI
E 1.3 - SQ8 - FINECORSA STELO PISTONE DENTRO
E 1.4 - KMSna - CONTATTO APERTO TELERUTTORE EMERGENZA
E 1.5 - KM1na - CONTATTO APERTO TELERUTTORE AVANTI
E 1.6 - KM2na - CONTATTO APERTO TELERUTTORE INDIETRO
A 2.0 - KM1 - MOTORE AVANTI
A 2.1 - KM2 - MOTORE INDIETRO
A 2.2 - YV+ - ELETTROVALVOLA USCITA STELO PISTONE
A 2.3 - YV- - ELETTROVALVOLA RIENTRO STELO PISTONE
A 2.5 - HL1 - SEGNALAZIONE INTERVENTO RELè TERMICO
A 2.6 - HL2 - SEGNALAZIONE EMERGENZA
A 2.7 - HL3 - SEGNALAZIONE SISTEMA FERMO
A 3.0 - HL4 - SEGNALAZIONE MARCIA AVNTI
A 3.1 - HL5 - SEGNALAZIONE MARCIA INDIETRO
A 3.2 - HL6 - SEGNALAZIONE STELO PISTONE TUTTO DENTRO
A 3.3 - HL7 - SEGNALAZIONE STELO PISTONE TUTTO FUORI
spero di averle risposto correttamente a ciò che mi ha chiesto
Grazie
se intende la lista attribuzioni ecco a lei:
E 0.0 - SA0 man - SELETTORE MANUALE
E 0.1 - SA0 aut - SELETTORE AUTOMATICO
E 0.2 - FR1 - CONTATTO RELè TERMICO
E 0.3 - SB0 - PULSANTE DI ARRESTO
E 0.4 - SB1 - MARCIA AVANTI MAN/AUT
E 0.5 - SB2 - MARCIA INDIETRO MANUALE
E 0.6 - SB3 - USCITA STELO PISTONE MANUALE
E 0.7 - SB4 - RIENTRO STELO PISTONE MANUALE
E 1.0 - SQ5 - FINECORSA AVANTI
E 1.1 - SQ6 - FINECORSA INDIETRO
E 1.2 - SQ7 - FINECORSA STELO PISTONE FUORI
E 1.3 - SQ8 - FINECORSA STELO PISTONE DENTRO
E 1.4 - KMSna - CONTATTO APERTO TELERUTTORE EMERGENZA
E 1.5 - KM1na - CONTATTO APERTO TELERUTTORE AVANTI
E 1.6 - KM2na - CONTATTO APERTO TELERUTTORE INDIETRO
A 2.0 - KM1 - MOTORE AVANTI
A 2.1 - KM2 - MOTORE INDIETRO
A 2.2 - YV+ - ELETTROVALVOLA USCITA STELO PISTONE
A 2.3 - YV- - ELETTROVALVOLA RIENTRO STELO PISTONE
A 2.5 - HL1 - SEGNALAZIONE INTERVENTO RELè TERMICO
A 2.6 - HL2 - SEGNALAZIONE EMERGENZA
A 2.7 - HL3 - SEGNALAZIONE SISTEMA FERMO
A 3.0 - HL4 - SEGNALAZIONE MARCIA AVNTI
A 3.1 - HL5 - SEGNALAZIONE MARCIA INDIETRO
A 3.2 - HL6 - SEGNALAZIONE STELO PISTONE TUTTO DENTRO
A 3.3 - HL7 - SEGNALAZIONE STELO PISTONE TUTTO FUORI
spero di averle risposto correttamente a ciò che mi ha chiesto
Grazie
-
g.schgor
57,8k 9 12 13 - G.Master EY

- Messaggi: 16971
- Iscritto il: 25 ott 2005, 9:58
- Località: MILANO
- Contatta:
0
voti
[6] Re: Richiesta Schema PLC - Nastro Trasportatore
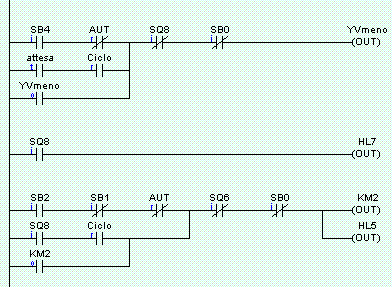
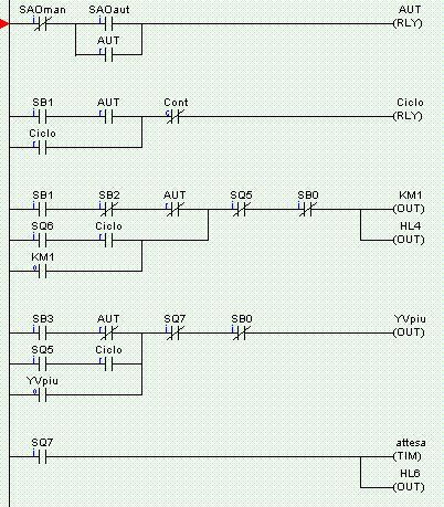
Ecco un possibile schema dell'automatismo richiesto:
Lo schema riguarda le sequenze manuali ed automatiche,
ma non comprende le sicurezze e nemmeno il conteggio per
la ripetizione di 5 volte dell'intera sequenza.
(si veda il comando cont nel circuito "Ciclo" che
dovrebbe aprirsi alla fine di queste ripetizioni).
Spero che il tutto sia chiaro (avendo utilizzato le stesse
sigle indicate).
Lo schema riguarda le sequenze manuali ed automatiche,
ma non comprende le sicurezze e nemmeno il conteggio per
la ripetizione di 5 volte dell'intera sequenza.
(si veda il comando cont nel circuito "Ciclo" che
dovrebbe aprirsi alla fine di queste ripetizioni).
Spero che il tutto sia chiaro (avendo utilizzato le stesse
sigle indicate).

Elettrotecnica e non solo (admin)
Un gatto tra gli elettroni (IsidoroKZ)
Esperienza e simulazioni (g.schgor)
Moleskine di un idraulico (RenzoDF)
Il Blog di ElectroYou (webmaster)
Idee microcontrollate (TardoFreak)
PICcoli grandi PICMicro (Paolino)
Il blog elettrico di carloc (carloc)
DirtEYblooog (dirtydeeds)
Di tutto... un po' (jordan20)
AK47 (lillo)
Esperienze elettroniche (marco438)
Telecomunicazioni musicali (clavicordo)
Automazione ed Elettronica (gustavo)
Direttive per la sicurezza (ErnestoCappelletti)
EYnfo dall'Alaska (mir)
Apriamo il quadro! (attilio)
H7-25 (asdf)
Passione Elettrica (massimob)
Elettroni a spasso (guidob)
Bloguerra (guerra)
