consiglio comando parallelo valvole

PLC, servomotori, inverter...robot

Moderatori: Foto Utentedimaios, Foto Utentecarlomariamanenti

Avatar utente
Foto UtenteWhoishere
0 4
Messaggi: 34
Iscritto il: 30 apr 2009, 16:34
0
voti

[1] consiglio comando parallelo valvole

Messaggioda Foto UtenteWhoishere » 1 mag 2009, 11:22

ciao a tutti,
novizio e in cerca di suggerimenti e delucidazioni.
Problema: impiantino con quadro a bordo macchina dedicato per comando valvole (attuatore 24 V). Mi è stato chiesto (giustamente) di pensare una soluzione di risparmio evitando il quadretto di comando locale (non ho visto ancora come è fatto ma suppongo ci sia un microPLC o comunque un controllore locale che mi comanda le valvole a seconda di un segnale inviato da PLC "master" che segnala il processo da svolgere e, quindi, le valvole da aprire in sostanza) e delegare il controllo al PLC "master". per un risparmio efficace si è pensato di "legare" all'uscita digitale del PLC principale o "master" il comando simultaneo delle valvole interessate e mi è stato vociferato un array di diodi per il comando.
in soldoni: processo 1 --> uscita Digitale PLC --> chiusura contatto relè --> alimentazione 24 V valvole interessate in parallelo
domanda: esistono array diodi (non ne ho mai sentito parlare) di numero uguale a tutte le valvole di impianto che, in funzione dell'uscita PLC, tramite ponticelli, porti 24 V parallelamente a più valvole? se si come si può progettare? cioè, uscita Dgt PLC aziona relè, uscita comune al fatidico array di diodi e ponticellare il segnale sui diodi che interesseranno le valvole coinvolte? possibile possa essere così?
spero di essere stato chiaro anche se ho dei dubbi e sarei felice di sentire pareri, consigli o correzioni.
Grazie

Avatar utente
Foto Utenteg.schgor
57,8k 9 12 13
G.Master EY
G.Master EY
Messaggi: 16971
Iscritto il: 25 ott 2005, 9:58
Località: MILANO
Contatta:
0
voti

[2] Re: consiglio comando parallelo valvole

Messaggioda Foto Utenteg.schgor » 1 mag 2009, 11:31

Credo di capire che il tuo problema consista nel "parallelo" dei comandi
delle elettrovalvole (cioe' se hai il comando da PLC e vuoi fare un comando diretto,
non puoi mettere semplicemente in parallelo i comandi se non metti dei diodi
di disaccoppiamento, se no metteresti in corto le uscite del PLC).
E' cosi' ?

Avatar utente
Foto UtenteWhoishere
0 4
Messaggi: 34
Iscritto il: 30 apr 2009, 16:34
0
voti

[3] Re: consiglio comando parallelo valvole

Messaggioda Foto UtenteWhoishere » 1 mag 2009, 11:49

esatto!
però ho idee un po' confuse a riguardo e per questo ho puntato nel chiedere consigli.
intanto non mi è ancora chiaro l'isolamento con diodi di accoppiamento, il fatto deriva che mi è sembrato esistessero questi moduli (se non dico stupidaggini optoisolati) che fungerebbero da array di diodi e al mio unico comando digitale, tramite ponticelli attiverebbero le n valvole che il comando stesso presume di comandare. insommma pensavo di eccitare tramite uscita digitale un relè che quindi portasse la 24 V su più elementi dell'array in corrispondenza di ogni elemento dell'array una valvola. come sempre non vorrei aver detto castronerie ma fino a ieri ho solo programmato e controllato processi ma in elettrica sono ancora acerbo! conosci in linea generale se esistono moduli capaci di fare ciò (questi famelici array di diodi) e come si potrebbe fare?
grazie 1000

Avatar utente
Foto UtenteIvan_Iamoni
5.336 6 10 12
Utente disattivato per decisione dell'amministrazione proprietaria del sito
Messaggi: 2330
Iscritto il: 22 ott 2006, 18:45
0
voti

[4] Re: consiglio comando parallelo valvole

Messaggioda Foto UtenteIvan_Iamoni » 1 mag 2009, 15:07

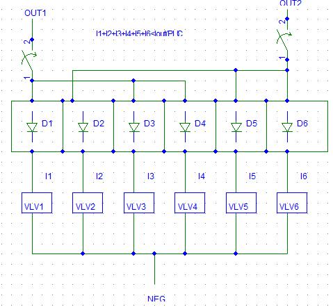
I diodi di disaccoppiamento si usano quando le valvole A , B e C devono attivarsi insieme dietro comando di un uscita , mente un'altra uscita può comandare solo B e C ad come nell'esempio qui di seguito dove al posto delle valvole ho usato dei relè.
Attenzione che però i comuni delle schede di uscite ed i comuni negativi o gli zero volt dei due apparati devono essere interconnessi tra loro.
E soprattutto verifica che la corrente massima sopportata dalle uscite del PLC sia superiore a quella richesta dal parallelo delle valvole.

Immagine
Immagine

Questi moduli si possono usare anche per il multiplexaggio degli ingressi.

Nel caso in cui la natura dei quadri non consenta l'interconnessione dei comuni , si può ovviare con relais di interfacciamento.

Ivan

Avatar utente
Foto UtenteWhoishere
0 4
Messaggi: 34
Iscritto il: 30 apr 2009, 16:34
0
voti

[5] Re: consiglio comando parallelo valvole

Messaggioda Foto UtenteWhoishere » 2 mag 2009, 10:28

Grazie veramente,
immaginavo foste professionali e lo avete dimostrato.
Infatti, in definitiva il componente multiplexer mi permetterebbe di collegare l'uscita PLC agli "elementi" di ingresso del modulo stesso e al quale sono collegate le mie valvole/utenze in campo. il ritorno dei comuni negativi tornano in scheda, le celle del multiplexer sono a diodi per evitare il ritorno in scheda e quindi qualche CC. se proprio proprio potrei portare l'uscita PLC a relè che poi chiuderà il contatto di ingresso al multiplexer. leggerò il datasheet del componente ma penso possa "accettare" ingressi ponticellati, cioè il modulo supporterà che all'ingresso 1 ci sia uscita 1 del PLC ma che l'uscita 1 del pLC arrivi anche all'ingresso 2, ponticellando gli ingressi appunto e comandando con una uscita 2 valvole. poi valutare il carico di corrente di tutte le uscite del multiplexer e verificare che la scheda di OUt del PLC supporti suddetto carico.
sono veramente compiaciuto della vostra professionalità e vi ringrazio nuovamente sperando che possa contribuire anche io a chiarire a qualcuno qualche problemino o perlomeno a suggerire dalla mia esperienza.

Daniele
arrayDiodi.jpg
arrayDiodi.jpg (35.67 KiB) Visto 1106 volte


Torna a “Automazione industriale ed azionamenti”