Progetto PWM SG3525A 100 kHz per Inverter DC/AC 12/230
Moderatori:
carloc,
g.schgor,
BrunoValente,
IsidoroKZ
0
voti
Ciao
EcoTan,
questo nucleo FeSiAl saturerebbe ai 1000 mT ( teorici ).
Con 0,5 App a 120KHz, dovrei stare sui 40mT
Con 1App 80 mT...
Con 2App 160 mT...
Se non ho dimenticato qualcosa nei calcoli e se sono corretti dovrei stare molto sotto margine di saturazione dei 1000 mT....... almeno spero.
questo nucleo FeSiAl saturerebbe ai 1000 mT ( teorici ).
Con 0,5 App a 120KHz, dovrei stare sui 40mT
Con 1App 80 mT...
Con 2App 160 mT...
Se non ho dimenticato qualcosa nei calcoli e se sono corretti dovrei stare molto sotto margine di saturazione dei 1000 mT....... almeno spero.
-

Superfelix
180 2 8 - Stabilizzato

- Messaggi: 342
- Iscritto il: 7 dic 2024, 23:34
1
voti
Non è che ricordo tutto. Parliamo di una induttanza di filtro posta a valle di un raddrizzamento, cioè percorsa da una corrente di carico continua con una componente alternata sovrapposta? In tal caso non conta la corrente picco-picco, quello che conta agli effetti della saturazione è proprio il picco.
1
voti
Per fare una verifica mi serve il data sheet del nucleo.
Domani me ne vado una settimana in vacanza in Toscana, potro` leggere ma scrivere poco
Domani me ne vado una settimana in vacanza in Toscana, potro` leggere ma scrivere poco
Per usare proficuamente un simulatore, bisogna sapere molta più elettronica di lui
Plug it in - it works better!
Il 555 sta all'elettronica come Arduino all'informatica! (entrambi loro malgrado)
Se volete risposte rispondete a tutte le mie domande
Plug it in - it works better!
Il 555 sta all'elettronica come Arduino all'informatica! (entrambi loro malgrado)
Se volete risposte rispondete a tutte le mie domande
0
voti
Ciao
EcoTan,
ci mancherebe che dovessi ricordare tutto, la discussione va avanti per diverse pagine e ha degli stop per diversi motivi, non ultima la disponibilità di alcuni materiali. Ultimamente stavo aspettando questi nuclei, quindi è ripresa ora.
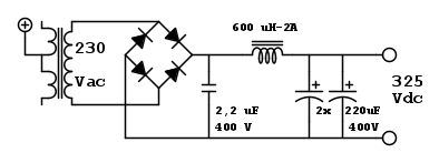
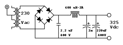
Ripropongo parte di schema di uscita per rinfrescare un po' le idee sull'induttore.
Praticamente, la frequenza di uscita dal trafo è di 60 kHz, dopo il raddrizzamento a doppia semionda positiva, il ripple visto è di 120KHz. L'uscita di questo primo blocco del progetto è di 325 Vdc da cui dovrebbe essere ripulito il ripple di 120KHz dal filtro LC.
ci mancherebe che dovessi ricordare tutto, la discussione va avanti per diverse pagine e ha degli stop per diversi motivi, non ultima la disponibilità di alcuni materiali. Ultimamente stavo aspettando questi nuclei, quindi è ripresa ora.
Ripropongo parte di schema di uscita per rinfrescare un po' le idee sull'induttore.
Praticamente, la frequenza di uscita dal trafo è di 60 kHz, dopo il raddrizzamento a doppia semionda positiva, il ripple visto è di 120KHz. L'uscita di questo primo blocco del progetto è di 325 Vdc da cui dovrebbe essere ripulito il ripple di 120KHz dal filtro LC.
-

Superfelix
180 2 8 - Stabilizzato

- Messaggi: 342
- Iscritto il: 7 dic 2024, 23:34
0
voti
Per fare una verifica mi serve il data sheet del nucleo.
Buongiorno,
il nucleo è dichiarato AL 51 ma siccome è di provenienza orientale, ho voluto fare la prova con ponte LCR e numero di spire note per derivarlo. Il valore che ne consegue dal test però mi sembra un po' ottimistico, così avrei riconsiderato il numero di spire in base ai dati del costruttore e mi vengono 108 spire.
Il fatto che mi esce AL 68,8 potrebbe essere per un discorso di verniciatura/spessore del toroide? Un errore dell'LCR? Oppure la mezza spira di partenza e la mezza spira di fine avvolgimento creano variazioni da inserire in formula ( io ho contato solo spire complete... ovvero 20 ). Essendo poche spire, magari quelle mezze di inizio/fine influenzano il risultato finale?
La permeabilità sarebbe medio-bassa, dovrebbe essere decente come filtro di potenza DC.
Lascio foto caratteristiche del nucleo.
-

Superfelix
180 2 8 - Stabilizzato

- Messaggi: 342
- Iscritto il: 7 dic 2024, 23:34
0
voti
Facendo una verifica a spanne, anche a me torna. Al ti viene alto perché lo hai misurato a basso livello. Dove dice che satura a 1 Tesla (plausibile)?
0
voti
Era scritto nella descrizione... anche se non ci metterei la mano sul fuoco con questi prodotti, magari è meno, però così c'è scritto. Anche in giro ho letto che con FeSiAl si dovrebbero avere quelle caratteristiche.
Ho misurato a 100 kHz.
Cosa ti torna AL 51 oppure 68.8?
Delle mezze spire inizio/fine? come devono essere considerate nella formula?
Su 100-200 spire penso inizio/fine sia tollerabile ma solo su 20 spire e, considerando che, la formula è quadratica, anche quelle mezze spire potrebbero inficiare il calcolo...
Ho misurato a 100 kHz.
Cosa ti torna AL 51 oppure 68.8?
Delle mezze spire inizio/fine? come devono essere considerate nella formula?
Su 100-200 spire penso inizio/fine sia tollerabile ma solo su 20 spire e, considerando che, la formula è quadratica, anche quelle mezze spire potrebbero inficiare il calcolo...
-

Superfelix
180 2 8 - Stabilizzato

- Messaggi: 342
- Iscritto il: 7 dic 2024, 23:34
0
voti
Già... credo che il risultato reale si abbia corretto ad induttore finito.
Stavo cercando di capire il discorso delle spire. Sembra che debbano essere conteggiate solo quelle che attraversano il foro, quindi il 20 in questo calcolo sarebbe corretto. Può anche darsi che qualche leggera differenza di mix nelle polveri, faccia si che esca fuori un AL 68. Per misurare al meglio con LCR ho letto di twistare i 4 cavi e distenderli poi ripetere misura a 10 e 100KHz, se la tolleranze resta dentro il 10% la misurazione dovrebbe essere corretta...
Stavo cercando di capire il discorso delle spire. Sembra che debbano essere conteggiate solo quelle che attraversano il foro, quindi il 20 in questo calcolo sarebbe corretto. Può anche darsi che qualche leggera differenza di mix nelle polveri, faccia si che esca fuori un AL 68. Per misurare al meglio con LCR ho letto di twistare i 4 cavi e distenderli poi ripetere misura a 10 e 100KHz, se la tolleranze resta dentro il 10% la misurazione dovrebbe essere corretta...
-

Superfelix
180 2 8 - Stabilizzato

- Messaggi: 342
- Iscritto il: 7 dic 2024, 23:34
Chi c’è in linea
Visitano il forum: Nessuno e 43 ospiti

Elettrotecnica e non solo (admin)
Un gatto tra gli elettroni (IsidoroKZ)
Esperienza e simulazioni (g.schgor)
Moleskine di un idraulico (RenzoDF)
Il Blog di ElectroYou (webmaster)
Idee microcontrollate (TardoFreak)
PICcoli grandi PICMicro (Paolino)
Il blog elettrico di carloc (carloc)
DirtEYblooog (dirtydeeds)
Di tutto... un po' (jordan20)
AK47 (lillo)
Esperienze elettroniche (marco438)
Telecomunicazioni musicali (clavicordo)
Automazione ed Elettronica (gustavo)
Direttive per la sicurezza (ErnestoCappelletti)
EYnfo dall'Alaska (mir)
Apriamo il quadro! (attilio)
H7-25 (asdf)
Passione Elettrica (massimob)
Elettroni a spasso (guidob)
Bloguerra (guerra)



