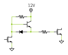
Devo pilotare dei mosfet di tipo N con un segnale PWM.
La sorgente del PWM è un'uscita open-drain capace di affondare (sink
Mi sembra opportuno metterci un buffer con ingresso a trigger di schmitt, in modo da avere una commutazione rapida pur con un pull-up non eccessivamente vorace di corrente.
La domanda che si pone ora è se aggiungere un gate driver o meno all'uscita del trigger di schmitt.
I mosfet che pensavo di usare sono questi: IRLML6344
Il buffer con trigger di schmitt è un elemento di un SN74HCS365
Il mosfet commuta carichi da 500 mA @ 12 V cadauno.
L'open-drain posso "tirarlo sú" a 3.3V, 5V o 12V.
Cosa pensate?
Volevo simulare il tutto con LTspice, ma il modello che ho scaricato da TI dà errori (possibilissimo che sia colpa mia, non sono un esperto di simulatori).
Boiler

Elettrotecnica e non solo (admin)
Un gatto tra gli elettroni (IsidoroKZ)
Esperienza e simulazioni (g.schgor)
Moleskine di un idraulico (RenzoDF)
Il Blog di ElectroYou (webmaster)
Idee microcontrollate (TardoFreak)
PICcoli grandi PICMicro (Paolino)
Il blog elettrico di carloc (carloc)
DirtEYblooog (dirtydeeds)
Di tutto... un po' (jordan20)
AK47 (lillo)
Esperienze elettroniche (marco438)
Telecomunicazioni musicali (clavicordo)
Automazione ed Elettronica (gustavo)
Direttive per la sicurezza (ErnestoCappelletti)
EYnfo dall'Alaska (mir)
Apriamo il quadro! (attilio)
H7-25 (asdf)
Passione Elettrica (massimob)
Elettroni a spasso (guidob)
Bloguerra (guerra)








