Cos'è ElectroYou | Login Iscriviti

ElectroYou - la comunità dei professionisti del mondo elettrico

Gate-driver sì, gate-driver no? Questo è il dilemma

Elettronica lineare e digitale: didattica ed applicazioni

Moderatori: Foto Utentecarloc, Foto Utenteg.schgor, Foto UtenteBrunoValente, Foto UtenteIsidoroKZ

0
voti

[1] Gate-driver sì, gate-driver no? Questo è il dilemma

Messaggioda Foto Utenteboiler » 19 ott 2025, 19:06

Ciao a tutti

Devo pilotare dei mosfet di tipo N con un segnale PWM.
La sorgente del PWM è un'uscita open-drain capace di affondare (sink :mrgreen: ) 50 mA (una per ognuno dei mosfet).

Mi sembra opportuno metterci un buffer con ingresso a trigger di schmitt, in modo da avere una commutazione rapida pur con un pull-up non eccessivamente vorace di corrente.
La domanda che si pone ora è se aggiungere un gate driver o meno all'uscita del trigger di schmitt.

I mosfet che pensavo di usare sono questi: IRLML6344
Il buffer con trigger di schmitt è un elemento di un SN74HCS365
Il mosfet commuta carichi da 500 mA @ 12 V cadauno.
L'open-drain posso "tirarlo sú" a 3.3V, 5V o 12V.

Cosa pensate?
Volevo simulare il tutto con LTspice, ma il modello che ho scaricato da TI dà errori (possibilissimo che sia colpa mia, non sono un esperto di simulatori).

Boiler
Avatar utente
Foto Utenteboiler
26,4k 5 9 13
G.Master EY
G.Master EY
 
Messaggi: 5601
Iscritto il: 9 nov 2011, 12:27

1
voti

[2] Re: Gate-driver sì, gate-driver no? Questo è il dilemma

Messaggioda Foto UtenteEtemenanki » 19 ott 2025, 21:35

Queste sono considerazioni personali, prendile come vengono.

Comunque, con un mosfet con una carica di gate cosi piccola, il gate-driver secondo me' sarebbe sprecato.

Ma ovviamente dipende anche dalla frequenza del PWM.

10, 15, probabilmente anche 20 kHz, non dovrebbero creare problemi, frequenze di 100kHz o superiori forse li creerebbero.

I trigger invece non li vedo adatti, dal datasheet sembra possano dare al massimo 7.8mA di corrente (se non ho letto male, ma non sono sicuro, perche' all'inizio dice +/- 7.8-mA output drive at 6 V, mentre piu avanti nella tabella degli absolute maximum dice +/- 35, non mi e' molto chiaro), per cui la tua sorgente del PWM gia potrebbe dare di piu ... ma se proprio vuoi metterci un trigger, magari e' meglio usare 74LVC1G17 oppure 74AHC1G17 oppure 74AHCT1G17, che riescono a dare 24/25 mA (o se serve piu sicurezza e velocita', un doppio schmitt trigger buffer in parallelo, SN74LVC2G17, alimentato a 3.3V ogni porta da circa 25mA, quindi parallelandole arrivi a circa 50mA, se l'alimentazione e' maggiore, da 4.5V in su possono arrivare a circa 32mA l'uno, quindi 64 in parallelo).

Non sto a fare tutti i calcoli, ma ad occhio con 50mA ed una resistenza da 100 ohm in serie al gate, con quella carica di gate dovresti poter commutare intorno ai 100nS, forse qualcosa di meno, ed il SN74LVC2G17 e' in SOT23-6, probabilmente piu semplice da posizionare e collegare di un singolo integrato piu grosso che ne contenga 6.
"Sopravvivere" e' attualmente l'unico lusso che la maggior parte dei Cittadini italiani,
sia pure a costo di enormi sacrifici, riesce ancora a permettersi.
Avatar utente
Foto UtenteEtemenanki
9.517 3 6 10
Master
Master
 
Messaggi: 5940
Iscritto il: 2 apr 2021, 23:42
Località: Dalle parti di un grande lago ... :)

0
voti

[3] Re: Gate-driver sì, gate-driver no? Questo è il dilemma

Messaggioda Foto Utenteboiler » 19 ott 2025, 22:14

Etemenanki ha scritto:Ma ovviamente dipende anche dalla frequenza del PWM.

Giusto, dimenticato di specificarla: 97 kHz.

all'inizio dice +/- 7.8-mA output drive at 6 V, mentre piu avanti nella tabella degli absolute maximum dice +/- 35, non mi e' molto chiaro

7.8 mA sono con il componente operativo, fa quello che deve fare.
Le 35 mA degli absolute maximum ratings sono quelle che sopporta senza rompersi, ma senza garantire il funzionamento corretto.
Insomma sì, sono 7.8 mA. È vero che la sorgente open-drain potrebbe darmi di piú, ma vorrebbe dire che durante tutto il tempo in cui il mosfet è spento, scorre quella corrente. Non mi va.

Quello che ho visto nel datasheet è anche che danno un tempo di transizione di max 8 ns (nel caso proprio peggiore) su un carico di 50 pF (pagina 5, tabella 6.6).
È corretto assumere che questo è proporzionale alla costante di tempo RC data dalla RDSon del PMOS dello stadio d'uscita e la capacità del carico stesso? Se così fosse, con il mio carico 13 volte maggiore potrei aspettarmi un tempo di commutazione massimo di 8 · 13 = 104 ns --> la durata della transizione rappresenta l'1% del periodo.

Mmmhhh, la scheda che sto sviluppando è complessa e ha un sacco di roba. Mi seccherebbe doverla rifare per un dettaglio del genere. Penso che ci metterò i gate driver, con l'opzione per bypassarne uno per vedere se e che differenza fa.

Grazie per lo scambio di opinioni :ok:
Boiler
Avatar utente
Foto Utenteboiler
26,4k 5 9 13
G.Master EY
G.Master EY
 
Messaggi: 5601
Iscritto il: 9 nov 2011, 12:27

1
voti

[4] Re: Gate-driver sì, gate-driver no? Questo è il dilemma

Messaggioda Foto Utentedjnz » 19 ott 2025, 22:15

Se i 50 mA sono sufficienti, allora basta rinforzare la parte high side creando una sorta di uscita totem-pole


Altrimenti con un NE555 fai sia il trigger che il buffer >100 mA.
Troppo poco professionale? :mrgreen:

EDIT: Ecco, ora che vedo la frequenza, userei un gate driver anche per un progetto hobby ;-)
Una domanda ben posta è già mezza risposta.
Avatar utente
Foto Utentedjnz
1.590 1 4 7
Master
Master
 
Messaggi: 708
Iscritto il: 26 lug 2020, 14:52

0
voti

[5] Re: Gate-driver sì, gate-driver no? Questo è il dilemma

Messaggioda Foto Utenteboiler » 19 ott 2025, 22:31

djnz ha scritto:Altrimenti con un NE555 fai sia il trigger che il buffer >100 mA.

Grazie anche a te per gli spunti.

Capisco che è una battuta, ma mi sorprende sempre quanto schifo faccia il timing dell'uscita del 555 e quanto poco conosciuta sia questa cosa.

Il buffer sfigato che avevo linkato sopra, con 4.5 V di alimentazione, a 25°C e con un carico di 50 pF, passa dal 10% al 90% della tensione d'uscita in 5 ns, massimi!
L'NE555 nelle stesse condizioni ma con un terzo del carico (!) passa dal 20% all'80% della tensione d'uscita in 300 ns massimi.

Se interpoliamo il 20-80% per il buffer, siamo probabilmente dalle parti dei 4 ns scarsi.
Vuol dire che il buffer sfigato è 75 volte piú veloce del 555 nonostante piloti un carico molto piú pesante :shock:

Boiler
Avatar utente
Foto Utenteboiler
26,4k 5 9 13
G.Master EY
G.Master EY
 
Messaggi: 5601
Iscritto il: 9 nov 2011, 12:27

0
voti

[6] Re: Gate-driver sì, gate-driver no? Questo è il dilemma

Messaggioda Foto UtenteEcoTan » 20 ott 2025, 8:31

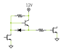
djnz ha scritto:creando una sorta di uscita totem-pole


Al posto del primo j-fet si può mettere un bipolare, semplicissimo da collegare a qualsiasi uscita digitale con soltanto una resistenza in serie alla base.
Il fronte di commutazione penso venga rigenerato più avanti, e il ritardo viene coperto dalla regolazione (giusto?).
Avatar utente
Foto UtenteEcoTan
7.720 4 12 13
Expert EY
Expert EY
 
Messaggi: 5422
Iscritto il: 29 gen 2014, 8:54

0
voti

[7] Re: Gate-driver sì, gate-driver no? Questo è il dilemma

Messaggioda Foto Utenteboiler » 20 ott 2025, 10:06

EcoTan ha scritto:Al posto del primo j-fet

Credo che con quello Foto Utentedjnz intenda l'open drain della sorgente.
Avatar utente
Foto Utenteboiler
26,4k 5 9 13
G.Master EY
G.Master EY
 
Messaggi: 5601
Iscritto il: 9 nov 2011, 12:27

0
voti

[8] Re: Gate-driver sì, gate-driver no? Questo è il dilemma

Messaggioda Foto UtenteEcoTan » 20 ott 2025, 10:21

Sì, così ci evitiamo anche di invertire il segnale. Con uscite digitali più deboli invece mi torna comodo.
Avatar utente
Foto UtenteEcoTan
7.720 4 12 13
Expert EY
Expert EY
 
Messaggi: 5422
Iscritto il: 29 gen 2014, 8:54

0
voti

[9] Re: Gate-driver sì, gate-driver no? Questo è il dilemma

Messaggioda Foto Utentestefanopc » 20 ott 2025, 13:12

Non esiste un gate driver che possa essere pilotato da un open-drain direttamente senza la necessità di utilizzare il trigger tra i due stadi?
Ciao
600 Elettra
Avatar utente
Foto Utentestefanopc
13,3k 5 9 13
Master EY
Master EY
 
Messaggi: 5567
Iscritto il: 4 ago 2020, 9:11

0
voti

[10] Re: Gate-driver sì, gate-driver no? Questo è il dilemma

Messaggioda Foto UtenteEtemenanki » 20 ott 2025, 15:39

stefanopc ha scritto:Non esiste un gate driver ...

Senza la resistenza di pull-up sull'ingresso, temo di no (a meno di non trovarne uno che le integra all'interno).

Ma se usa ad esempio i buffer trigger, la loro corrente di ingresso e' molto piu bassa di quella richiesta dal gate del mosfet quando cambia stato, quindi il pull-up puo essere anche 47k o 100k o valori simili.

EDIT: ovviamente il trigger farebbe anche da gate driver.
"Sopravvivere" e' attualmente l'unico lusso che la maggior parte dei Cittadini italiani,
sia pure a costo di enormi sacrifici, riesce ancora a permettersi.
Avatar utente
Foto UtenteEtemenanki
9.517 3 6 10
Master
Master
 
Messaggi: 5940
Iscritto il: 2 apr 2021, 23:42
Località: Dalle parti di un grande lago ... :)

Prossimo

Torna a Elettronica generale

Chi c’è in linea

Visitano il forum: Nessuno e 165 ospiti