Cablaggio PIR
0
voti
[41] Re: Cablaggio PIR
Si, questo mi sembra corretto.
"Sopravvivere" e' attualmente l'unico lusso che la maggior parte dei Cittadini italiani,
sia pure a costo di enormi sacrifici, riesce ancora a permettersi.
sia pure a costo di enormi sacrifici, riesce ancora a permettersi.
-

Etemenanki
9.527 3 6 10 - Master

- Messaggi: 5950
- Iscritto il: 2 apr 2021, 23:42
- Località: Dalle parti di un grande lago ... :)
0
voti
[42] Re: Cablaggio PIR
e GRAZIE 10000000
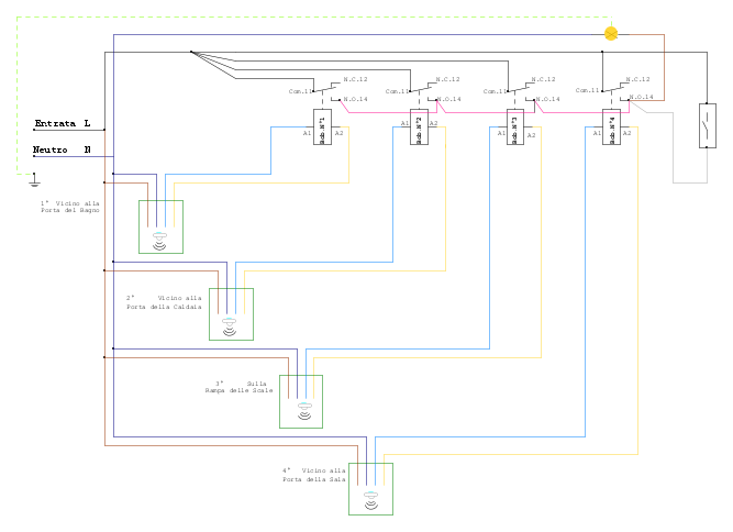
Un ultima cosa, se volessi come accenntato in precedenza di voler mettere un interruttore come ByPass il disegno sottostante è corretto o il cablaggio del Interruttore va modificato.
0
voti
[43] Re: Cablaggio PIR
Si, in questo modo, se ti dovesse servire di tenere la luce accesa a lungo, chiudi l'inteerruttore e bypassi i PIR (che continuano comunque a funzionare, quindi se spegni l'interruttore mentre sei nel raggio d'azione di uno di essi, la luce rimarra' accesa fino al termine della temporizzazione del PIR), mentre se vuoi solo la temporizzazione dei PIR, lasci spento l'interruttore ed hai il funzionamento automatico.
"Sopravvivere" e' attualmente l'unico lusso che la maggior parte dei Cittadini italiani,
sia pure a costo di enormi sacrifici, riesce ancora a permettersi.
sia pure a costo di enormi sacrifici, riesce ancora a permettersi.
-

Etemenanki
9.527 3 6 10 - Master

- Messaggi: 5950
- Iscritto il: 2 apr 2021, 23:42
- Località: Dalle parti di un grande lago ... :)
0
voti
[45] Re: Cablaggio PIR
secondo me' vanno bene.
"Sopravvivere" e' attualmente l'unico lusso che la maggior parte dei Cittadini italiani,
sia pure a costo di enormi sacrifici, riesce ancora a permettersi.
sia pure a costo di enormi sacrifici, riesce ancora a permettersi.
-

Etemenanki
9.527 3 6 10 - Master

- Messaggi: 5950
- Iscritto il: 2 apr 2021, 23:42
- Località: Dalle parti di un grande lago ... :)
0
voti
[47] Re: Cablaggio PIR
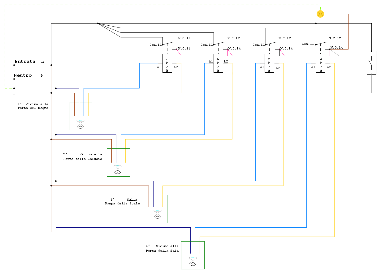
Ora il probema è che 10 fili se non sono di più nel corugato non credo proprio che passino sono troppi.
Ammenoche si possano inserire fili più sottili.
- I fili che vanno alla bobina quale potrebbe essere la misura più piccola ammessa in mmq ?
Il resto dei fili neccessariamente devono avere 1,5mmq? o possiamo scendere ad 1mmq?
Ammenoche si possano inserire fili più sottili.
- I fili che vanno alla bobina quale potrebbe essere la misura più piccola ammessa in mmq ?
Il resto dei fili neccessariamente devono avere 1,5mmq? o possiamo scendere ad 1mmq?
0
voti
[48] Re: Cablaggio PIR
Non so quali siano adesso i limiti, una volta per i comandi di rele' e simili si usava anche lo 0.5 .
Qui serve qualcuno piu aggiornato di me' con le normative.
Qui serve qualcuno piu aggiornato di me' con le normative.
"Sopravvivere" e' attualmente l'unico lusso che la maggior parte dei Cittadini italiani,
sia pure a costo di enormi sacrifici, riesce ancora a permettersi.
sia pure a costo di enormi sacrifici, riesce ancora a permettersi.
-

Etemenanki
9.527 3 6 10 - Master

- Messaggi: 5950
- Iscritto il: 2 apr 2021, 23:42
- Località: Dalle parti di un grande lago ... :)
1
voti
[49] Re: Cablaggio PIR
Un cavo multipolare FS18OR18 probabilmente ci passa più facilmente, ad esempio il 12G1, 5mm² ha un diametro esterno di 11,8 mm
-

SediciAmpere
4.187 5 5 8 - Master

- Messaggi: 4848
- Iscritto il: 31 ott 2013, 15:00
Torna a Costruzione, riparazione, riutilizzo
Chi c’è in linea
Visitano il forum: Nessuno e 17 ospiti

Elettrotecnica e non solo (admin)
Un gatto tra gli elettroni (IsidoroKZ)
Esperienza e simulazioni (g.schgor)
Moleskine di un idraulico (RenzoDF)
Il Blog di ElectroYou (webmaster)
Idee microcontrollate (TardoFreak)
PICcoli grandi PICMicro (Paolino)
Il blog elettrico di carloc (carloc)
DirtEYblooog (dirtydeeds)
Di tutto... un po' (jordan20)
AK47 (lillo)
Esperienze elettroniche (marco438)
Telecomunicazioni musicali (clavicordo)
Automazione ed Elettronica (gustavo)
Direttive per la sicurezza (ErnestoCappelletti)
EYnfo dall'Alaska (mir)
Apriamo il quadro! (attilio)
H7-25 (asdf)
Passione Elettrica (massimob)
Elettroni a spasso (guidob)
Bloguerra (guerra)

