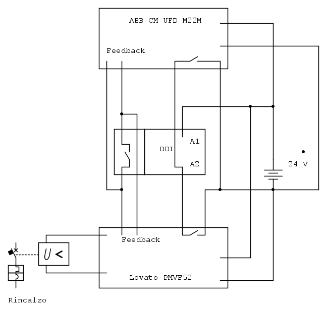
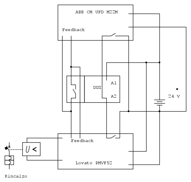
Ho una PI dell'ABB che sembra intervenire a vanvera: ogni tanto mi da errore sul feedback dal DDI, fatto con contattore ed accessorio sempre ABB.
Ogni tanto.... a volte ogni paio di giorni, a volte ogni paio di settimane...
Come la verifico?
Per un po' di tempo posso usare una Lovato, con la quale vorrei controllare il funzionamento dell'ABB.
Per far ciò le vorrei far funzionare insieme contemporaneamente, poiché il problema è sul feedback mi servirebbe di mandarlo ad entrambe, ma come??
Se le mettessi in parallelo così:
rompo tutto?
Non controllo nulla?
Come posso fare?
La sostituisco per un po' di tempo e basta?
Che dite riesco a romperle le due PI?
Moderatori:
sebago,
MASSIMO-G,
lillo,
Mike
5 messaggi
• Pagina 1 di 1
0
voti
Potrebbe.
La cosa strana è che non riesco a replicare il problema.
Se apro l'ingresso delle misure alla protezione di interfaccia funziona correttamente, apre DDI e basta.
Le rimetto: chiude il DDI.
Ogni tanto fa intervenire il rincalzo senza apparente motivo.
La cosa strana è che non riesco a replicare il problema.
Se apro l'ingresso delle misure alla protezione di interfaccia funziona correttamente, apre DDI e basta.
Le rimetto: chiude il DDI.
Ogni tanto fa intervenire il rincalzo senza apparente motivo.
0
voti
GioArca67 ha scritto:Potrebbe.
La cosa strana è che non riesco a replicare il problema.
Se apro l'ingresso delle misure alla protezione di interfaccia funziona correttamente, apre DDI e basta.
Le rimetto: chiude il DDI.
Ogni tanto fa intervenire il rincalzo senza apparente motivo.
I componenti sono in linea con gli accoppiamenti di protezione-contattore-contatto indicati da manuale ABB?
Io verificherei per bene lo schema e tutto il cablaggio, poi eventualmente valuterei la sostituzione di qualche componente.
5 messaggi
• Pagina 1 di 1
Torna a Impianti, sicurezza e quadristica
Chi c’è in linea
Visitano il forum: Nessuno e 30 ospiti

Elettrotecnica e non solo (admin)
Un gatto tra gli elettroni (IsidoroKZ)
Esperienza e simulazioni (g.schgor)
Moleskine di un idraulico (RenzoDF)
Il Blog di ElectroYou (webmaster)
Idee microcontrollate (TardoFreak)
PICcoli grandi PICMicro (Paolino)
Il blog elettrico di carloc (carloc)
DirtEYblooog (dirtydeeds)
Di tutto... un po' (jordan20)
AK47 (lillo)
Esperienze elettroniche (marco438)
Telecomunicazioni musicali (clavicordo)
Automazione ed Elettronica (gustavo)
Direttive per la sicurezza (ErnestoCappelletti)
EYnfo dall'Alaska (mir)
Apriamo il quadro! (attilio)
H7-25 (asdf)
Passione Elettrica (massimob)
Elettroni a spasso (guidob)
Bloguerra (guerra)




