arabofenice ha scritto:In linea di massima, lo schema che elaboro per la domanda di connessione è simile al tuo.
Questo in realtà sarebbe il mio schema di progetto, per la domanda elimino un po' di dati...
arabofenice ha scritto:I
- Oltre ai simboli grafici, specifico sempre testualmente la configurazione dei poli (1P+N, 4P, 2P, ecc.).
GIusto, a parte questo caso nel quale ho scelto puntualmente i modelli, cosa che nella maggior parte dei casi non faccio, questo dato va indicato.
E non sempre l'ho fatto.
arabofenice ha scritto:- Riporto la norma di prodotto degli interruttori, contattori.
GIusto, quantomeno devo riportare la Norma degli interruttori (domestica o industriale).
arabofenice ha scritto:- Indico la corrente d'impiego.
Questa potrei aggiungerla, è un aiuto anche per me.
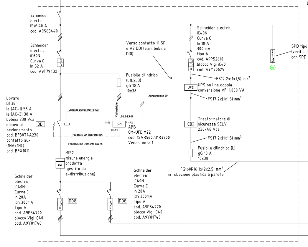
arabofenice ha scritto:- Rappresento il lato CC in multifilare fino all'inverter solo quando prevedo l'installazione di SPD collegati a Y.
Eh, sugli SPD credo di essere molto carente.
VOrrei indicare molti più dati, ed in particolare la distanza di protezione.
Poi devo secondo me dare istruzioni sul metodo di collegamento per contenere la caduta di tensione, altrimenti succede quasi sempre un disastro installativo se non sono presente nel preciso momento dell'installazione.
In questo caso lato DC non li ho messi perché non avevo speranze: quadro DC a 40 metri dai campi (ho poi fatto la valutazione del rischio 81-10/2 e ovviamente non servono, ma solitamente ad oggi li prevedo comunque se sto nei limiti della distanza di protezione).
arabofenice ha scritto:Per le altre specifiche tecniche, utilizzo uno schema unifilare corredato da tabelle.
Io in caso di solo FV praticamente faccio solo questo unifilare, perché con "quello classico" non riesco praticamente a rappresentare nulla
Uso per la maggiore iproject di Schneider e lato FV non è praticamente utilizzabile.
Certo che con un software diverso forse riuscirei a rappresentare il tutto anche con il "metodo classico", ovvero su A4.
Però devo dire che mi piace avere tutto lo schema su un unico foglio, mi sembra più chiaro.
Grazie infinite per il tuo tempo!

Elettrotecnica e non solo (admin)
Un gatto tra gli elettroni (IsidoroKZ)
Esperienza e simulazioni (g.schgor)
Moleskine di un idraulico (RenzoDF)
Il Blog di ElectroYou (webmaster)
Idee microcontrollate (TardoFreak)
PICcoli grandi PICMicro (Paolino)
Il blog elettrico di carloc (carloc)
DirtEYblooog (dirtydeeds)
Di tutto... un po' (jordan20)
AK47 (lillo)
Esperienze elettroniche (marco438)
Telecomunicazioni musicali (clavicordo)
Automazione ed Elettronica (gustavo)
Direttive per la sicurezza (ErnestoCappelletti)
EYnfo dall'Alaska (mir)
Apriamo il quadro! (attilio)
H7-25 (asdf)
Passione Elettrica (massimob)
Elettroni a spasso (guidob)
Bloguerra (guerra)







