Ciao a tutti,
per le lucine del nostro albero di natale (alimentato con batteria auto), ho realizzato un semplice interruttore crepuscolare con una fotoresistenza ed un LM358, avendo il secondo operazionale in esso contenuto libero, mi sarebbe piaciuto realizzare anche un circuito che scolleghi il carico quando la tensione della batteria scende sotto una certa soglia.
In rete ho visto diversi schemi, dai piu semlici ai piu esoterici, mi farebbe comodo qualche consiglio.
Il carico è composto dal crepuscolare che a sera chiude un rele che alimenta un piccolo step-UP che a sua volta alimenta un cordone di mini led.
A luci accese, sulla batteria c' è un assorbimento di circa 500 mA.
Circuito cut-off batteria scarica.
Moderatori:
g.schgor,
IsidoroKZ
21 messaggi
• Pagina 1 di 3 • 1, 2, 3
1
voti
un circuito semplice, senza isteresi rischia di accendere e spegnere in continuazione, visto che assorbendo 500mA puoi avere una tensione sotto soglia, e scollegando i 500mA magari puo tornare a vuoto sopra la soglia, credo che sia una buona cosa implementare l'isteresi almeno di 1/2V, oppure mettere un blocco che una volta sceso sotto tensione non si riarmi piu fino a che lo scolleghi. tramite il secondo OP, sfruttando la retroazione positiva lo puoi fare certamente.
-

lelerelele
4.899 3 7 9 - Master

- Messaggi: 5505
- Iscritto il: 8 giu 2011, 8:57
- Località: Reggio Emilia
0
voti
Per il progetto, l'alimentazione del lm358 è direttamente la tensione batteria, o tramite un regolatore di tensione 7805, 7810 o simile ?
Come comando alimentazione LED preferisci un tr NPN o un CMOS ?
Come comando alimentazione LED preferisci un tr NPN o un CMOS ?
1
voti
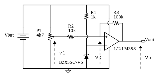
Ecco il circuito, potrebbe anche funzionare !
Attendo i commenti e suggerimenti degli altri circuitisti.
Se lo monti e funziona comunica i risultati e le tensioni di soglia rilevate.
0
voti
Grazie per la dritta,
avevo gia fatto qualche prova con i componenti che avevo a portata di mano e avevo messo su il comparatore che segue, simile al tuo.
Mancava solo un piccolo dettaglio, R3, roba inutile....
, infatti il circuito "scattava" alto basso al variave di pochi millivolt.
Mi sembra di capire che R3 aggiunge un isteresi che è proprio quella che mi serve, infatti cosi regolando il trimmer riesco a ottenere un risultato che mi sembra ok.
Ora la domanda nasce spontanea (cit.), come si determina, in questo caso, il valore della resistenza di feedback?
avevo gia fatto qualche prova con i componenti che avevo a portata di mano e avevo messo su il comparatore che segue, simile al tuo.
Mancava solo un piccolo dettaglio, R3, roba inutile....
Mi sembra di capire che R3 aggiunge un isteresi che è proprio quella che mi serve, infatti cosi regolando il trimmer riesco a ottenere un risultato che mi sembra ok.
Ora la domanda nasce spontanea (cit.), come si determina, in questo caso, il valore della resistenza di feedback?
0
voti
Se non ci fosse R3 100k, sarebbe V2 = V1
Con tensione alim alta, Vu = circa Valim, R2 e R3 costituiscono un partitore di tensione per cui
V2 = V1 + (Vu-V1) x ( R2/(R3+R2)) =
= V1 + circa (12-7) x (10/110).
La quantità (12-7) x (10/110) = circa 0,5 volt è l'isteresi.
Quando Vu = 0 la tensione di alimentazione deve salire di 1/2 volt in più per fare riscattare il comparatore.

p.s.: quanto ho scritto è impreciso, l'isteresi è il doppio della soglia alta rispetto al valore medio..ma scusami..ma non ho voglia di rivedere formalmente i calcoli.
Misura tu con un multimetro i valori di V1 per cui il comparatore scatta in su e in giù.
0
voti
La cosa è ulteriormente complicata dal fatto che il trimmer ha un'impedenza comparabile con la R2, e quindi anche V1 risente della variazione di Vu. In sostanza l'isteresi varia anche in base alla posizione del trimmer (cioè ai valori di P1a e P1b).
Una domanda ben posta è già mezza risposta.
0
voti
Rispetto a R1 10 k è solo il 10% in più.
1
voti
Volendo potrei aumentare il valore di di R2 e R3 per minimizzare l' effetto del potenziometro, fino a che valori ha senso arrivare?
Comunque ho visto che senza pormi troppe domande il circuito funziona e riesco a tararlo in modo soddisfacente.
Ora la parte divertente è integrarlo con il crepuscolare.
In realtà l' ho gia fatto e sembra funzionare, comunque mi piacerebbe conoscere il vostro parere.
Piu tardi disegno lo schema e lo posto.
Grazie ancora per l' aiuto.
Comunque ho visto che senza pormi troppe domande il circuito funziona e riesco a tararlo in modo soddisfacente.
Ora la parte divertente è integrarlo con il crepuscolare.
In realtà l' ho gia fatto e sembra funzionare, comunque mi piacerebbe conoscere il vostro parere.
Piu tardi disegno lo schema e lo posto.
Grazie ancora per l' aiuto.
0
voti
Potrebbe funzionare una cosa del tipo mosfet con autoritenuta spento forzatamente da un SCR ?
Mi spiego meglio, ad esempio sul negativo un mosfet canale N, drain alla batteria,source al carico (dico sul negativo solo perche' e' piu facile trovare mosfet a canale N con RdsON di pochi milliohm a prezzi bassi, piuttosto che a canale P, mavolendo si puo rovesciare il circuito anche per i canale P E farlo sul positivo), con il gate connesso al positivo tramite una resistenza relativamente alta, al gate connetti anche un SCR fra gate e drain, attivato da un circuito a soglia (ad esempio, un banale transistor tenuto in interdizione da uno zener finche' la tensione e' abbastanza alta, ma che va in conduzione se scende sotto una certa soglia), quando il transistor innesca l'SCR questo "spegne" il mosfet, e non i riarma finche' il circuito non viene scollegato e ricollegato (o anche tramite un pulsante in parallelo all'SCR, volendo).
La resistenza che collega il gate al positivo dovrebbe essere abbastanza alta da non "succhiare" troppa corrente alla batteria, ma allo stesso tempo abbastanza bassa da garantire che attraverso l'SCR scorra la minima corrente necessaria a mantenerlo in conduzione, ovviamente (ma con i piccoli SCR in TO92, tipo S4X8ES1 o roba simile, dovrebbero bastare 6 o 7 mA)
Non avra' la precisione del millivolt, ma dovrebbe funzionare
Mi spiego meglio, ad esempio sul negativo un mosfet canale N, drain alla batteria,source al carico (dico sul negativo solo perche' e' piu facile trovare mosfet a canale N con RdsON di pochi milliohm a prezzi bassi, piuttosto che a canale P, mavolendo si puo rovesciare il circuito anche per i canale P E farlo sul positivo), con il gate connesso al positivo tramite una resistenza relativamente alta, al gate connetti anche un SCR fra gate e drain, attivato da un circuito a soglia (ad esempio, un banale transistor tenuto in interdizione da uno zener finche' la tensione e' abbastanza alta, ma che va in conduzione se scende sotto una certa soglia), quando il transistor innesca l'SCR questo "spegne" il mosfet, e non i riarma finche' il circuito non viene scollegato e ricollegato (o anche tramite un pulsante in parallelo all'SCR, volendo).
La resistenza che collega il gate al positivo dovrebbe essere abbastanza alta da non "succhiare" troppa corrente alla batteria, ma allo stesso tempo abbastanza bassa da garantire che attraverso l'SCR scorra la minima corrente necessaria a mantenerlo in conduzione, ovviamente (ma con i piccoli SCR in TO92, tipo S4X8ES1 o roba simile, dovrebbero bastare 6 o 7 mA)
Non avra' la precisione del millivolt, ma dovrebbe funzionare
"Sopravvivere" e' attualmente l'unico lusso che la maggior parte dei Cittadini italiani,
sia pure a costo di enormi sacrifici, riesce ancora a permettersi.
sia pure a costo di enormi sacrifici, riesce ancora a permettersi.
-

Etemenanki
9.517 3 6 10 - Master

- Messaggi: 5940
- Iscritto il: 2 apr 2021, 23:42
- Località: Dalle parti di un grande lago ... :)
21 messaggi
• Pagina 1 di 3 • 1, 2, 3
Torna a Elettrotecnica generale
Chi c’è in linea
Visitano il forum: Nessuno e 59 ospiti

Elettrotecnica e non solo (admin)
Un gatto tra gli elettroni (IsidoroKZ)
Esperienza e simulazioni (g.schgor)
Moleskine di un idraulico (RenzoDF)
Il Blog di ElectroYou (webmaster)
Idee microcontrollate (TardoFreak)
PICcoli grandi PICMicro (Paolino)
Il blog elettrico di carloc (carloc)
DirtEYblooog (dirtydeeds)
Di tutto... un po' (jordan20)
AK47 (lillo)
Esperienze elettroniche (marco438)
Telecomunicazioni musicali (clavicordo)
Automazione ed Elettronica (gustavo)
Direttive per la sicurezza (ErnestoCappelletti)
EYnfo dall'Alaska (mir)
Apriamo il quadro! (attilio)
H7-25 (asdf)
Passione Elettrica (massimob)
Elettroni a spasso (guidob)
Bloguerra (guerra)







