Subwoofer amplificato attenuato
0
voti
Quindi il finale si comporta come un "pezzo di filo" e in uscita arriva la sola amplificazione dello opamp? 
"Non farei mai parte di un club che accettasse la mia iscrizione" (G. Marx)
-

claudiocedrone
21,3k 4 7 9 - Master EY

- Messaggi: 15303
- Iscritto il: 18 gen 2012, 13:36
0
voti
edgar ha scritto:pino81 ha scritto:pochino presumo...
Dovrebbero essere diverse decine di volt picco picco.
Potrebbe essere defunto il TDA7293.
infatti.. sono anchio di questa tesi, potrei intanto smontarlo e testarlo con la sola tensione positiva a banco? non savrei come fornirgli la tensione negativa, o per lo meno non del voktaggio esatto
0
voti
pino81 ha scritto:SediciAmpere ha scritto:Riesci a mettere la sonda dell'oscilloscopio sul pin n. 3 del TDA ?
fatto.. non da nulla se non qualche centinaio di mV a frequenze random
Se esce una sinusoide, abbastanza pulita, a 70Hz, da qualche parte dovrà essere arrivata al finale, puoi ripetere la misura per favore? Se vedi una sinusoide a 70 Hz , sui 15mV , significa che il finale funziona e l'attenuazione è da un'altra parte: ci tocca andare a ritroso, seguendo lo schema finché troviamo il punto in cui il segnale si attenua.
pino81 ha scritto:ps vorrei ricordare che alla prima accensione dopo tanto tempo ha fatto un forte rumore di alternata 50Hz che non si accendeva nemmeno il led a pannello, come se qualcosa stesse andando in corto
Ricordi se hai sentito odore di bruciato o se è uscito fumo dal bass-reflex?
-

SediciAmpere
4.187 5 5 8 - Master

- Messaggi: 4848
- Iscritto il: 31 ott 2013, 15:00
0
voti
pino81 ha scritto:infatti.. sono anchio di questa tesi, potrei intanto smontarlo e testarlo con la sola tensione positiva a banco? non savrei come fornirgli la tensione negativa, o per lo meno non del voktaggio esatto
Se vuoi , puoi fare un tentativo e sostituirlo direttamente, ma ancora non siamo sicuri che sia lui ad essersi guastato e nel dissaldarlo molto probabilmente si guasterà
PS. per me se l'uscita è a 0 V significa che l'anello di retroazione funziona, altrimenti l'uscita andrebbe a +Vcc o a -Vcc
-

SediciAmpere
4.187 5 5 8 - Master

- Messaggi: 4848
- Iscritto il: 31 ott 2013, 15:00
0
voti
SediciAmpere ha scritto:nel dissaldarlo molto probabilmente si guasterà
E' piuttosto robusto, ne ho usati tanti e non mi è mai capitato di romperne nel dissaldarli.
per me se l'uscita è a 0 V significa che l'anello di retroazione funziona, altrimenti l'uscita andrebbe a +Vcc o a -Vcc
L'osservazione è corretta. Il circuito potrebbe essere in modalità "mute"?
0
voti
pino81 ha scritto:potrei intanto smontarlo e testarlo con la sola tensione positiva a banco?
Per provarlo dovresti avere un circuito di test minimale, senza controreazione i risultati sarebbero imprevedibili e potenzialmente pericolosi per l'integrità del componente.
La rogna maggiore è il passo dei pin, i pin della fila anteriore e posteriore tra loro hanno passo 2.54 mm ma le due file sono sfalsate tra loro di mezzo passo e non si riescono a usare le basette millefori
non savrei come fornirgli la tensione negativa, o per lo meno non del voktaggio esatto
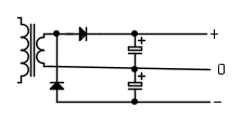
Se hai un PICCOLO trasformatore con secondario di una ventina di volt questo circuito basta e avanza per fare qualche prova. Un trasformatore da pochi VA difficilmente erogherà correnti in grado di fare danni
0
voti
edgar ha scritto:L'osservazione è corretta. Il circuito potrebbe essere in modalità "mute"?
Ho paura che sia il mute o limiter fatto con i BJT discreti
-

SediciAmpere
4.187 5 5 8 - Master

- Messaggi: 4848
- Iscritto il: 31 ott 2013, 15:00
0
voti
edgar ha scritto:Il circuito potrebbe essere in modalità "mute"?
Mi rispondo da solo: i pin mute e standby sono collegati insieme, se fosse in modalità mute sarebbe anche in standby e, per quanto piccolo, escluderei che in uscita ci possa essere un segnale
0
voti
buongiorno, si certo che fa il "click" il pin 3 tda mi da a caso 20 mV, a 10 Hz 80 Hz avvolte 0, avvolte qualche mV in DC non so se possa essere attendibile (oscillo alimentato a batteria)
Torna a Costruzione, riparazione, riutilizzo
Chi c’è in linea
Visitano il forum: Nessuno e 8 ospiti

Elettrotecnica e non solo (admin)
Un gatto tra gli elettroni (IsidoroKZ)
Esperienza e simulazioni (g.schgor)
Moleskine di un idraulico (RenzoDF)
Il Blog di ElectroYou (webmaster)
Idee microcontrollate (TardoFreak)
PICcoli grandi PICMicro (Paolino)
Il blog elettrico di carloc (carloc)
DirtEYblooog (dirtydeeds)
Di tutto... un po' (jordan20)
AK47 (lillo)
Esperienze elettroniche (marco438)
Telecomunicazioni musicali (clavicordo)
Automazione ed Elettronica (gustavo)
Direttive per la sicurezza (ErnestoCappelletti)
EYnfo dall'Alaska (mir)
Apriamo il quadro! (attilio)
H7-25 (asdf)
Passione Elettrica (massimob)
Elettroni a spasso (guidob)
Bloguerra (guerra)




