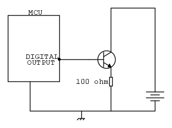
Se prendiamo questo schemino di principio:
e supponiamo che la MCU abbia 3,3V di alimentazione e la sua "Maximum current sourced/sunk by any I/O pin" sia 8 mA, il circuito può dirsi corretto?
Il mio dubbio è che considerando la giunzione base-emettitore di un transistor generico come una capacità, credo 100-200 pF, la corrente iniziale sul fronte OFF-ON potrebbe superare il valore consentito.
O invece quella capacità è dovuta principalmente all'effetto Miller cioè non si presenta in quanto non vi è amplificazione di tensione? E quindi quel circuito va bene?
Impedenza digital output
Moderatore:
Paolino
13 messaggi
• Pagina 1 di 2 • 1, 2
0
voti
bella domanda.
considerando che ho anche un minimo ritardo di conduzione sulla corrente di collettore, potrei avere problemi, e come dicevi tu, la capacità di base a sua volta puo darne, mi pare che la capacità tra BE sia minima, mentre sia massima la capacità tra BC, in questo caso la tensione in BC varia di 3.3V, non fara gran danni.
Se dovessi farlo io valuterei principalmente se ho una elevata transizione degli stati, perché il danno credo sia principamente dovuto a dissipazione, per lo stadio di uscita della MCU, a basse commutazioni non mi farei grandi problemi, (magari sbagliando), poi testerà il tutto.....
non ho mai usato un inseguitore, anche perché mi trovo un'uscita molto bassa di tensione, ed evito tutti quei problemi.
saluti.
considerando che ho anche un minimo ritardo di conduzione sulla corrente di collettore, potrei avere problemi, e come dicevi tu, la capacità di base a sua volta puo darne, mi pare che la capacità tra BE sia minima, mentre sia massima la capacità tra BC, in questo caso la tensione in BC varia di 3.3V, non fara gran danni.
Se dovessi farlo io valuterei principalmente se ho una elevata transizione degli stati, perché il danno credo sia principamente dovuto a dissipazione, per lo stadio di uscita della MCU, a basse commutazioni non mi farei grandi problemi, (magari sbagliando), poi testerà il tutto.....
non ho mai usato un inseguitore, anche perché mi trovo un'uscita molto bassa di tensione, ed evito tutti quei problemi.
saluti.
-

lelerelele
4.899 3 7 9 - Master

- Messaggi: 5505
- Iscritto il: 8 giu 2011, 8:57
- Località: Reggio Emilia
0
voti
Mettiamola da un altro punto di vista ... la giiunzione BE di un BJT e' l'equivalente di un diodo, cosa succede alla corrente in uscita dal pin della MCU dopo che la soglia BE (0.6 / 0.7 V) e' stata superata, e la tensione di uscita dal pin cerca di arrivare a 3.3V, chiudendone quindi brutalmente circa 2.6 verso GND ?
Dice il saggio: "MAI pilotare transistor senza resistenza di base"
Dice il saggio: "MAI pilotare transistor senza resistenza di base"
"Sopravvivere" e' attualmente l'unico lusso che la maggior parte dei Cittadini italiani,
sia pure a costo di enormi sacrifici, riesce ancora a permettersi.
sia pure a costo di enormi sacrifici, riesce ancora a permettersi.
-

Etemenanki
9.517 3 6 10 - Master

- Messaggi: 5940
- Iscritto il: 2 apr 2021, 23:42
- Località: Dalle parti di un grande lago ... :)
0
voti
Se non metti la R di base, hai un corto diretto con la alimentazione attraverso il PMOS (Digital output) di uscita.
Gli 8mA sono per dissipazione di potenza. Ossia che per correnti superiori si può bruciare il MOS corrispondente, quindi il pin..
Gli 8mA sono per dissipazione di potenza. Ossia che per correnti superiori si può bruciare il MOS corrispondente, quindi il pin..
0
voti
gvee ha scritto:Se non metti la R di base, hai un corto diretto con la alimentazione attraverso il PMOS (Digital output) di uscita.
Non avevo fatto caso alla R da 100 ohm.
0
voti
Fa niente, senza resistenza di base non andrebbe mai fatto, per principio.
E poi un carico in open collector va messo sul collettore, non fra emettitore e GND.
E poi un carico in open collector va messo sul collettore, non fra emettitore e GND.
"Sopravvivere" e' attualmente l'unico lusso che la maggior parte dei Cittadini italiani,
sia pure a costo di enormi sacrifici, riesce ancora a permettersi.
sia pure a costo di enormi sacrifici, riesce ancora a permettersi.
-

Etemenanki
9.517 3 6 10 - Master

- Messaggi: 5940
- Iscritto il: 2 apr 2021, 23:42
- Località: Dalle parti di un grande lago ... :)
0
voti
bunoa domanda.Ma il dato di corrente massima all'uscita (gli 8mA) sono massimi assoluti o massimi ...mediamente?
Se ben ricordo,mi pare che le uscite digitali dell'ATMEGA168 possono sopportare un cortocircuito permanente, limitando la corrente a 40 mA. Ma potrei sbagliarmi.
(Failure Mode Criticality Analysis ) E' credibile che il carico di 100 ohm possa venire messo in cortocircuito? Nel caso di corto, occorre proteggere l'uscita della MCU da un danneggiamento ?
E' credibile che il transistor abbia un hfe minimo = 50 ?
1
voti
Etemenanki ha scritto:E poi un carico in open collector va messo sul collettore, non fra emettitore e GND.
Era per mostrare il path e non rifare un disegno, non per disegnare un open collector.
13 messaggi
• Pagina 1 di 2 • 1, 2
Torna a Realizzazioni, interfacciamento e nozioni generali.
Chi c’è in linea
Visitano il forum: Nessuno e 4 ospiti

Elettrotecnica e non solo (admin)
Un gatto tra gli elettroni (IsidoroKZ)
Esperienza e simulazioni (g.schgor)
Moleskine di un idraulico (RenzoDF)
Il Blog di ElectroYou (webmaster)
Idee microcontrollate (TardoFreak)
PICcoli grandi PICMicro (Paolino)
Il blog elettrico di carloc (carloc)
DirtEYblooog (dirtydeeds)
Di tutto... un po' (jordan20)
AK47 (lillo)
Esperienze elettroniche (marco438)
Telecomunicazioni musicali (clavicordo)
Automazione ed Elettronica (gustavo)
Direttive per la sicurezza (ErnestoCappelletti)
EYnfo dall'Alaska (mir)
Apriamo il quadro! (attilio)
H7-25 (asdf)
Passione Elettrica (massimob)
Elettroni a spasso (guidob)
Bloguerra (guerra)







