Generare segnale PWM da tensione
Moderatori:
carloc,
g.schgor,
BrunoValente,
IsidoroKZ
39 messaggi
• Pagina 4 di 4 • 1, 2, 3, 4
0
voti
L'OP vuole una novantina di canali e vuole realizzare un solo generatore di rampa, la cui uscita va in ingresso ad un comparatore per canale. Così facendo servirà però un DAC per canale. Come dicevo poco sopra, senza conoscere le specifiche di TUTTO il sistema, non si può dare un consiglio.
-1
voti
il DAC viene multiplexato e all'ingresso del comparatore si mette un condensatore che "mantiene" la tensione, questo sicuramente richiede un "refresh" perché il condensatore si scarica, ma non è un problema...
-

daniele1996
610 3 8 11 - Sostenitore

- Messaggi: 1554
- Iscritto il: 29 ago 2011, 11:29
0
voti
Ma potrebbe non servire nessun generatore di rampa.
90 canali si gestiscono in digitale o con un banco di processori, o con una fpga.
Mi sembra un problema abbastanza modulare da poter essere diviso tra più moduli identici
90 canali si gestiscono in digitale o con un banco di processori, o con una fpga.
Mi sembra un problema abbastanza modulare da poter essere diviso tra più moduli identici
0
voti
dadduni ha scritto:Ma potrebbe non servire nessun generatore di rampa.
90 canali si gestiscono in digitale o con un banco di processori, o con una fpga.
Si gestiscono tranquillamente con un processore solo (che abbia abbastanza I/Os), a dipendenza della risoluzione e della frequenza richieste. Ma indovina un po'... anche queste sono top-secret.
daniele1996 ha scritto:il DAC viene multiplexato e all'ingresso del comparatore si mette un condensatore che "mantiene" la tensione, questo sicuramente richiede un "refresh" perché il condensatore si scarica, ma non è un problema...
OK, voglio sapere che multiplexer e che comparatori vuoi usare. Quanto ne sono le correnti di bias e leakage, rispettivamente. Che condensatore vuoi usare e che risoluzione sul dimming ti serve? A questo punto voglio vedere il calcolo della frequenza di rinfresco minima che ti serve per restare sotto un LSB di errore. Qual è la resistenza di canale del mux e che corrente di picco sopporta? Sono compatibili con la velocità di rinfresco che vogliamo ottenere? E poi voglio vedere un'analisi del timing del sistema che ti conferma che ci stai dentro.
Altrimenti non ci credo che non è un problema e il thread per me muore qui.
Ci sono almeno una mezza dozzina di soluzioni sicuremante migliori di questa, ma fai come preferisci.
0
voti
Come multiplexer ho usato i CD4051 come comparatori LM393, la risoluzione del DAC è di 8Bit, ogni scalino sarebbe di 0,019V... Il tempo per poter svolgere un rinfresco diminuisce se si aumenta la capacità, un 4051 è in grado di caricare un condensatore, dovrebbe poter erogare una decina di mA... A parte questo, il mio dubbio sta sul generatore di corrente costante: Ho fatto dei calcoli e il transistor funziona, solo che provando il circuito dall'emettitore esce la metà della corrente calcolata... Forse sto sbagliando a guardare il grafico nel datasheet...
-

daniele1996
610 3 8 11 - Sostenitore

- Messaggi: 1554
- Iscritto il: 29 ago 2011, 11:29
0
voti
Riprendo il topic, dopo che sono riuscito a far funzionare il circuito con il 555 dimensionando il generatore di corrente in base al condensatore ho deciso di utilizzare questo circuito per regolare la velocità dei motori a corrente alternata utlizzando il metodo del taglio di fase. Impostando il generatore di corrente a 15mA con un condensatore da 22uF(elettrolitico) ho deciso di effettuare l'azzeramento della tensione del condensatore utilizzando un TLP620 (un optoisolatore con un doppio diodo led in antiparallelo e un fototransistor dall'altra parte) per fare ciò occorre negare l'impulso, perché il foto transistor sta attivo quando la tensione di rete è diversa da zero, quindi ho messo una resistenza da 22K 5W per un carico di 2W circa sulla rete elettrica. Passiamo al problema: per effettuare l'azzeramento ho deciso di utilizzare un 2N2222 (NPN Hfe=75 fino a 150mA) collegato in questo modo:
Utilizzando due resistenze da 470 Ohm ho una corrente di base di circa 4.5 mA che dovrebbe andar bene per un carico massimo molto superiore a 15mA e ottengo questo risultato:
La tensione sul nodo centrale delle due resistenze è più o meno quella, ma la tensione sul condensatore non è corretta considerando il fatto che dovrebbe andare completamente a zero.
Anche se i miei calcoli non mi sembrano errati ho deciso di effettuare una prova con un mosfet: il 2N7000
mettendo una resistenza sul collettore dell'optoisolatore di 1K ottengo questo risultato:
Che piu o meno è accettabile, ma volendo ridurre la corrente di collettore sul fototransistor mettendo una resistenza da 3.3K ottengo un segnale errato simile a quello del transistor.
Potete illuminarmi su dove sto sbagliando? Secondo me non ci dovevo neanche arrivare a fare la prova con il mosfet...
Utilizzando due resistenze da 470 Ohm ho una corrente di base di circa 4.5 mA che dovrebbe andar bene per un carico massimo molto superiore a 15mA e ottengo questo risultato:
La tensione sul nodo centrale delle due resistenze è più o meno quella, ma la tensione sul condensatore non è corretta considerando il fatto che dovrebbe andare completamente a zero.
Anche se i miei calcoli non mi sembrano errati ho deciso di effettuare una prova con un mosfet: il 2N7000
mettendo una resistenza sul collettore dell'optoisolatore di 1K ottengo questo risultato:
Che piu o meno è accettabile, ma volendo ridurre la corrente di collettore sul fototransistor mettendo una resistenza da 3.3K ottengo un segnale errato simile a quello del transistor.
Potete illuminarmi su dove sto sbagliando? Secondo me non ci dovevo neanche arrivare a fare la prova con il mosfet...
-

daniele1996
610 3 8 11 - Sostenitore

- Messaggi: 1554
- Iscritto il: 29 ago 2011, 11:29
1
voti
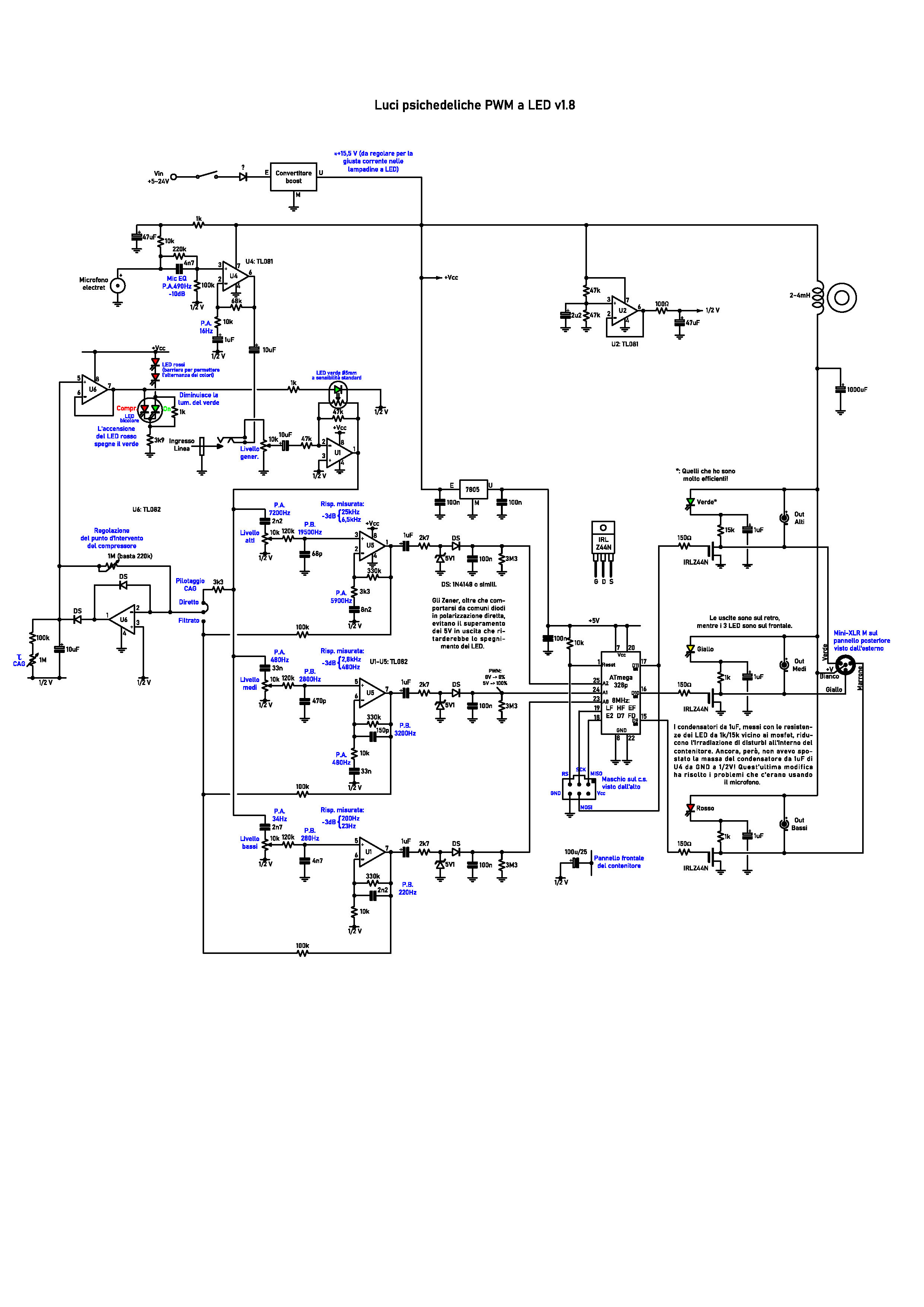
Tempo fa ho realizzato delle luci psichedeliche a bassa tensione con faretto a LED. Però volevo simulare l'accensione e lo spegnimento progressivi delle lampade a filamento (e i fari da 100-150W che usai nelle luci psichedeliche 40 anni fa ci mettevano un bel po'...), perciò sono rimasto colpito da uno schema che ho trovato in rete:
https://www.elettronicaclub.eu/cl001-lu ... liche-led/
Al posto dei transistor ho usato dei MOSFET acquistati da Aliexpress (usati ben al di sotto dei valori massimi dichiarati).
Provandolo, però, mi sono reso conto che il convertitore PWM non adava bene come speravo, perciò l'ho sostituito con un ATmega328P (Arduino) ottenendo un funzionamento perfetto:
L'ATmega328P ha 6 PWM (a gruppi con frequenze diverse fra loro), ma altri microcontrollori hanno più uscite PWM. Se hai un minimo di dimestichezza con Arduino, ci vuole un attimo!
https://www.elettronicaclub.eu/cl001-lu ... liche-led/
Al posto dei transistor ho usato dei MOSFET acquistati da Aliexpress (usati ben al di sotto dei valori massimi dichiarati).
Provandolo, però, mi sono reso conto che il convertitore PWM non adava bene come speravo, perciò l'ho sostituito con un ATmega328P (Arduino) ottenendo un funzionamento perfetto:
L'ATmega328P ha 6 PWM (a gruppi con frequenze diverse fra loro), ma altri microcontrollori hanno più uscite PWM. Se hai un minimo di dimestichezza con Arduino, ci vuole un attimo!
0
voti
Cambiando la resistenza per ridurre la corrente di collettore sull'optoisolatore ottengo questo risultato:
-

daniele1996
610 3 8 11 - Sostenitore

- Messaggi: 1554
- Iscritto il: 29 ago 2011, 11:29
39 messaggi
• Pagina 4 di 4 • 1, 2, 3, 4
Chi c’è in linea
Visitano il forum: Nessuno e 47 ospiti

Elettrotecnica e non solo (admin)
Un gatto tra gli elettroni (IsidoroKZ)
Esperienza e simulazioni (g.schgor)
Moleskine di un idraulico (RenzoDF)
Il Blog di ElectroYou (webmaster)
Idee microcontrollate (TardoFreak)
PICcoli grandi PICMicro (Paolino)
Il blog elettrico di carloc (carloc)
DirtEYblooog (dirtydeeds)
Di tutto... un po' (jordan20)
AK47 (lillo)
Esperienze elettroniche (marco438)
Telecomunicazioni musicali (clavicordo)
Automazione ed Elettronica (gustavo)
Direttive per la sicurezza (ErnestoCappelletti)
EYnfo dall'Alaska (mir)
Apriamo il quadro! (attilio)
H7-25 (asdf)
Passione Elettrica (massimob)
Elettroni a spasso (guidob)
Bloguerra (guerra)






