Volevo chiedere, e mi scuso per la banalita’ della domanda, se esista un modo per far accendere un LED rosso con la corrente a 220 V, inviata da un interruttore rotativo a 3 vie.
Mi spiego meglio.
Devo installare un aspiratore remoto esterno alla mia cappa, sostituendo l’attuale aspiratore interno.
L’aspiratore e’ a tre velocita’ e viene azionato da un comando a rotazione; 3 sono i fili del motore che alternativamente ricevono la fase della corrente dal comando mentre il neutro e’ collegato fisso al motore.
Poiche’ l’aspiratore sara’ collocato in facciata sul muro esterno della cucina, vorrei segnalare il suo funzionamento con l’accensione di un LED rosso per tutte e tre le velocita’.
E’ possibile? Quali componenti e di quale valore dovrei assemblare?
Grazie
Accensione LED 220 V da tre linee alternativamente
Moderatori:
carloc,
g.schgor,
BrunoValente,
IsidoroKZ
26 messaggi
• Pagina 1 di 3 • 1, 2, 3
0
voti
Se devi procurarti i componenti puoi prendere un LED rosso alta luminosità (5 mm), con una tensione di lavoro tipica di 2,4 V per farci scorrere 10 mA con 230 V ci vanno circa 22000 ohm di resistenza in serie però con tale tensione il resistore per stare tranquilli deve essere da 3 W, di questa serie LED + resistore ne colleghi un capo al conduttore del neutro (rosso) e l'altro, con tre conduttori distinti, ai conduttori delle tre velocità (nero, bianco, marrone).
Tale spia "lampeggerà" a frequenza di rete ma la cosa non dovrebbe essere percepibile all'occhio.
Tale spia "lampeggerà" a frequenza di rete ma la cosa non dovrebbe essere percepibile all'occhio.
"Non farei mai parte di un club che accettasse la mia iscrizione" (G. Marx)
-

claudiocedrone
21,3k 4 7 9 - Master EY

- Messaggi: 15302
- Iscritto il: 18 gen 2012, 13:36
0
voti
claudiocedrone ha scritto:Se devi ...
Grazie per la risposta.
Un piccolo schema mi aiuterebbe molto
-

Walter2026
0 2 - Messaggi: 5
- Iscritto il: 25 gen 2026, 13:11
0
voti
Eh, purtroppo da smartphone non posso disegnare schemi
, posso solo correggere una svista ovvero che dovevo considerare la tensione di picco (circa 324 V) per cui il resistore per 10 mA risulta da circa 33000 ohm (con 22000 sono circa 14 ma che rimane comunque nel limite dei 20 ma ammessi dal LED, aumenta la luminosità ma lsi stressa un po' di più).
"Non farei mai parte di un club che accettasse la mia iscrizione" (G. Marx)
-

claudiocedrone
21,3k 4 7 9 - Master EY

- Messaggi: 15302
- Iscritto il: 18 gen 2012, 13:36
0
voti
Anche, meglio ancora (ci va comunque il resistore di caduta se non è integrato con la spia), il problema ora è lo schema di collegamento che io purtroppo non posso inserire.
"Non farei mai parte di un club che accettasse la mia iscrizione" (G. Marx)
-

claudiocedrone
21,3k 4 7 9 - Master EY

- Messaggi: 15302
- Iscritto il: 18 gen 2012, 13:36
0
voti
Consumerebbe di meno... azz la dissipazione
niente, primo post da dimenticare 
Sì, col LED a tensione di rete è un po' un casino, si potrebbero usare due resistori da 33000 ohm 3 W in serie tanto un alta luminosità con 5 mA illumina la stanza
la dissipazione si ridurrebbe a 1,5 W?
La spia al neon consuma sei volte di meno...
Sì, col LED a tensione di rete è un po' un casino, si potrebbero usare due resistori da 33000 ohm 3 W in serie tanto un alta luminosità con 5 mA illumina la stanza
la dissipazione si ridurrebbe a 1,5 W?
La spia al neon consuma sei volte di meno...
"Non farei mai parte di un club che accettasse la mia iscrizione" (G. Marx)
-

claudiocedrone
21,3k 4 7 9 - Master EY

- Messaggi: 15302
- Iscritto il: 18 gen 2012, 13:36
0
voti
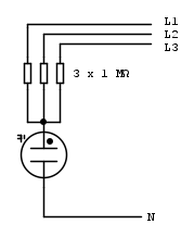
Una spia al neon risolverebbe più di un problema: funziona sia in continua che in alternata, consuma pochissimo e si accende a diverse decine di volt, per cui la resistenza di caduta sarebbe sottoposta a una tensione minore.
Uno schema di massima potrebbe essere questo:
Uno schema di massima potrebbe essere questo:
0
voti
Grazie a tutti.
Ho accennato al LED ma posso anche utilizzare la spia al neon, non c'e' problema, basta che si veda.
Lo schema mi ha chiarito le idee.
Quindi 3 resitenze da 1 MegaOhm (quanti W ?), una spia al neon e dovrei risolvere.
Non avro' problemi ad un ritorno di corrente da L1 a L2 o L3 tramite il neon?
Credo di no, perche' gli avvolgimenti a cui fanno capo dovrebbero essere isolati fra loro e il comando a rotazione alterna L1 a L2 o L3 (o dico una sciocchezza?)
Ho accennato al LED ma posso anche utilizzare la spia al neon, non c'e' problema, basta che si veda.
Lo schema mi ha chiarito le idee.
Quindi 3 resitenze da 1 MegaOhm (quanti W ?), una spia al neon e dovrei risolvere.
Non avro' problemi ad un ritorno di corrente da L1 a L2 o L3 tramite il neon?
Credo di no, perche' gli avvolgimenti a cui fanno capo dovrebbero essere isolati fra loro e il comando a rotazione alterna L1 a L2 o L3 (o dico una sciocchezza?)
-

Walter2026
0 2 - Messaggi: 5
- Iscritto il: 25 gen 2026, 13:11
0
voti
Nessun "ritorno di corrente" tranquillo, i resistori col neon vanno bene da 0,25 W.
"Non farei mai parte di un club che accettasse la mia iscrizione" (G. Marx)
-

claudiocedrone
21,3k 4 7 9 - Master EY

- Messaggi: 15302
- Iscritto il: 18 gen 2012, 13:36
26 messaggi
• Pagina 1 di 3 • 1, 2, 3
Chi c’è in linea
Visitano il forum: Nessuno e 89 ospiti

Elettrotecnica e non solo (admin)
Un gatto tra gli elettroni (IsidoroKZ)
Esperienza e simulazioni (g.schgor)
Moleskine di un idraulico (RenzoDF)
Il Blog di ElectroYou (webmaster)
Idee microcontrollate (TardoFreak)
PICcoli grandi PICMicro (Paolino)
Il blog elettrico di carloc (carloc)
DirtEYblooog (dirtydeeds)
Di tutto... un po' (jordan20)
AK47 (lillo)
Esperienze elettroniche (marco438)
Telecomunicazioni musicali (clavicordo)
Automazione ed Elettronica (gustavo)
Direttive per la sicurezza (ErnestoCappelletti)
EYnfo dall'Alaska (mir)
Apriamo il quadro! (attilio)
H7-25 (asdf)
Passione Elettrica (massimob)
Elettroni a spasso (guidob)
Bloguerra (guerra)



