Interessante.
Se ho capito bene, qualcosa di simile?
Accensione LED 220 V da tre linee alternativamente
Moderatori:
carloc,
g.schgor,
BrunoValente,
IsidoroKZ
26 messaggi
• Pagina 3 di 3 • 1, 2, 3
0
voti
- Allegati
-
- circuito.jpg (17.9 KiB) Osservato 826 volte
-

Walter2026
0 2 - Messaggi: 5
- Iscritto il: 25 gen 2026, 13:11
0
voti
Lo Schema corretto è quello con la Lampadina al Neon collegata aii 3 Resistori .
( consiglierei da 150kOhm, 0,5W per una buona visibilità ).
-
-
In effetti non costa niente provare se una Spia standard con unico Resistore in serie,
ad esempio attestata tra Posizione 2 e Neutro , si accenda anche nelle altre 2 Posizioni
del Selettore
( consiglierei da 150kOhm, 0,5W per una buona visibilità ).
-
claudiocedrone ha scritto:Però questo non è chiaro neanche a me :
se il commutatore smista in ogni posizione la medesima fase sui tre morsetti per i tre avvolgimenti la spia non è alimentata egualmente in ogni posizione? Cosa mi sfugge?
-
In effetti non costa niente provare se una Spia standard con unico Resistore in serie,
ad esempio attestata tra Posizione 2 e Neutro , si accenda anche nelle altre 2 Posizioni
del Selettore
0
voti
Walter2026 ha scritto:Interessante.
Se ho capito bene, qualcosa di simile?
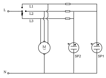
No, lo schema è il seguente:
I tre induttori in basso rappresentano gli avvolgimenti del motore.
Come puoi vedere, se alimenti L1 dai tensione a SP1 che si accende attraverso A2 che chiude verso il neutro.
Idem per L3 - SP2
Con L2, invece, alimenti sia SP1 che SP2, che si accendono contemporaneamente essendo chiuse verso il neutro da A1 e A3.
1
voti
Per mia esperienza i motori di quel tipo sono costruiti in questo modo
quindi basta una sola spia in parallelo all'avvolgimento primcipale quello della velocità maggiore.
quindi basta una sola spia in parallelo all'avvolgimento primcipale quello della velocità maggiore.
26 messaggi
• Pagina 3 di 3 • 1, 2, 3
Chi c’è in linea
Visitano il forum: Nessuno e 28 ospiti

Elettrotecnica e non solo (admin)
Un gatto tra gli elettroni (IsidoroKZ)
Esperienza e simulazioni (g.schgor)
Moleskine di un idraulico (RenzoDF)
Il Blog di ElectroYou (webmaster)
Idee microcontrollate (TardoFreak)
PICcoli grandi PICMicro (Paolino)
Il blog elettrico di carloc (carloc)
DirtEYblooog (dirtydeeds)
Di tutto... un po' (jordan20)
AK47 (lillo)
Esperienze elettroniche (marco438)
Telecomunicazioni musicali (clavicordo)
Automazione ed Elettronica (gustavo)
Direttive per la sicurezza (ErnestoCappelletti)
EYnfo dall'Alaska (mir)
Apriamo il quadro! (attilio)
H7-25 (asdf)
Passione Elettrica (massimob)
Elettroni a spasso (guidob)
Bloguerra (guerra)









