ciao e grazie per l'aiuto. Si, l'illuminazione funziona normalmente .
E confermo che con l'esperimento consigliato da ultimo, ossia sostituire un interruttore al sensore, la sirena non suona.
Riassumo quindi che il problema è rappresentato dal fatto che il sensore comanda correttamente la sirena quando intercetta un movimento nei paraggi, pero' non c'è modo di disabilitare il tutto tramite il telecomando.
Come tu proponi, posso verificare se c'è la fase in quel filo , ho tester e cercafase. Cerco di farlo subito oggi appena ho un attimo, perché poi stasera , porcaccia miseria, si rimette a piovere. .
Se devo verificare altro, dimmi pure .
Intanto,per la prova che mi hai suggerito, la farò con entrambe le posizioni del telecomando, per vedere se cambia qualcosa.
Io ricordo solo che l'elettricista a suo tempo mi disse che era necessario tenere sempre alimentato il sensore perché altrimenti ci potevano essere malfunzionamenti. Non so se è utile questo ricordo , ma so che è vero perché ricordo che passando vicino al sensore anche con il sistema spento, lui faceva " clic " impercettibile, quindi era attivo ; il telecomando interrompe l'alimentazione della sirena .
Sostituzione sensore PIR in sistema di allarme
44 messaggi
• Pagina 3 di 5 • 1, 2, 3, 4, 5
1
voti
Prego.indianajones3 ha scritto:ciao e grazie per l'aiuto. Si, l'illuminazione funziona normalmente .
E confermo che con l'esperimento consigliato da ultimo, ossia sostituire un interruttore al sensore, la sirena non suona.
Riassumo quindi che il problema è rappresentato dal fatto che il sensore comanda correttamente la sirena quando intercetta un movimento nei paraggi, pero' non c'è modo di disabilitare il tutto tramite il telecomando. (...)
Non ho letto il foglietto del sensore(di prima e di adesso) ma i PIR, se non erro, prevedono la segnalazione di rilevamento intrusione dando solo un impulso.
Per questo, ad ora, non escluderei la gestione di una sorta d'autoritenuta nella tua "scatola nera" che definisci come un quadro elettrico piccolo e pieno di roba abbastanza incasinato.
Riassumi, di nuovo, tutta la casistica(per sirena e illuminazione) e in base all'uso del radio comando.
Saluti
W - U.H.F.
-

WALTERmwp
30,2k 4 8 13 - G.Master EY

- Messaggi: 8986
- Iscritto il: 17 lug 2010, 18:42
- Località: le 4 del mattino
0
voti
ciao, ecco la " logica " di funzionamento se tutto è in ordine :
il telecomando ha due pulsanti, uno permette accensione e spegnimento di una lampada , l'altro permette che la presenza di persone rilevata dal sensore ( che è sempre attivo ) faccia suonare una sirena per un tempo prefissato.
il sensore precedente, un theben di cui all'inizio della chiacchierata ho pubblicato il foglietto istruzioni e alcune annotazioni a biro dell'elettricista, aveva 4 morsetti e tutti e 4 erano utilizzati ( infatti il cablaggio sul muro ha 4 fili racchiusi in un cavetto. Il nuovo sensore ha 3 fili : fase,neutro, segnale ( o ritorno ) che porta corrente solo quando il sensore è stato eccitato. In queste condizioni, collegando il sensore e cercando di indovinare con il tester dove c'è sempre la fase ed il neutro nel cablaggio, ho ottenuto il funzionamento fisso del sensore, ossia fa suonare la sirena ogni volta che segnala presenza nelle vicinanze. Invece il telecomando non fa nulla ( o meglio : funziona per quel che riguarda l'accensione e spegnimento della lampada ma non inibisce il suono della sirena quando invece vorrei che non suonasse, ossia quando ci sono io in cortile ). Infine dico che azionando il pulsante del telecomando relativo al sensore-sirena, dal quadro elettrico si sente un debole clic. E questo è tutto !
il telecomando ha due pulsanti, uno permette accensione e spegnimento di una lampada , l'altro permette che la presenza di persone rilevata dal sensore ( che è sempre attivo ) faccia suonare una sirena per un tempo prefissato.
il sensore precedente, un theben di cui all'inizio della chiacchierata ho pubblicato il foglietto istruzioni e alcune annotazioni a biro dell'elettricista, aveva 4 morsetti e tutti e 4 erano utilizzati ( infatti il cablaggio sul muro ha 4 fili racchiusi in un cavetto. Il nuovo sensore ha 3 fili : fase,neutro, segnale ( o ritorno ) che porta corrente solo quando il sensore è stato eccitato. In queste condizioni, collegando il sensore e cercando di indovinare con il tester dove c'è sempre la fase ed il neutro nel cablaggio, ho ottenuto il funzionamento fisso del sensore, ossia fa suonare la sirena ogni volta che segnala presenza nelle vicinanze. Invece il telecomando non fa nulla ( o meglio : funziona per quel che riguarda l'accensione e spegnimento della lampada ma non inibisce il suono della sirena quando invece vorrei che non suonasse, ossia quando ci sono io in cortile ). Infine dico che azionando il pulsante del telecomando relativo al sensore-sirena, dal quadro elettrico si sente un debole clic. E questo è tutto !
-

indianajones3
48 2 - New entry

- Messaggi: 79
- Iscritto il: 3 nov 2021, 13:31
1
voti
forse ho capito: al vecchio sensore PIR arrivavano fase, neutro, segnale e una fase interrotta da un relè comandato dal telecomando per escludere la sirena. Hai due possibilità:
- o modifichi il nuovo sensore staccando il contatto del relè interno dalla fase
- oppure fai pilotare al nuovo sensore un relè aggiuntivo SPST e colleghi i due poli del contatto normalmente aperto ai fili della fase comandata e segnale
- o modifichi il nuovo sensore staccando il contatto del relè interno dalla fase
- oppure fai pilotare al nuovo sensore un relè aggiuntivo SPST e colleghi i due poli del contatto normalmente aperto ai fili della fase comandata e segnale
-

SediciAmpere
4.187 5 5 8 - Master

- Messaggi: 4847
- Iscritto il: 31 ott 2013, 15:00
0
voti
ciao a tutti , sono riuscito solo ora a fare il test come suggerito da Waltermwp :
il filo giallo ha sempre la fase.
l'altro che ha la fase è il marrone, ma solo quando il telecomando dà il consenso .
il filo giallo ha sempre la fase.
l'altro che ha la fase è il marrone, ma solo quando il telecomando dà il consenso .
Ultima modifica di
indianajones3 il 13 feb 2026, 21:27, modificato 2 volte in totale.
-

indianajones3
48 2 - New entry

- Messaggi: 79
- Iscritto il: 3 nov 2021, 13:31
0
voti
SediciAmpere ha scritto:forse ho capito: al vecchio sensore PIR arrivavano fase, neutro, segnale e una fase interrotta da un relè comandato .....
Ciao SediciAmpere, tengo conto della tua ipotesi , proporrei di aspettare anche le considerazioni di Walterwmp, anche perché delle tue 2 soluzioni la prima forse sarei in grado di attuarla, l'altra ho già problemi a capire cosa sia un sensore con quella sigla.
Però approfitto , a livello di chiacchiera, per azzardare una soluzione alternativa da praticone : io a casa ho il wfi e ho visto che il segnale arriva bene in tutto il cortile. Non potrei sfruttare, eventualmente, un apparecchio tipo quelle prese comandate dal wifi che vedo in vendita nei negozi di materiale elettrico? in sintesi, la fase sarebbe, come adesso , sotto la gestione del sensore e il neutro sotto alla presa wifi. Credo possa funzionare.
-

indianajones3
48 2 - New entry

- Messaggi: 79
- Iscritto il: 3 nov 2021, 13:31
1
voti
indianajones3 ha scritto:il filo giallo ha sempre la fase.
l'altro che ha la fase è il marrone, ma solo quando il telecomando dà il consenso .
Conferma ma lia ipotesi
La seconda soluzione è quella più semplice di tutte da realizzare, più semplice della presa wi-fi
-

SediciAmpere
4.187 5 5 8 - Master

- Messaggi: 4847
- Iscritto il: 31 ott 2013, 15:00
0
voti
ciao, nel frattempo ho letto qualcosa in rete e ho rispolverato qualche ricordo. Il relè citato è , diciamo, quello basilare, ossia quando gli entra corrente chiude un contatto. Quindi la sua bobina dovrebbe avere corrente solo quando il telecomando da l'ok ( quindi i due contatti della bobina vanno collegati ad un neutro e alla fase che c'è e non c'è a seconda della posizione del pulsante telecomando ). Di conseguenza, gli altri due contatti sarebbero quelli che danno continuità alla fase che va alla sirena. E' giusto? scusate il linguaggio poco tecnico ma quel poco che so lo so solo per esperimenti fatti nel tempo ...
-

indianajones3
48 2 - New entry

- Messaggi: 79
- Iscritto il: 3 nov 2021, 13:31
0
voti
Un argomento così lungo per non capire che l'unica soluzione è che tu prenda un sensore a 4 fili come da schema postato da StefanoSunda.
Con un sensore a 3 fili, o sai modificare tu l'impianto o chiami qualcuno che sa farlo
Con un sensore a 3 fili, o sai modificare tu l'impianto o chiami qualcuno che sa farlo
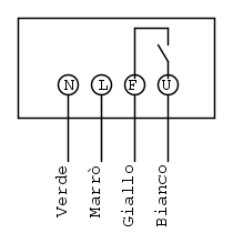
StefanoSunda ha scritto:Lo schema RCV è il nuovo sensore? Il sensore lo usi solo per allarme, oppure anche illuminazione? In base ai colori del tuo elettricista forse si può far qualcosa.
Se esiste il ponte tra L e F lo devi togliere. collegalo così, fai sapere.
-

gabrisav
1.852 2 4 7 - Expert EY

- Messaggi: 1711
- Iscritto il: 13 set 2015, 18:26
- Località: Borgosatollo (Bs)
44 messaggi
• Pagina 3 di 5 • 1, 2, 3, 4, 5
Torna a Costruzione, riparazione, riutilizzo
Chi c’è in linea
Visitano il forum: Nessuno e 40 ospiti

Elettrotecnica e non solo (admin)
Un gatto tra gli elettroni (IsidoroKZ)
Esperienza e simulazioni (g.schgor)
Moleskine di un idraulico (RenzoDF)
Il Blog di ElectroYou (webmaster)
Idee microcontrollate (TardoFreak)
PICcoli grandi PICMicro (Paolino)
Il blog elettrico di carloc (carloc)
DirtEYblooog (dirtydeeds)
Di tutto... un po' (jordan20)
AK47 (lillo)
Esperienze elettroniche (marco438)
Telecomunicazioni musicali (clavicordo)
Automazione ed Elettronica (gustavo)
Direttive per la sicurezza (ErnestoCappelletti)
EYnfo dall'Alaska (mir)
Apriamo il quadro! (attilio)
H7-25 (asdf)
Passione Elettrica (massimob)
Elettroni a spasso (guidob)
Bloguerra (guerra)