Sostituzione sensore PIR in sistema di allarme
44 messaggi
• Pagina 4 di 5 • 1, 2, 3, 4, 5
0
voti
gabrisav ha scritto:Un argomento così lungo per non capire che l'unica soluzione è che tu prenda un sensore a 4 fili come da schema postato da StefanoSunda.
Con un sensore a 3 fili, o sai modificare tu l'impianto o chiami qualcuno che sa farlo
ciao. Intanto se scrivo su questo forum è perché voglio capire ed imparare da voi , mi sembra ovvio.
Secondariamente, io abito in aperta campagna. Non è semplice come dirlo, trovare al giorno d'oggi un elettricista che mi venga a fare un lavoro del genere . Fra l'altro , ne sto cercando uno da tempo per altri motivi e sono piu introvabili di idraulici decenti.
Ma, torno all'origine, sono qui per imparare. Del resto una buona fetta di sensori in vendita sono a tre fili e se posso adattare questo mio, preferisco. Anche perché costa la metà . E non durano piu di 4 o 5 anni.
Questo è il mio pensiero, capisco che sia criticabile.
-

indianajones3
48 2 - New entry

- Messaggi: 79
- Iscritto il: 3 nov 2021, 13:31
0
voti
gabrisav ha scritto:Nessun problema, ma la soluzione è stata data già nelle prime risposte
su questo hai tutta ragione. Se ritenete che i miei quesiti e dubbi siano fuori posto in un forum di esperti, basta dirlo, capisco benissimo e non disturberò più . Senza problemi , fatemi sapere.
-

indianajones3
48 2 - New entry

- Messaggi: 79
- Iscritto il: 3 nov 2021, 13:31
0
voti
Per andare avanti serve foto della morsettiera, centralina, dove sono collegati i fili che interessano il crepuscolare, colori fili in partenza, arrivo colori sul sensore se sono diretti (se c’è lungo tragito connessioni dove cambino i colori lo devi far sapere, se no non si risolve il problema. Certamente c’è confusione tra telecomando e luce. Se non si capisce questo possiamo restare sino a Pasqua (quando è Pasqua?).
-

StefanoSunda
2.880 3 6 10 - Master

- Messaggi: 1962
- Iscritto il: 16 set 2010, 19:29
0
voti
ok, appena ho un attimo libero e si puo' uscire di casa senza pinne, procedo con quel che mi dici. Pasqua non ho idea di quando sia ( non sono la persona giusta a cui chiederlo
) . La centralina la fotografo ma preferirei non aprirla ancora, solo perché dentro c'è un groviglio tale di fili che la foto sarebbe di scarso aiuto, senza estrarli dalla scatola. Pero' faro'' una documentazione piu' che posso chiara. I fili, ti dico già, non cambiano colore nel tragitto perché sono dentro a cavetti. Grazie . Credo di aver quasi capito come far funzionare il tutto ma se riesco ad evitare uno scoppio+ incendio come conseguenza dell'accensione dell'impianto... lo preferisco.
-

indianajones3
48 2 - New entry

- Messaggi: 79
- Iscritto il: 3 nov 2021, 13:31
0
voti
SediciAmpere ha scritto:indianajones3 ha scritto:il filo giallo ha sempre la fase.
l'altro che ha la fase è il marrone, ma solo quando il telecomando dà il consenso .
Conferma ma lia ipotesi
La seconda soluzione è quella più semplice di tutte da realizzare, più semplice della presa wi-fi
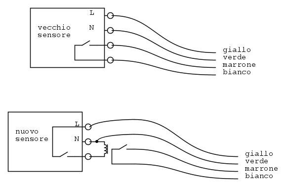
spero che lo schema sia abbastanza chiaro, ti serve un relè o un contattore con bobina a 230Vac e collegherai la bobina al sensore (al posto della lampadina da comandare), ai contatti del relè collegherai i fili marrone e bianco, vedrai che così funziona
-

SediciAmpere
4.187 5 5 8 - Master

- Messaggi: 4847
- Iscritto il: 31 ott 2013, 15:00
1
voti
ciao e soprattutto grazie per il tempo che dedichi alle mie domande straordinariamente ottuse..
Se ho capito bene specialmente lo schema a basso, il filo bianco è quello che porta la fase alla sirena , giusto?
nello schema manca solo il filo rosso, o meglio c'è ma non è indicato il suo colore : è l'uscita del segnale del sensore, ossia una fase, ed è sotto al neutro del sensore.
il sensore è sempre alimentato , quando rileva un movimento manda la sua fase ( se è il termine giusto) nel relè , ma il contatto relativo è aperto se io non ho autorizzato passaggio di corrente nel marrone col telecomando e quindi questa corrente non puo' arrivare alla sirena . Penso sia così . Bellissimo !!
grazie ancora. Ci rifletto un po' su .
Sbaglio se dico che attaccando il marrone al bianco ( senza installare il sensore nel circuito) avrei la sirena che suona quando aziono il telecomando?
Se ho capito bene specialmente lo schema a basso, il filo bianco è quello che porta la fase alla sirena , giusto?
nello schema manca solo il filo rosso, o meglio c'è ma non è indicato il suo colore : è l'uscita del segnale del sensore, ossia una fase, ed è sotto al neutro del sensore.
il sensore è sempre alimentato , quando rileva un movimento manda la sua fase ( se è il termine giusto) nel relè , ma il contatto relativo è aperto se io non ho autorizzato passaggio di corrente nel marrone col telecomando e quindi questa corrente non puo' arrivare alla sirena . Penso sia così . Bellissimo !!
grazie ancora. Ci rifletto un po' su .
Sbaglio se dico che attaccando il marrone al bianco ( senza installare il sensore nel circuito) avrei la sirena che suona quando aziono il telecomando?
-

indianajones3
48 2 - New entry

- Messaggi: 79
- Iscritto il: 3 nov 2021, 13:31
1
voti
indianajones3 ha scritto:Sbaglio se dico che attaccando il marrone al bianco ( senza installare il sensore nel circuito) avrei la sirena che suona quando aziono il telecomando?
Corretto (a meno che non abbiamo preso qualche svista sui colori, ma spero di no)
-

SediciAmpere
4.187 5 5 8 - Master

- Messaggi: 4847
- Iscritto il: 31 ott 2013, 15:00
0
voti
indianajones3 ha scritto:
nello schema manca solo il filo rosso, o meglio c'è ma non è indicato il suo colore : è l'uscita del segnale del sensore, ossia una fase, ed è sotto al neutro del sensore.
È quello in basso
-

SediciAmpere
4.187 5 5 8 - Master

- Messaggi: 4847
- Iscritto il: 31 ott 2013, 15:00
1
voti
ciao a tutti , purtroppo sono ancora bloccato coi lavori... impegni familiari , maltempo e un esperimento che sto facendo con una stufa pirolitica (dimostrazione tremenda della differenza fra teoria e messa in pratica) mi obbligano a rinviare la riparazione. Intanto ringrazio tutti per il preziosissimo aiuto. E' un piacere imparare cose nuove da chi ha profonda conoscenza della materia e soprattutto esperienza sul campo. Fra qualche giorno spero di poter metter mano all'impianto e , fra l'altro , mandare le foto richieste
-

indianajones3
48 2 - New entry

- Messaggi: 79
- Iscritto il: 3 nov 2021, 13:31
44 messaggi
• Pagina 4 di 5 • 1, 2, 3, 4, 5
Torna a Costruzione, riparazione, riutilizzo
Chi c’è in linea
Visitano il forum: Nessuno e 47 ospiti

Elettrotecnica e non solo (admin)
Un gatto tra gli elettroni (IsidoroKZ)
Esperienza e simulazioni (g.schgor)
Moleskine di un idraulico (RenzoDF)
Il Blog di ElectroYou (webmaster)
Idee microcontrollate (TardoFreak)
PICcoli grandi PICMicro (Paolino)
Il blog elettrico di carloc (carloc)
DirtEYblooog (dirtydeeds)
Di tutto... un po' (jordan20)
AK47 (lillo)
Esperienze elettroniche (marco438)
Telecomunicazioni musicali (clavicordo)
Automazione ed Elettronica (gustavo)
Direttive per la sicurezza (ErnestoCappelletti)
EYnfo dall'Alaska (mir)
Apriamo il quadro! (attilio)
H7-25 (asdf)
Passione Elettrica (massimob)
Elettroni a spasso (guidob)
Bloguerra (guerra)

