sequenza luci pilotata n vie

Elettronica lineare e digitale: didattica ed applicazioni

Moderatori: Foto Utentecarloc, Foto Utenteg.schgor, Foto UtenteBrunoValente, Foto UtenteIsidoroKZ

Avatar utente
Foto Utentetokarev
0 2
Messaggi: 11
Iscritto il: 23 gen 2010, 16:10
Contatta:
0
voti

[1] sequenza luci pilotata n vie

Messaggioda Foto Utentetokarev » 23 gen 2010, 21:05

Un cordiale saluto a tutti.
Mi sono iscritto da poco e questo è il mio primo post.
Confesso, per onestà di essermi iscritto per motivi utilitaristici non riuscendo a trovare diversamente una soluzione (forse anche perché, essendo completamente a digiuno di elettronica, manco del lessico fondamentale, cosa che si traduce in una notevole difficolta a trovare risposte su internet.
Spero quindi che vogliate perdonarmi se, forse, il tema fosse già stato affrontato o se le mie indicazioni circa ciò che voglio realizzare fossero imprecise.


Problema:

- accensione di due o più utilizzatori in sequenza pilotata da pulsante con un solo utilizzatore acceso ad ogni passo

tensione in ingresso 12vcc
tensione all'utilizzatore: ininfluente (verrebbero usati relè comuni)
assorbimento dell'utilizzatore: ininfluente per lo stesso motivo

limite: NO relè passo-passo (costo e difficoltà di reperimento qualora fossero necessarie dimensioni particolari o particolarmente contenute)

limite2: il sistema dovrebbe essere modulare (slegato dal numero degli utilizzatori, idealmente si dovrebbe poter replicare la stessa “cellula” di base n volte per asservire n utilizzatori)

campo di applicazione: illuminazione automobilistica e camper.

Giuro che non ho bevuto... Se vi appaio piuttosto confuso è solo perché sono ignorante (non ne vado fiero ma non posso risolvere questo stato in tempi ragionevolmente brevi) :mrgreen:

Avatar utente
Foto Utenteg.schgor
57,8k 9 12 13
G.Master EY
G.Master EY
Messaggi: 16971
Iscritto il: 25 ott 2005, 9:58
Località: MILANO
Contatta:
0
voti

[2] Re: sequenza luci pilotata n vie

Messaggioda Foto Utenteg.schgor » 23 gen 2010, 22:44

Il problema sembra facilmente risolvibile con un integrato CMOS,
il 4017 (vedi descrizione),
ma ovviamente richiede una certa conoscenza dell'elettronica (che dichiari
di non avere).
Come pensi di fare? hai qualche amico che se ne intende e può aiutarti?

Avatar utente
Foto Utentetokarev
0 2
Messaggi: 11
Iscritto il: 23 gen 2010, 16:10
Contatta:
0
voti

[3] Re: sequenza luci pilotata n vie

Messaggioda Foto Utentetokarev » 24 gen 2010, 8:38

Innanzitutto grazie per la risposta.
Guarderò sicuramente le specifiche dell'integrato che mi hai cortesemente indicato (spero di capirci qualcosa).
Per quanto attiene alla realizzazione pratica pur non avendo conoscenze di elettronica ho già realizzato (per altri) circuiti stampati (un amico mi incaricava a volte di "riprogettare" stampati per circuiti che andavano inseriti in posizioni "critiche"). Saldare non è un problema.
Grazie.

Avatar utente
Foto Utenteg.schgor
57,8k 9 12 13
G.Master EY
G.Master EY
Messaggi: 16971
Iscritto il: 25 ott 2005, 9:58
Località: MILANO
Contatta:
0
voti

[4] Re: sequenza luci pilotata n vie

Messaggioda Foto Utenteg.schgor » 24 gen 2010, 9:01

Non si tratta solo di "saldare".
La realizzazione di un circuito elettronico non è un meccano in cui
basta piazzare i componenti al posto giusto. Se non c'è la comprensione
di ciò che si sta facendo, si rischia di perdere tempo o peggio di
distruggere componenti.

Siamo disponibili per dare aiuto alla comprensione, se però c'è la
volontà d'imparare. Sei d'accordo?

Se sì, dovresti precisare da quanti "passi" vuoi cominciare e che
tipo di carichi vuoi inserire a ciascun passo.

Avatar utente
Foto Utentetokarev
0 2
Messaggi: 11
Iscritto il: 23 gen 2010, 16:10
Contatta:
0
voti

[5] Re: sequenza luci pilotata n vie

Messaggioda Foto Utentetokarev » 24 gen 2010, 10:17

sono d'accordo...

inizialmente partirei da 4 passi, 3 utilizzatori

1 off/off/off
2 off/off/on (11W su 12V)
3 off/on/off (11W su 12V)
4 on/off/off (22W su 12V)
(per il passo 4 prevedo un carico doppio in quanto lo utilizzerei, con opportuna disposizione di diodi, per ottenere, anzichè on/off/off, una configurazione off/on/on ottenendo un comportamento come quello di un relè passo-passo su due utilizzatori)

Avatar utente
Foto Utenteg.schgor
57,8k 9 12 13
G.Master EY
G.Master EY
Messaggi: 16971
Iscritto il: 25 ott 2005, 9:58
Località: MILANO
Contatta:
0
voti

[6] Re: sequenza luci pilotata n vie

Messaggioda Foto Utenteg.schgor » 24 gen 2010, 16:40

Bene!
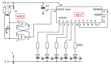
Allora direi di incominciare a provare questo circuito
ComPassi.GIF
ComPassi.GIF (7.33 KiB) Visto 2110 volte

E' composto da 2 integrati della serie CMOS 4000,
da un pulsante a doppio contatto (o di scambio), da
alcuni LED (che saranno poi sostituiti da transistor per
pilotare i relè di controllo carichi) e da resistenze varie.
L'alimentazione è prevista con una batteria da 9V.

Suggerirei di utilizzare una breadboard oppure, se si
impiega una scheda millefori, degli zoccoli (in modo da
recuperare rapidamente gli integrati, dopo la prova).

Per la spiegazione del circuito dovrebbe bastare quanto
illustrato nel riferimento del post precedente, ma se c'è
qualche domanda, chiedi pure.

Avatar utente
Foto Utentetokarev
0 2
Messaggi: 11
Iscritto il: 23 gen 2010, 16:10
Contatta:
0
voti

[7] Re: sequenza luci pilotata n vie

Messaggioda Foto Utentetokarev » 24 gen 2010, 18:01

Grazie mille...
Se ho ben capito posso anche diminuire/aumentare i led (osservando la sequenza degli output del 4017) a patto di ricordarmi di mettere sempre l'ultimo output(dopo l'ultimo led) collegato al reset.
Credo che seguirò il tuo consiglio e mi procurerò una breadboard per i primi esperimenti a 9v... per adeguarlo ai 12v c'è sempre tempo... e poi, giustamente... meglio fare una cosa per volta... :)

Grazie mille di nuovo...

Una domanda... a che serve il 4093? qual è la ragione per cui non si può utilizzare direttamente il pulsante sul pin 14 del 4017?
Per te sarà una cosa ovvia ma per me no... e vorrei capire...

Avatar utente
Foto Utenteg.schgor
57,8k 9 12 13
G.Master EY
G.Master EY
Messaggi: 16971
Iscritto il: 25 ott 2005, 9:58
Località: MILANO
Contatta:
0
voti

[8] Re: sequenza luci pilotata n vie

Messaggioda Foto Utenteg.schgor » 24 gen 2010, 18:05

tokarev ha scritto:vorrei capire...

Giustissimo. Vedi il paragrafo "circuito antirimbalzo" qui

Avatar utente
Foto Utentetokarev
0 2
Messaggi: 11
Iscritto il: 23 gen 2010, 16:10
Contatta:
0
voti

[9] Re: sequenza luci pilotata n vie

Messaggioda Foto Utentetokarev » 24 gen 2010, 19:50

vediamo... se ho capito...
diversamente da un pulsante applicato direttamente... questo circuito latch s-r non fornisce l'uscita nel momento in cui il pulsante è premuto ma quando, rilasciato, torna in posizione iniziale... o no?

Avatar utente
Foto Utenteg.schgor
57,8k 9 12 13
G.Master EY
G.Master EY
Messaggi: 16971
Iscritto il: 25 ott 2005, 9:58
Località: MILANO
Contatta:
0
voti

[10] Re: sequenza luci pilotata n vie

Messaggioda Foto Utenteg.schgor » 24 gen 2010, 21:08

No. Nelle condizioni del disegno, si ha uno "0" sul pin 5 che forza a "1" l'uscita 4.
Poiché vi è un "1" anche sul pin 2, l'uscita 3 è a "0".

Se ora si preme il pulsante, la situazione cambia solo quando il pin 2 diventa "0"
(cioè si chiude l'altro contatto), forzando ad "1" l'uscita 3 (e questo fa avanzare
di un passo il 4017).
Rilasciando il pulsante, l'uscita 3 torna a "0" solo quando questo è tornato nella
posizione di partenza.

Si vede quindi che il SR-FlipFlop, produce un solo impulso ogni volta che viene
premuto il pulsante (evitando la possibilità che i rimbalzi meccanici di questo
provochino una serie di falsi impulsi)


Torna a “Elettronica generale”