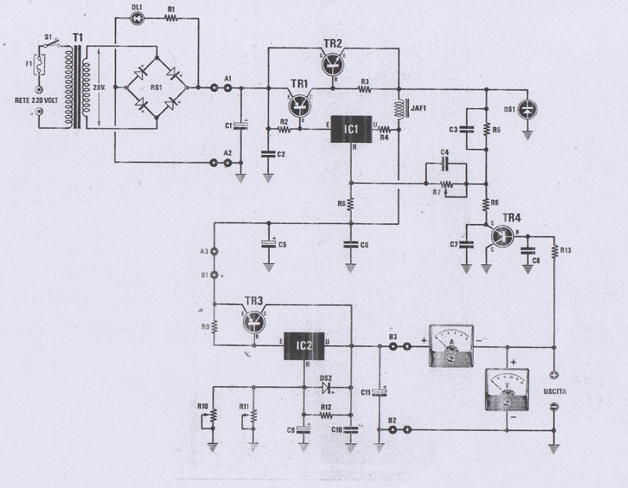
Ho trovato su una vecchia rivista lo schema che allego (scusate la qualita' dell'immagine ma la rivista e' stata alluvionata!) e che
mi farebbe comodo realizzare.[img][/img]
Parte dei componenti risulta poco leggibile ma ho ricavato, almeno per la sezione di preregolazione ( quella in alto,per intendersi)
i seguenti valori: C1-4700uF 63V, C2-100kpf, C3-100pf,10kpf,C5-1000uF 50V,C6-100kpf,C7-1uF,C8-10kpf--R2-22 1/2W,R3-100 1/2W,R4-0.1 1/2W,R5-82k 1/4W,R6-220 1/4W,R7-1000,R8-100 1/4W,R13-4700 1/4--TR1-BD240,TR2-BDY90,TR4-BC328-- DS1-BYW29.La parte relativa a JAF1 e' illeggibile.L'integrato regolatore e' LM317.
Per la parte relativa all'alimentatore vero e proprio posso arrangiarmi da solo: mi pare che lo schema sia il solito.
Qualcuno puo' aiutarmi a ricavare il mancante? E cosa ne pensate dello schema.
Sono riuscito a capire che il preregolatore sarebbe in grado di fornire all'alimentatore una tensione di circa 3V superiore a quella necessaria onde non surriscaldare il finale ed evitare dissipazione.
Ringrazio anticipatamente.
Al.lineare con preregolatore di tensione
Moderatori:
carloc,
g.schgor,
BrunoValente,
IsidoroKZ
0
voti
Ciao,
premetto che tale alimentatore non l'ho realizzato, è di Nuova Elettronica di tanti anni fa, secondo me non ha avuto molto successo: con gli switching ad alta frequenze, si ottengono delle tensioni stabilizzatesenza ricorrere al secondo stadio stabilizzatore. Realizzarlo oggi sarebbe abbastanza...anacronistico (è solo una mia opinione) .
premetto che tale alimentatore non l'ho realizzato, è di Nuova Elettronica di tanti anni fa, secondo me non ha avuto molto successo: con gli switching ad alta frequenze, si ottengono delle tensioni stabilizzatesenza ricorrere al secondo stadio stabilizzatore. Realizzarlo oggi sarebbe abbastanza...anacronistico (è solo una mia opinione) .
0
voti
Capisco il tuo punto di vista ma a me farebbe comodo usare il preregolatore in accoppiata con alimentatori gia' in mio possesso
ottenendo un buon risultato ( se il circuito e' valido! ) con poca spesa.
ottenendo un buon risultato ( se il circuito e' valido! ) con poca spesa.
marco
0
voti
Alimentatore con tensione in uscita da 2 V a 30V , 7A.
R1=2200
-1/4 W, R2= 22
-1/2W, R3 =180
-1/2W, R4= 0,1
-1/2W, R5= 82K
-1/4W, R6= 220
-1/4W, R7= 1000
trimmer, R8 =100
-1/4W, R9 =22
-1/2W, R10= 10 000
pot.lin., R11= 100K
trimmer, R12= 220
-1/4W, R13= 4700
-1/4W,
C1= 4700
elettr 50 V, C2 =100 000
poliestere, C3= 100
a disco, C4= 10 000
poliestere, C5= 1000
elettr 50 V ,C6= 100 000
poliestere, C7= 1
poliestere ,C8= 10 000
poliestere, C9= 100
elettr 25 V, C10= 100 000
poliestere, C11= 220
elettr 50 V,
DS1= diodo BYW29
DS2= diodo 1N4007
DL1= diodo led
JAF1= impedenza VK822
TR1=BD240 TR2 BDY 90 TR3= MJ2955 TR4=BC328 IC1= LM317 IC2= LM317 RS1= ponte raddr. 200 V 20 A =
T1= trasformatore primario 230 volt sec 28 V 8 A
V=voltmetro 30 Vfs
A= amperometro 10 A fs
F1= fusibile 1,6A
S1=interruttore
R1=2200
-1/4 W, R2= 22
-1/2W, R3 =180
-1/2W, R4= 0,1
-1/2W, R5= 82K
-1/4W, R6= 220
-1/4W, R7= 1000
trimmer, R8 =100
-1/4W, R9 =22
-1/2W, R10= 10 000
pot.lin., R11= 100K
trimmer, R12= 220
-1/4W, R13= 4700
-1/4W,C1= 4700
elettr 50 V, C2 =100 000
poliestere, C3= 100
a disco, C4= 10 000
poliestere, C5= 1000
elettr 50 V ,C6= 100 000
poliestere, C7= 1
poliestere ,C8= 10 000
poliestere, C9= 100
elettr 25 V, C10= 100 000
poliestere, C11= 220
elettr 50 V,DS1= diodo BYW29
DS2= diodo 1N4007
DL1= diodo led
JAF1= impedenza VK822
TR1=BD240 TR2 BDY 90 TR3= MJ2955 TR4=BC328 IC1= LM317 IC2= LM317 RS1= ponte raddr. 200 V 20 A =
T1= trasformatore primario 230 volt sec 28 V 8 A
V=voltmetro 30 Vfs
A= amperometro 10 A fs
F1= fusibile 1,6A
S1=interruttore
0
voti
Ti ringrazio per l'esauriente risposta.
Ho ancora un paio di domande pero' : che impedenza e' quella indicata come VK822? secondo il tuo punto di vista il circuito e' valido?
Ho cercato in rete dai fornitori di materiali ma VK822 risulta sconociuta.
Ho ancora un paio di domande pero' : che impedenza e' quella indicata come VK822? secondo il tuo punto di vista il circuito e' valido?
Ho cercato in rete dai fornitori di materiali ma VK822 risulta sconociuta.
marco
0
voti
non credo sia facile trovarla in commercio, in quanto rientra in quei particolari componenti dimensionati per il progetto stesso, quindi credo che solamente NE potrebbe fornirtela, altri dettagli non li ho, i componenti ed il relativo progetto li ho trovati su di un Testo di Elettronica, che non offre molte indicazioni se non che si tratta di un induttanza su nucleo toroidale,potresti provare a sentire NE in merito, la rivista del progetto è la numero 114/115.
0
voti
Pur essendo uno schema abbastanza datato,non credo che svolga male il suo compito, anche leggendo quanto riportato nel testo rassicura sulle prestazioni di questo circuito:
"IC1 realizza un regolatore switching di preregolazione, che impone alla tensione di ingresso al secondo regolatore IC2 un valore sempre superiore di 3V a quello di uscita, ottenendo così il vantaggio di bassa dissipazione dei regolatori in commutazione, con una migliore stabilizzazione ed un basso ripple dei regolatori lineari."
per una analisi piu' approfondita, lascerei spazio ad illustri interventi..
"IC1 realizza un regolatore switching di preregolazione, che impone alla tensione di ingresso al secondo regolatore IC2 un valore sempre superiore di 3V a quello di uscita, ottenendo così il vantaggio di bassa dissipazione dei regolatori in commutazione, con una migliore stabilizzazione ed un basso ripple dei regolatori lineari."
per una analisi piu' approfondita, lascerei spazio ad illustri interventi..
Chi c’è in linea
Visitano il forum: Nessuno e 78 ospiti

Elettrotecnica e non solo (admin)
Un gatto tra gli elettroni (IsidoroKZ)
Esperienza e simulazioni (g.schgor)
Moleskine di un idraulico (RenzoDF)
Il Blog di ElectroYou (webmaster)
Idee microcontrollate (TardoFreak)
PICcoli grandi PICMicro (Paolino)
Il blog elettrico di carloc (carloc)
DirtEYblooog (dirtydeeds)
Di tutto... un po' (jordan20)
AK47 (lillo)
Esperienze elettroniche (marco438)
Telecomunicazioni musicali (clavicordo)
Automazione ed Elettronica (gustavo)
Direttive per la sicurezza (ErnestoCappelletti)
EYnfo dall'Alaska (mir)
Apriamo il quadro! (attilio)
H7-25 (asdf)
Passione Elettrica (massimob)
Elettroni a spasso (guidob)
Bloguerra (guerra)


LX 822 rivista n. 114 del 1987