Cos'è ElectroYou | Login Iscriviti

ElectroYou - la comunità dei professionisti del mondo elettrico

sensore a piastra resistiva

Elettronica lineare e digitale: didattica ed applicazioni

Moderatori: Foto Utentecarloc, Foto Utenteg.schgor, Foto UtenteBrunoValente, Foto UtenteIsidoroKZ

0
voti

[1] sensore a piastra resistiva

Messaggioda Foto Utenteeclisse » 19 mag 2010, 17:16

vi ringrazio per la vostra pazienza, purtroppo di elettronica non ne capisco granchè e non ho uno scanner a portata di mano per inserire schemi.
Per essere più chiaro su http://www.futuraelettronica.it e trovando FT549k si vede il circuito della stazione meteo solo così vi posso far vedere lo schema.
In pratica dovrei sintetizzarlo al solo sensore pioggia(RN01).con attivazione immediata.
grazie :lol:
Avatar utente
Foto Utenteeclisse
26 1 5
Stabilizzato
Stabilizzato
 
Messaggi: 353
Iscritto il: 5 apr 2010, 11:32

0
voti

[2] Re: sensore a piastra resistiva

Messaggioda Foto UtenteAleArdu » 19 mag 2010, 17:21

eclisse ha scritto:vi ringrazio per la vostra pazienza, purtroppo di elettronica non ne capisco granchè e non ho uno scanner a portata di mano per inserire schemi.
Per essere più chiaro su http://www.futuraelettronica.it e trovando FT549k si vede il circuito della stazione meteo solo così vi posso far vedere lo schema.
In pratica dovrei sintetizzarlo al solo sensore pioggia(RN01).con attivazione immediata.
grazie :lol:

ma che lo fai apposta?!?!? #-o

DEVI postare TUTTO in UNA UNICA DISCUSSIONE. :mrgreen: mica puoi aprire discussioni per rispondere ad un'altra discussione! #-o
devi fare click sul pulsante con scritto RISPONDI alla fine dei masssaggi dentro la discussione. capito?



Edit davidde: eclisse fai come ti ha detto AleArdu. Evita tassativamente di aprire anche solo un altro topic riguardante questo argomento. Se non ottieni le risposte che cerchi è perché fai domande poco sensate e non rispondi a chi ti vorrebbe aiutare.
Avatar utente
Foto UtenteAleArdu
5 2 5
Frequentatore
Frequentatore
 
Messaggi: 247
Iscritto il: 3 set 2009, 18:55

0
voti

[3] Re: sensore a piastra resistiva

Messaggioda Foto Utentedavidde » 19 mag 2010, 17:36

Eclisse, ho sbloccato questo argomento perché è quello nel quale hai descritto meglio quello che vuoi ottenere.

Prosegui in questo topic.
Avatar utente
Foto Utentedavidde
13,3k 4 9 12
G.Master EY
G.Master EY
 
Messaggi: 4026
Iscritto il: 2 ago 2007, 11:40
Località: Bologna

0
voti

[4] Re: sensore a piastra resistiva

Messaggioda Foto Utenteeclisse » 19 mag 2010, 17:43

ok grazie. :D
Avatar utente
Foto Utenteeclisse
26 1 5
Stabilizzato
Stabilizzato
 
Messaggi: 353
Iscritto il: 5 apr 2010, 11:32

0
voti

[5] Re: sensore a piastra resistiva

Messaggioda Foto Utentedavidde » 19 mag 2010, 19:39

Allora, iniziamo.

Comicio con alcune domande alle quali dovresti rispondere:

1- Come hai intenzione di alimentare il circuito, tramite una batteria oppure dalla presa di casa ?

2- Il relé d' uscita deve commutare appena una goccia lo bagna e tornare a riposo appena il sensore si asciuga oppure deve essere temporizzato ?

3-Cosa deve comandare il relé, un carico che assorbe tanto oppure un' altro circuito elettronico ?
Avatar utente
Foto Utentedavidde
13,3k 4 9 12
G.Master EY
G.Master EY
 
Messaggi: 4026
Iscritto il: 2 ago 2007, 11:40
Località: Bologna

0
voti

[6] Re: sensore a piastra resistiva

Messaggioda Foto Utenteeclisse » 19 mag 2010, 19:48

1 alimentazione per prova sto utilizzando un trasformatore ma nel circuito vero devo usare una batteria.
2 va bene come hai scritto
3 deve alimentare un motoriduttore :D

scusa la 2 va bene ma non deve essere temporizzato
Avatar utente
Foto Utenteeclisse
26 1 5
Stabilizzato
Stabilizzato
 
Messaggi: 353
Iscritto il: 5 apr 2010, 11:32

0
voti

[7] Re: sensore a piastra resistiva

Messaggioda Foto Utentedavidde » 19 mag 2010, 20:04

1- Che tensione avrà la batteria, 12V ?

2-Il trasformatore che stai usando ora cosa ha scritto sopra ? Cioè la sua uscita (dove prendi l' alimentazione per il circuito) è continua (cc) o alternata (ca) ? Che valore di tensione ha ?

3- Il motoriduttore a che tensione lo alimenti, sempre 12V presi dalla stessa batteria ?
Avatar utente
Foto Utentedavidde
13,3k 4 9 12
G.Master EY
G.Master EY
 
Messaggi: 4026
Iscritto il: 2 ago 2007, 11:40
Località: Bologna

0
voti

[8] Re: sensore a piastra resistiva

Messaggioda Foto Utenteeclisse » 19 mag 2010, 20:16

1 si a 12v
2 type: ty-320 pri:ac220v 50/60hz sec:contin e alter 3-12v 400mA tensioni di casa 220 V
3 si

come batteria mi era stata consigliata una NP 21-12 al piombo.


buongiorno :) se occorre ho anche i dati del motoriduttore. :P
Avatar utente
Foto Utenteeclisse
26 1 5
Stabilizzato
Stabilizzato
 
Messaggi: 353
Iscritto il: 5 apr 2010, 11:32

0
voti

[9] Re: sensore a piastra resistiva

Messaggioda Foto Utentedavidde » 20 mag 2010, 10:33

Ciao,
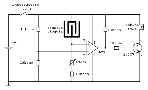
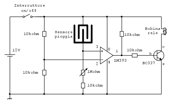
ti posto un semplicissimo schema che dovrebbe funzionare ma non conoscendo a fondo come si comporta il sensore di pioggia potrebbero essere necessarie alcune modifiche. Ti conviene perciò costruire il circuito in veste sperimentale su basetta millefori per poterci lavorare sopra nel caso non funzionasse come vorresti.



- Il relé deve avere una bobina che funziona a 12V dc e una portata dei contatti sufficiente, se mi dici i dati del motoriduttore posso essere più preciso.

- Le resistenze e il trimmer (che è il componente da 1Mohm) devono essere da 1/4 W.

- L' integrato è un comunissimo comparatore LM393, se non sei pratico con il saldatore ti conviene montarlo sull' apposito zoccolo e inserirlo soltanto a saldatura conclusa, altrimenti rischi di danneggiarlo per il troppo calore.

- Attenzione perché questo circuito NON provvede a staccare il carico quando la batteria è scarica e perciò dovrai verificare tu la tensione ai morsetti e ricaricare la batteria quando sarà necessario.

Fammi sapere se ti servono altre delucidazioni...
Avatar utente
Foto Utentedavidde
13,3k 4 9 12
G.Master EY
G.Master EY
 
Messaggi: 4026
Iscritto il: 2 ago 2007, 11:40
Località: Bologna

0
voti

[10] Re: sensore a piastra resistiva

Messaggioda Foto Utenteeclisse » 20 mag 2010, 11:16

ciao :D motoriduttore: tens. nom. 12vdc rapp.rid. 43,3:1 coppia: 3,8Ncm velocità coppia massima: 40rpm
velocità senza carico: 60rpm consumo coppia mass:50mA cons. senza carico: <<20mA
lung.:41mm diam.est.:27mm peso: circa55g a 5 fili in uscita :1) + 2)- 3)marrone vcc hall 4)verde GND 5)blu o.c. npn.
1Mhom deve essere da 1a4w o da 1:4w.
Sto usando un relè della Finder cod:55.34.8.012.0054 12v ac 7A 250v simbolo alternata a 4 contatti.
L'uso della batteria, per il suo uso finale, volevo utilizzare l'energia solare per avere la carica sempre costante e vorrei metterci questi componenti :pannello solare STP 05M regolatore di carica reg sol unc2 batt. NP21-12 poi se c'è qualcosa di meglio e meno costoso meglio ancora.
La basetta millefori c'è bisogno solo di saldare i componenti o devo creare piste o qualcosaltro?Scusa la mia ingnoranza ma dall'ultima volta che ho fatto una basetta sono passati 20anni :lol: .
Ti ringrazio per la tua disponibilità il circuito è molto semplice lo proverò al più presto.
Avatar utente
Foto Utenteeclisse
26 1 5
Stabilizzato
Stabilizzato
 
Messaggi: 353
Iscritto il: 5 apr 2010, 11:32

Prossimo

Torna a Elettronica generale

Chi c’è in linea

Visitano il forum: Nessuno e 79 ospiti