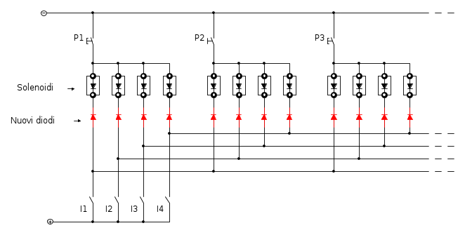
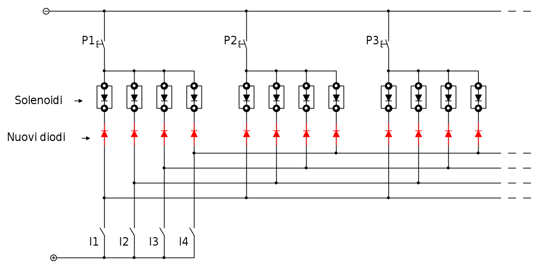
Quello che osservi è normale: la corrente circola anche negli altri solenoidi che si ritrovano collegati in serie tra positivo e negativo a coppie di due.
Per ovviare all'inconveniente dovresti montare in serie ad ogni solenoide un diodo come ho rappresentato nello schema che segue (parte in rosso).
Puoi utilizzare degli 1N4004: li puoi acquistare in grandi quantità, costano poco, li trovi anche da RS
Occhio al verso: la linea stampata sul corpo del diodo corrisponde al lato con la linea (non la freccia) sullo schema.
Molta attenzione a non invertire il verso dei solenoidi: il diodo montato sul solenoide diventa un cortocircuito e potrebbe bruciarsi
schema per organo pneumatico
Moderatori:
carloc,
g.schgor,
BrunoValente,
IsidoroKZ
0
voti
maefe01 ha scritto:ho provato ad invertire la polarità ma non funziona niente penso per il diodo che ha ogni solenoide
Se abiti vicino a me, vengo personalmente a metterlo a posto
Per usare proficuamente un simulatore, bisogna sapere molta più elettronica di lui
Plug it in - it works better!
Il 555 sta all'elettronica come Arduino all'informatica! (entrambi loro malgrado)
Se volete risposte rispondete a tutte le mie domande
Plug it in - it works better!
Il 555 sta all'elettronica come Arduino all'informatica! (entrambi loro malgrado)
Se volete risposte rispondete a tutte le mie domande
0
voti
Posso chiederti dove sei riuscito a procurarti le canne?
le canne di legno le ho fatte io (registro di flauto/bordone/subbasso)
adesso sto iniziando il registro di tromba per il pedale
quelle di metallo le ho prese negli anni durante i miei viaggi di lavoro in europa
Se abiti vicino a me, vengo personalmente a metterlo a posto , poi pero` me lo fai suonare!
beh, io abito a groppello d'adda - milano
se lo vuoi suonare, prima bisogna sistemare i collegamenti elettrici anche se la parte meccanica funziona benissimo.
purtroppo il caldo eccessivo mi impedisce di intonare le canne
dovrò aspettare almeno settembre
0
voti
ho bisogno di aiuto o di nuove idee.
ho smontato l'impianto.
ho isolato due gruppi da 12 solenoidi a simulare due registri.
ho unito i solenoidi con un filo di rame in serie dal lato della tacchetta bianca del diodo a fare il positivo
poi a ciascun solenoide ho attaccato un filo a fare il negativo
poi con un mammuth ho unito due fili alla volta per accoppiare due solenoidi
mettendo la corrente al positivo e con il negativo andando a chiudere il circuito ho notato che per alcuni mi si eccita solo il solenoide collegato al positivo e per altri mi si eccita anche quello non collegato.
ho notato che se prendo un filo di un solenoide alimentato e lo unisco RANDOM agli altri non alimentati, alcuni si eccitano e altri no
cosa sta succedendo?
per favore, datemi dei consigli.
ho smontato l'impianto.
ho isolato due gruppi da 12 solenoidi a simulare due registri.
ho unito i solenoidi con un filo di rame in serie dal lato della tacchetta bianca del diodo a fare il positivo
poi a ciascun solenoide ho attaccato un filo a fare il negativo
poi con un mammuth ho unito due fili alla volta per accoppiare due solenoidi
mettendo la corrente al positivo e con il negativo andando a chiudere il circuito ho notato che per alcuni mi si eccita solo il solenoide collegato al positivo e per altri mi si eccita anche quello non collegato.
ho notato che se prendo un filo di un solenoide alimentato e lo unisco RANDOM agli altri non alimentati, alcuni si eccitano e altri no
cosa sta succedendo?
per favore, datemi dei consigli.
0
voti
Ma l'hai letto quello che ti ho scritto ieri all'intervento [31]?
-

BrunoValente
39,6k 7 11 13 - G.Master EY

- Messaggi: 7796
- Iscritto il: 8 mag 2007, 14:48
0
voti
Se non ti è chiaro cosa succede provo a spiegartelo:
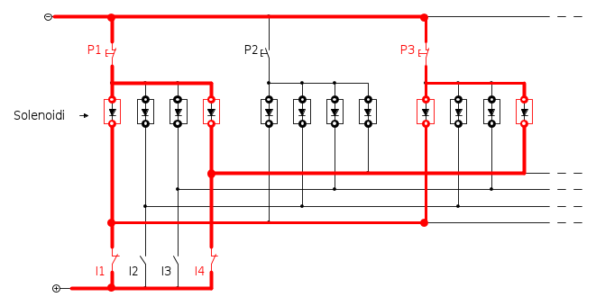
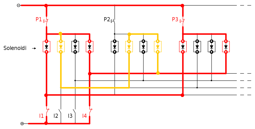
nello schema che segue, dove sono premuti i tasti P1 e P3 e sono inseriti i registri I1 e I4, ho segnato in rosso il percorso della corrente e i solenoidi che si dovrebbero eccitare se tutto funzionasse bene.
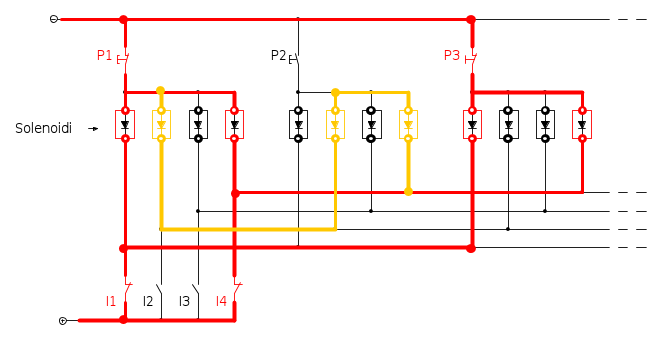
In quest'altro schema ho aggiunto in giallo uno degli altri percorsi indesiderati della corrente che purtroppo si vengono a creare e si vede chiaramente che sono interessati il secondo solenoide sotto P1 e il secondo e il terzo solenoide sotto P2.
Il secondo solenoide sotto P2 è attraversato al contrario dalla corrente e quindi il diodo fa da cortocircuito, invece il secondo solenoide sotto P1 e il terzo solenoide sotto P2 sono attraversati correttamente dalla corrente e si ritrovano collegati in serie tra - e + e quindi si eccitano con mezza tensione: 6V sono sufficienti ad eccitarli.
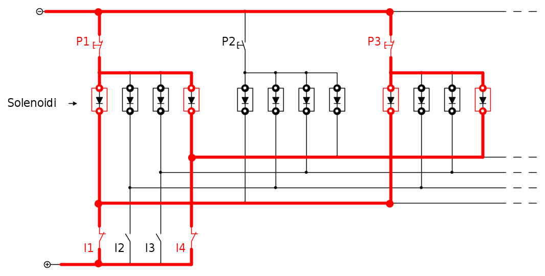
Se hai capito il meccanismo puoi facilmente individuare altri percorsi anomali della corrente in quest'ultimo schema, non li ho segnati tutti solo per evitare di ingarbugliarlo ma ci sono e quindi l'arcano è spiegato.
Monta i diodi che ti ho detto e vedrai che tutto andrà a posto, oppure invita Isidoro a casa tua che forse è meglio
nello schema che segue, dove sono premuti i tasti P1 e P3 e sono inseriti i registri I1 e I4, ho segnato in rosso il percorso della corrente e i solenoidi che si dovrebbero eccitare se tutto funzionasse bene.
In quest'altro schema ho aggiunto in giallo uno degli altri percorsi indesiderati della corrente che purtroppo si vengono a creare e si vede chiaramente che sono interessati il secondo solenoide sotto P1 e il secondo e il terzo solenoide sotto P2.
Il secondo solenoide sotto P2 è attraversato al contrario dalla corrente e quindi il diodo fa da cortocircuito, invece il secondo solenoide sotto P1 e il terzo solenoide sotto P2 sono attraversati correttamente dalla corrente e si ritrovano collegati in serie tra - e + e quindi si eccitano con mezza tensione: 6V sono sufficienti ad eccitarli.
Se hai capito il meccanismo puoi facilmente individuare altri percorsi anomali della corrente in quest'ultimo schema, non li ho segnati tutti solo per evitare di ingarbugliarlo ma ci sono e quindi l'arcano è spiegato.
Monta i diodi che ti ho detto e vedrai che tutto andrà a posto, oppure invita Isidoro a casa tua che forse è meglio
-

BrunoValente
39,6k 7 11 13 - G.Master EY

- Messaggi: 7796
- Iscritto il: 8 mag 2007, 14:48
0
voti
grazie per la vostra pazienza.
ho montato i solenoidi come da schema ma poi la corrente non arriva +
evidentemente li ho montati al contrario (la tacchetta bianca era rivolta al solenoide)
questa sera provo a invertirli e vediamo cosa succede
ho montato i solenoidi come da schema ma poi la corrente non arriva +
evidentemente li ho montati al contrario (la tacchetta bianca era rivolta al solenoide)
questa sera provo a invertirli e vediamo cosa succede
Chi c’è in linea
Visitano il forum: Nessuno e 167 ospiti

Elettrotecnica e non solo (admin)
Un gatto tra gli elettroni (IsidoroKZ)
Esperienza e simulazioni (g.schgor)
Moleskine di un idraulico (RenzoDF)
Il Blog di ElectroYou (webmaster)
Idee microcontrollate (TardoFreak)
PICcoli grandi PICMicro (Paolino)
Il blog elettrico di carloc (carloc)
DirtEYblooog (dirtydeeds)
Di tutto... un po' (jordan20)
AK47 (lillo)
Esperienze elettroniche (marco438)
Telecomunicazioni musicali (clavicordo)
Automazione ed Elettronica (gustavo)
Direttive per la sicurezza (ErnestoCappelletti)
EYnfo dall'Alaska (mir)
Apriamo il quadro! (attilio)
H7-25 (asdf)
Passione Elettrica (massimob)
Elettroni a spasso (guidob)
Bloguerra (guerra)




