schema per organo pneumatico
Moderatori:
carloc,
g.schgor,
BrunoValente,
IsidoroKZ
1
voti

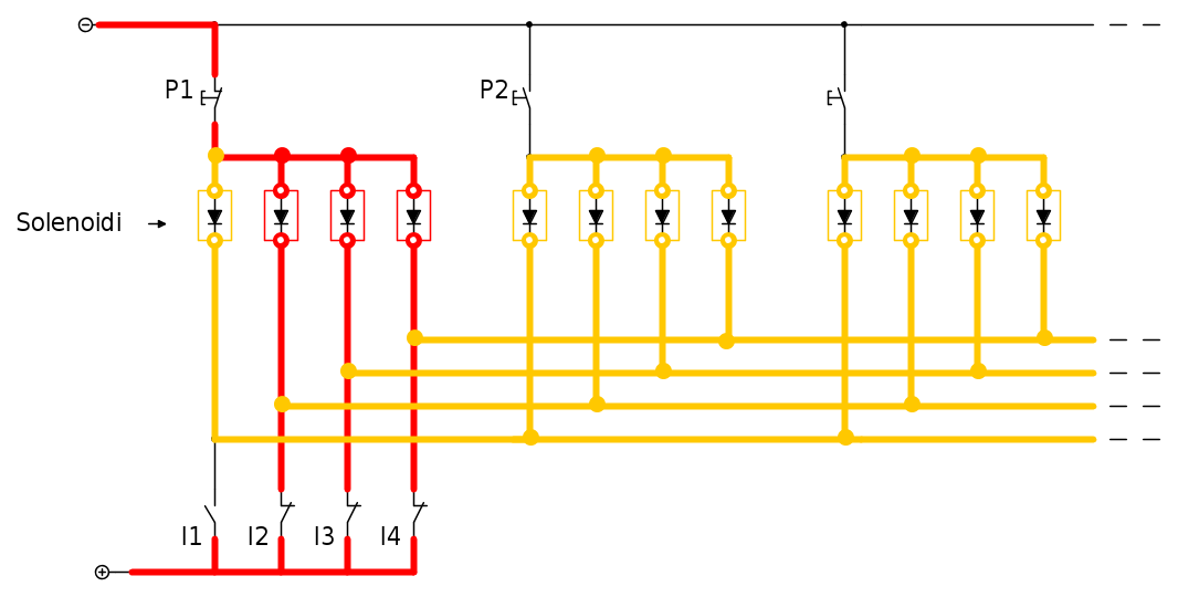
guardando lo schema (ma adesso non sono a casa e quindi sto solo teorizzando) prendo atto del fatto che la corrente va anche ai solenoidi non interessati.
nel mio caso, con riferimento allo schema se premo il tasto P1 e ho aperto I1 mi si eccitano TUTTI quelli collegati a P1 e non P2/P3.....
così se premo P4 con I4 aperto mi si eccitano tutti quelli collegati con P4
(quindi se premo il tasto DO mi suonano tutti i DO e così via)
quindi riferendomi al mio caso lo schema sarebbe solo semplificativo in quanto in giallo andrebbero evidenziati i solenoidi collegati a P1 e/o P4
giusto?
0
voti
maefe01 ha scritto:con riferimento allo schema se premo il tasto P1 e ho aperto I1 mi si eccitano TUTTI quelli collegati a P1 e non P2/P3.....
così se premo P4 con I4 aperto mi si eccitano tutti quelli collegati con P4
se hai I1 aperto ( e lo sono anche gli altri I) i solenoidi nello schema indicato non hanno alcun riferimento positivo, quindi non potranno attivarsi.
0
voti
e invece no!
mi spiace insistere.
ammetto che non mi intendo di elettronica
ma quello che noto, ed è strano, mi si eccitano i solenoidi della nota interessata (P1 P2 P3 ecc) ANCHE SE NON SONO ALIMENTATI DAL POSITIVO ma hanno solo il negativo unito.
mi spiace insistere.
ammetto che non mi intendo di elettronica
ma quello che noto, ed è strano, mi si eccitano i solenoidi della nota interessata (P1 P2 P3 ecc) ANCHE SE NON SONO ALIMENTATI DAL POSITIVO ma hanno solo il negativo unito.
0
voti
maefe01 ha scritto:... mi si eccitano i solenoidi della nota interessata (P1 P2 P3 ecc) ANCHE SE NON SONO ALIMENTATI DAL POSITIVO ma hanno solo il negativo unito.
un momento..
dunque un solenoide si eccita (o energizza che dir si voglia) con il solo positivo di alimentazione,e l'altro terminale, non collegato al negativo rispettivo di alimentazione; allora sono io che non mi intendo di elettronica..
PS non per mettere in dubbio il circuito che hai realizzato,forse un'immagine molto dettagliata del circuito,(o di una parte non funzionante) potrebbe aiutraci a verificarne la correttezza, nei collegamenti e nel funzionamento.
Ultima modifica di
mir il 7 lug 2010, 17:20, modificato 1 volta in totale.
0
voti
maefe01 ha scritto:[..]
nel mio caso, con riferimento allo schema se premo il tasto P1 e ho aperto I1 mi si eccitano TUTTI quelli collegati a P1 e non P2/P3.....[..]
I2,I3 ed I4 come sono? aperti o chiusi?
0
voti
maefe01 ha scritto:...nel mio caso, con riferimento allo schema se premo il tasto P1 e ho aperto I1 mi si eccitano TUTTI quelli collegati a P1 e non P2/P3.....
così se premo P4 con I4 aperto mi si eccitano tutti quelli collegati con P4
(quindi se premo il tasto DO mi suonano tutti i DO e così via)
quindi riferendomi al mio caso lo schema sarebbe solo semplificativo in quanto in giallo andrebbero evidenziati i solenoidi collegati a P1 e/o P4
giusto?
Dovresti sforzarti di essere più chiaro nelle tue descrizioni: "...nel mio caso, con riferimento allo schema se premo il tasto P1 e ho aperto I1..." e I2,I3,I4 come sono? Cosa intendi per aperto? Non vorrei che ti stessi esprimendo al contrario come spesso accade a chi non si intende di schemi elettrici. Lo sai che con "aperto" si intende "interrotto", cioè che la corrente non passa?
Quindi ti pregherei di spiegarti meglio cercando di essere preciso e meticoloso così che tutti possiamo essere sicuri di discutere della stessa cosa.
Se invece ti stai esprimendo correttamente e cioè intendi dire che premi P1 con I1 aperto (cioè interrotto) e I2, I3 e I4 chiusi (cioè in conduzione) allora è normale che le cose vadano come dici tu: si eccitano i quattro solenoidi sotto P1 e gli altri no.
Speravo fosse sufficiente la mia precedente spiegazione ma evidentemente non è così: ti ho fatto notare che i percorsi indesiderati della corrente che si vengono a creare sono molti e io ne ho disegnato uno solo nella precedente discussione.
Qui di seguito c'è lo schema relativo alla condizione con P1 premuto, I1 aperto (cioè interrotto) e I2, I3 e I4 chiusi (cioè in conduzione) dove ho riportato tutti i percorsi indesiderati relativi ai primi dodici solenoidi ma se sono collegati anche altri solenoidi coinvolge anche quelli.
E' normale che si eccitino solo i quattro sotto P1 perché tutti gli altri finiscono in parallelo tra loro a coppie di due in serie e tutto il parallelo di queste coppie finisce in serie al primo relè sotto P1 che si eccita. Tutti gli altri relè coinvolti non si eccitano perché, essendo molti in parallelo, fanno cadere su di loro tensioni molto basse e quindi insufficienti ad eccitarli.
Ti ripeto per l'ennesima volta: MONTA I DIODI!
-

BrunoValente
39,6k 7 11 13 - G.Master EY

- Messaggi: 7796
- Iscritto il: 8 mag 2007, 14:48
0
voti
ho girato i diodi e invertito la polarità seguendo lo schema e....
TUTTO FUNZIONA ALLA MERAVIGLIA
un grazie per la pazienza che avete dimostrato con me.
quando avrò finito il tutto sarete i primi a vedere lo strumento definitivo
(non ho altro modo per ringraziarVi)
TUTTO FUNZIONA ALLA MERAVIGLIA
un grazie per la pazienza che avete dimostrato con me.
quando avrò finito il tutto sarete i primi a vedere lo strumento definitivo
(non ho altro modo per ringraziarVi)
0
voti
maefe01 ha scritto:[..]
(non ho altro modo per ringraziarVi)
Te ne suggerisco uno: ci fai un bell'articolo per ElectroYOU!
Una bella storia sulla nascita di un organo pneumatico.
0
voti
volentieri se può interessare qualcuno
adesso finisco il cablaggio (visto come parlo bene?) dei solenoidi e poi faccio delle foto che posterò.
pensa che lo scorso anno nell'occasione della festa patronale ho esposto la parte dell'organo costruita con il sistema meccanico (circa 400 canne perfettamente funzionante e una settimana di lavoro tra smontarlo a casa mia e rimontarlo nella villa arcivescovile sede della mostra) e il più bel commento che ho sentito era sul genere "...non hai proprio di meglio da fare"
dopo tre giorni, a mostra ancora in corso ho smontato tutto ed è finita li.
adesso finisco il cablaggio (visto come parlo bene?) dei solenoidi e poi faccio delle foto che posterò.
pensa che lo scorso anno nell'occasione della festa patronale ho esposto la parte dell'organo costruita con il sistema meccanico (circa 400 canne perfettamente funzionante e una settimana di lavoro tra smontarlo a casa mia e rimontarlo nella villa arcivescovile sede della mostra) e il più bel commento che ho sentito era sul genere "...non hai proprio di meglio da fare"
dopo tre giorni, a mostra ancora in corso ho smontato tutto ed è finita li.
Chi c’è in linea
Visitano il forum: Nessuno e 208 ospiti

Elettrotecnica e non solo (admin)
Un gatto tra gli elettroni (IsidoroKZ)
Esperienza e simulazioni (g.schgor)
Moleskine di un idraulico (RenzoDF)
Il Blog di ElectroYou (webmaster)
Idee microcontrollate (TardoFreak)
PICcoli grandi PICMicro (Paolino)
Il blog elettrico di carloc (carloc)
DirtEYblooog (dirtydeeds)
Di tutto... un po' (jordan20)
AK47 (lillo)
Esperienze elettroniche (marco438)
Telecomunicazioni musicali (clavicordo)
Automazione ed Elettronica (gustavo)
Direttive per la sicurezza (ErnestoCappelletti)
EYnfo dall'Alaska (mir)
Apriamo il quadro! (attilio)
H7-25 (asdf)
Passione Elettrica (massimob)
Elettroni a spasso (guidob)
Bloguerra (guerra)



