domani vado dal prof e vedo come vorebbe che si procedesse.
Moderatori:
g.schgor,
IsidoroKZ
kinge162 ha scritto:
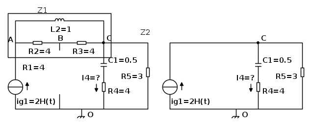
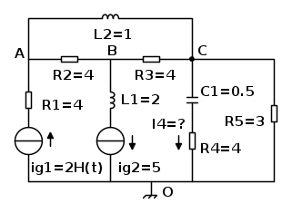
Butterfly ha scritto:Usando il metodo alle maglie, posso dire che la corrente della terza maglia, ovveroè pari a
? mi è stato detto di no,perché?

Butterfly ha scritto:Volendo risolvere questa seconda parte con il metodo delle correnti ai nodi anziché con le maglie, come sarebbe stato il sistema di equazioni? ve lo chiedo perché ho trovato difficoltà nello scriverle..
BTW:
a) ... ricorda che non serve trasformare i lati con Norton
b) ... non capisco comunque perché risolvere completamente la rete quando viene richiesta solo la corrente nel ramo del condensatore; si farebbe prima con Thevenin; sia la Eeq(s) sia la Zeq(s) sarebbero veramente facili da determinare !
c) ... ma questo è davvero un problema dato all'esame ?
d) ... se NON fosse imposta la risoluzione con Laplace, la soluzione sarebbe veramente immediata![]()
e) ...... cosa e dove studiate ? Grazie
non riesco a capire cosa sia questo "-1"
indica la funzione gradino, che vale 0 per t<0 e 1 per t>0.Butterfly ha scritto:non riesco a capire cosa sia questo "-1"
quello è solamente un pedice...indica la funzione gradino, che vale 0 per t<0 e 1 per t>0.
Butterfly ha scritto:a)in che senso?
![\left\{ \begin{align}
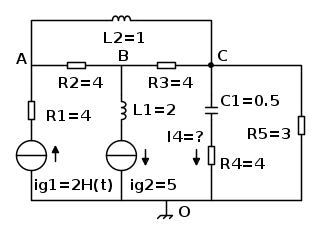
& I_{g1}+\frac{V_{B}-V_{A}}{R_{2}}+\frac{V_{C}-[V_{A}-L_{2}i_{2}(0-)]}{sL_{2}}=0 \\
& \frac{V_{A}-V_{B}}{R_{2}}-I_{g2}+\frac{V_{C}-V_{B}}{R_{3}}=0 \\
& -I_{g1}+I_{g2}+\frac{V_{C}-\frac{V_{C1}(0-)}{s}}{\frac{1}{sC_{1}}+R_{4}}+\frac{V_{C}}{R_{5}}=0 \\
\end{align} \right. \left\{ \begin{align}
& I_{g1}+\frac{V_{B}-V_{A}}{R_{2}}+\frac{V_{C}-[V_{A}-L_{2}i_{2}(0-)]}{sL_{2}}=0 \\
& \frac{V_{A}-V_{B}}{R_{2}}-I_{g2}+\frac{V_{C}-V_{B}}{R_{3}}=0 \\
& -I_{g1}+I_{g2}+\frac{V_{C}-\frac{V_{C1}(0-)}{s}}{\frac{1}{sC_{1}}+R_{4}}+\frac{V_{C}}{R_{5}}=0 \\
\end{align} \right.](/forum/latexrender/pictures/2086a452976a03742afd296a36c63523.png)
e poi si antitrasforma.
che e` proprio il partitore di corrente di cui parlavo prima.
![i_{4}(t)=\mathcal{L}^{-1}[I_{4}(s)]=\frac{6\,}{7}e^{-\frac{2\,t}{7}} i_{4}(t)=\mathcal{L}^{-1}[I_{4}(s)]=\frac{6\,}{7}e^{-\frac{2\,t}{7}}](/forum/latexrender/pictures/5329cea4112e5d2da731b92b375e7dc0.png)
Torna a Elettrotecnica generale
Visitano il forum: Nessuno e 21 ospiti