da
RenzoDF » 11 set 2010, 19:19
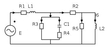
Il problema richiede di calcolare E ? ... e DEVI usare Thevenin ?
... se comunque vuoi usare Helmholtz-Thévenin dovresti spiegarci per bene come intendi procedere.
BTW tolta L2, se vuoi calcolare tutta l'impedenza equivalente vista dai suoi morsetti (sconsigliabile per la complicazione di calcolo che ne deriva), R2 ed R5 NON sono in serie !

----------------------------------------------------------------------------------------
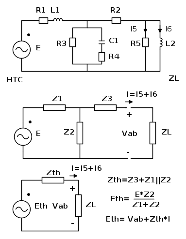
Per ricavare l'HTC io seguirei la seguente strada
In sostanza, nota Vab=jXL2*I6 ed I=I6+Vab/R5, potremo risalire ad Eth e da questa ad E !