Salve a tutti, sono 1 nuova utente..
Colgo l'occasione per chiedervi 1 aiutino x la risoluzione di un circuito in regime sinusoidale...
XXXX
Vi ringrazio in anticipo =D
Circuito a regime sinusoidale
Moderatori:
carloc,
g.schgor,
BrunoValente,
IsidoroKZ
14 messaggi
• Pagina 1 di 2 • 1, 2
0
voti
0
voti
ridimensiona e riposta il disegno per favore ... Grazie 
... della serie chi fa da se fa per tre
ti chiedo ... cosa hai provato a fare per risolverlo ?
BTW dove e cosa studi ?
... della serie chi fa da se fa per tre
ti chiedo ... cosa hai provato a fare per risolverlo ?
BTW dove e cosa studi ?
"Il circuito ha sempre ragione" (Luigi Malesani)
0
voti
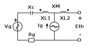
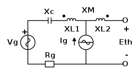
Ho ridimensionato l'immagine..penso ke adesso sia più leggibile..
Ho cercato di risolverlo con Thevenin e col teorema di max trasferimento d potenza ottenendo come risultato R=4/3 e P=58.59...
Ma nn sono sicura d aver fatto tutti i passaggi giusti...
La ringrazio anticipatamente x l'attenzione... attendo sue conferme
Ho cercato di risolverlo con Thevenin e col teorema di max trasferimento d potenza ottenendo come risultato R=4/3 e P=58.59...
Ma nn sono sicura d aver fatto tutti i passaggi giusti...
La ringrazio anticipatamente x l'attenzione... attendo sue conferme
- Allegati
-
- circuito 1ritocco.jpg (30.54 KiB) Osservato 9458 volte
0
voti
Prima ho applicato Thevenin.
Ovvero ho considerato il circuito del testo sostituendo R con 1 circuito aperto.
A questo punto ho calcolato x prima cosa la Zth come resistenza equivalente al circuito con generatori indip. spenti.
Ho spento il g.di tensione sostituendolo con 1 corto circuito e il gen.d corrente con 1 circuito aperto.
Il circuito così ottenuto è composto da XC,Rg,Xl1 in serie tra loro e al tempo stesso in parallelo con XL2.
quindi:
Zth=(-2+2+4)//2= 4//2=(4*2)/(4+2)
x il calcolo della tensione a vuoto Vth ho avuto qualche difficoltà...
Ovvero ho considerato il circuito del testo sostituendo R con 1 circuito aperto.
A questo punto ho calcolato x prima cosa la Zth come resistenza equivalente al circuito con generatori indip. spenti.
Ho spento il g.di tensione sostituendolo con 1 corto circuito e il gen.d corrente con 1 circuito aperto.
Il circuito così ottenuto è composto da XC,Rg,Xl1 in serie tra loro e al tempo stesso in parallelo con XL2.
quindi:
Zth=(-2+2+4)//2= 4//2=(4*2)/(4+2)
x il calcolo della tensione a vuoto Vth ho avuto qualche difficoltà...
0
voti
LittleIng ha scritto:Ovvero ho considerato il circuito del testo sostituendo R con 1 circuito aperto.
ok
LittleIng ha scritto:A questo punto ho calcolato x prima cosa la Zth come resistenza equivalente al circuito con generatori indip. spenti.
ok
LittleIng ha scritto:Ho spento il g.di tensione sostituendolo con 1 corto circuito e il gen.d corrente con 1 circuito aperto.
ok
LittleIng ha scritto:Il circuito così ottenuto è composto da XC,Rg,Xl1 in serie tra loro e al tempo stesso in parallelo con XL2.
NO, XL2 non è in parallelo ma ancora in serie a XC,Rg,XL1!
LittleIng ha scritto:quindi: Zth=(-2+2+4)//2= 4//2=(4*2)/(4+2)
NO, a parte il precedente errore, non puoi trattare le resistenze e le reattanze usando il loro solo modulo
vedo pero' che non leggi tutto quello che scrivo
"Il circuito ha sempre ragione" (Luigi Malesani)
0
voti
Studio Ingegneria gestionale a Palermo 
Quindi con quell'errore ho sbagliato poi tutti i successivi calcoli?
Quindi con quell'errore ho sbagliato poi tutti i successivi calcoli?
0
voti
" NO, a parte il precedente errore, non puoi trattare le resistenze e le reattanze usando il loro solo modulo "
Quindi come dovrei calcolare Zth ?
Quindi come dovrei calcolare Zth ?
1
voti
LittleIng ha scritto:" NO, a parte il precedente errore, non puoi trattare le resistenze e le reattanze usando il loro solo modulo "
Quindi come dovrei calcolare Zth ?
devi calcolarla usando le impedenze, ovvero i numeri complessi;
per il condensatore l'impedenza sara' Zc=-j2 per il mutuo induttore avrai XL1=j2, XL2=j2 e XM=j; ma, mentre il contributo di C e Rg all'mpedenza sara' semplicemente 4-j2, il problema che devi risolvere è calcolare l'impedenza presentata da un mutuo induttore in configurazione "serie contrapposta"; ti ricordi come si fa?
... ti do un aiuto
con

l'impedenza sara' quindi pari a

e successivamente

lascio a te il calcolo
"Il circuito ha sempre ragione" (Luigi Malesani)
1
voti
Visto che LittleIng è sparita, completo io l'analisi del circuito.
Per l'impedenza del mutuo induttore bastera' sostituire le espressioni di V1 e di V2 del sistema nella

e visto il circuito
ricavare l'impedenza equivalente come

ottenendo un risultato puramente ohmmico, che ci permette di dare un'immediata risposta al primo quesito; per avere il massimo trasferimento di potenza, servira' un "adattamento energetico" e dovremo semplicemente avere

(piu' difficile sarebbe risultata la soluzione nel caso di Zeq non puramente resistiva, in quanto non avremo potuto supporre un bipolo ohmico reattivo di impedenza pari alla coniugata di Zeq, visto il vincolo della sola R)
Per rispondere al secondo quesito dobbiamo ricavare o la tensione equivalente o la corrente di cortocircuito ai morsetti; in questo caso particolare è piu' semplice determinare Eth
sempre ricordando le relazioni sul mutuo induttore, visto che I1=-Ig, potremo riscriverle come

bastera' a questo punto una semplice KVL per calcolare

e disegnare il circuito equivalente di Helmholtz-Thevenin.
La potenza su R sara' pari a

Per l'impedenza del mutuo induttore bastera' sostituire le espressioni di V1 e di V2 del sistema nella

e visto il circuito
ricavare l'impedenza equivalente come

ottenendo un risultato puramente ohmmico, che ci permette di dare un'immediata risposta al primo quesito; per avere il massimo trasferimento di potenza, servira' un "adattamento energetico" e dovremo semplicemente avere

(piu' difficile sarebbe risultata la soluzione nel caso di Zeq non puramente resistiva, in quanto non avremo potuto supporre un bipolo ohmico reattivo di impedenza pari alla coniugata di Zeq, visto il vincolo della sola R)
Per rispondere al secondo quesito dobbiamo ricavare o la tensione equivalente o la corrente di cortocircuito ai morsetti; in questo caso particolare è piu' semplice determinare Eth
sempre ricordando le relazioni sul mutuo induttore, visto che I1=-Ig, potremo riscriverle come

bastera' a questo punto una semplice KVL per calcolare

e disegnare il circuito equivalente di Helmholtz-Thevenin.
La potenza su R sara' pari a

"Il circuito ha sempre ragione" (Luigi Malesani)
14 messaggi
• Pagina 1 di 2 • 1, 2
Chi c’è in linea
Visitano il forum: Google [Bot] e 57 ospiti

Elettrotecnica e non solo (admin)
Un gatto tra gli elettroni (IsidoroKZ)
Esperienza e simulazioni (g.schgor)
Moleskine di un idraulico (RenzoDF)
Il Blog di ElectroYou (webmaster)
Idee microcontrollate (TardoFreak)
PICcoli grandi PICMicro (Paolino)
Il blog elettrico di carloc (carloc)
DirtEYblooog (dirtydeeds)
Di tutto... un po' (jordan20)
AK47 (lillo)
Esperienze elettroniche (marco438)
Telecomunicazioni musicali (clavicordo)
Automazione ed Elettronica (gustavo)
Direttive per la sicurezza (ErnestoCappelletti)
EYnfo dall'Alaska (mir)
Apriamo il quadro! (attilio)
H7-25 (asdf)
Passione Elettrica (massimob)
Elettroni a spasso (guidob)
Bloguerra (guerra)





