Cos'è ElectroYou | Login Iscriviti

ElectroYou - la comunità dei professionisti del mondo elettrico

condensatore e tensione negativa

Elettronica lineare e digitale: didattica ed applicazioni

Moderatori: Foto Utentecarloc, Foto Utenteg.schgor, Foto UtenteBrunoValente, Foto UtenteIsidoroKZ

1
voti

[11] Re: condensatore e tensione negativa

Messaggioda Foto UtenteRenzoDF » 18 set 2010, 10:37

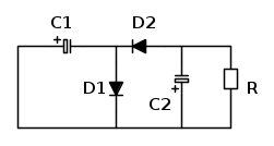
trip ha scritto:come fa l'altro condensatore C2 (quello della maglia di destra)a caricarsi se solo un terminale è collegato a massa???

... e se invece li avesse entrambi, ... si caricherebbe ? :roll:

Quando Vin è H, ... C2 infatti non si carica ma bensì si scarica. :wink:

trip ha scritto:Di conseguenza con Vin L il condensatore C1 si scarica, D1 e D2risultano essere un circuito aperto e D2 un corto circuito.




D2 non puo' essere contemporaneamente "aperto" o "chiuso" ... :mrgreen:

Con Vin L, D1 sarà OFF e D2 ON chiudendo la maglia fra i due condensatori.

BTW mi chiedo ... dov'ero il 27 Gennaio ? :-k ... questo 3d non lo avevo mai letto #-o
Complimenti ad Isidoro, le sue "Lezioni" sono sempre di Altissimo livello =D> =D> =D>
"Il circuito ha sempre ragione" (Luigi Malesani)
Avatar utente
Foto UtenteRenzoDF
55,9k 8 12 13
G.Master EY
G.Master EY
 
Messaggi: 13189
Iscritto il: 4 ott 2008, 9:55

0
voti

[12] Re: condensatore e tensione negativa

Messaggioda Foto Utentetrip » 18 set 2010, 14:27

perdonatemi [-o<
non avevo notato la resistenza di destra che in con Vinl e quindi in fase di scarica di C1 polarizza direttamente D2 , permettendo C2 di caricarsi :mrgreen:
Se ho sbagliato correggetemi
ciao
grazie per la pazienza
Avatar utente
Foto Utentetrip
0 1
 
Messaggi: 3
Iscritto il: 18 set 2010, 9:37

1
voti

[13] Re: condensatore e tensione negativa

Messaggioda Foto Utenteg.schgor » 18 set 2010, 14:43

Per la verità, C2 si caricherebbe anche se la resistenza non ci fosse
(e poi non si scaricherebbe mai!)
Avatar utente
Foto Utenteg.schgor
57,8k 9 12 13
G.Master EY
G.Master EY
 
Messaggi: 16971
Iscritto il: 25 ott 2005, 9:58
Località: MILANO

0
voti

[14] Re: condensatore e tensione negativa

Messaggioda Foto Utentetrip » 18 set 2010, 14:57

g.schgor ha scritto:Per la verità, C2 si caricherebbe anche se la resistenza non ci fosse
(e poi non si scaricherebbe mai!)

ma durante la scarica di C1, D2non è mica polarizzato inversamente??come fa a caricarsi C2??
Avatar utente
Foto Utentetrip
0 1
 
Messaggi: 3
Iscritto il: 18 set 2010, 9:37

1
voti

[15] Re: condensatore e tensione negativa

Messaggioda Foto Utenteg.schgor » 18 set 2010, 15:02

Guarda il senso della corrente di scarica di C1
Avatar utente
Foto Utenteg.schgor
57,8k 9 12 13
G.Master EY
G.Master EY
 
Messaggi: 16971
Iscritto il: 25 ott 2005, 9:58
Località: MILANO

Precedente

Torna a Elettronica generale

Chi c’è in linea

Visitano il forum: Nessuno e 294 ospiti