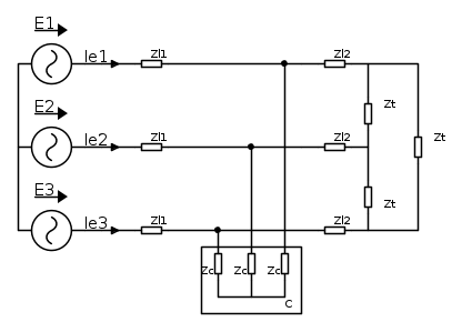
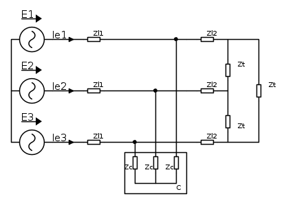
Avendo questo sistema trifase simmetrico ed equilibrato :
solo che per i valori dati non riesco a scriverli con la semplice tastiera, come si fa ???
Viene richiesto:
a)la potenza trifase attiva,reattiva ed apparente erogata dai 3 generatori di f.e.m.,aventi le tensioni E1,E2,E3; e la potenza assorbita dal carico a triangolo e dal carico "C".
b)le tre correnti circolari nelle impedenze zt,nonche la rappresentazione vettorialee la loro espressione nel dominio del tempo
Oltre a consigliarmi come scrivere i valori delle dati, secondo voi da dove inizio??
Sistema trifase
Moderatori:
g.schgor,
IsidoroKZ
14 messaggi
• Pagina 1 di 2 • 1, 2
0
voti
NON quotare tutto !
i valori dati, cioe' quanto valgono zl1,zl2,z7,C etc.
i valori dati, cioe' quanto valgono zl1,zl2,z7,C etc.
0
voti
"Computers, operating systems, networks are a hot mess. They're barely manageable, even if you know a decent amount about what you're doing. Nine out of ten software engineers agree: it's a miracle anything works at all."
@fasterthanlime
@fasterthanlime
0
voti
totonno86 ha scritto: secondo voi da dove inizio??
1)Ricava
a stella usando i suoi dati nominali2)Ricava la stella equivalente del triangolo delle impedenze

3)Disegna lo schema monofase equivalente, come questo ad esempio, inserendovi i valori ricavati
Calcola le correnti in questo circuito.
PS: l'unità di misura della potenza reattiva si scrive var, tutto minuscolo.
Quindi

si scrive solo se non è preceduto da un numero: ad esempio cinque ohm; altrimenti devi scrivere 
0
voti
Il procedimento te lo ha gia' tracciato admin, come pure il circuito equivalente monofase
io ti posto i miei 4 conti per confrontarli con i tuoi
NB dato che Zl1=Zl2, per entrambe, nei calcoli, ho usato ZL !
io ti posto i miei 4 conti per confrontarli con i tuoi
NB dato che Zl1=Zl2, per entrambe, nei calcoli, ho usato ZL !
"Il circuito ha sempre ragione" (Luigi Malesani)
0
voti
[10] Re: Sistema trifase
x RenzoDF
scusa l'ignoranza ma snc=sqrt(Pnc^2-Qnc^2)
cosa sarebbe???
scusate ma non vi ho proprio capito...
scusa l'ignoranza ma snc=sqrt(Pnc^2-Qnc^2)
cosa sarebbe???
scusate ma non vi ho proprio capito...
14 messaggi
• Pagina 1 di 2 • 1, 2
Torna a Elettrotecnica generale
Chi c’è in linea
Visitano il forum: Nessuno e 84 ospiti

Elettrotecnica e non solo (admin)
Un gatto tra gli elettroni (IsidoroKZ)
Esperienza e simulazioni (g.schgor)
Moleskine di un idraulico (RenzoDF)
Il Blog di ElectroYou (webmaster)
Idee microcontrollate (TardoFreak)
PICcoli grandi PICMicro (Paolino)
Il blog elettrico di carloc (carloc)
DirtEYblooog (dirtydeeds)
Di tutto... un po' (jordan20)
AK47 (lillo)
Esperienze elettroniche (marco438)
Telecomunicazioni musicali (clavicordo)
Automazione ed Elettronica (gustavo)
Direttive per la sicurezza (ErnestoCappelletti)
EYnfo dall'Alaska (mir)
Apriamo il quadro! (attilio)
H7-25 (asdf)
Passione Elettrica (massimob)
Elettroni a spasso (guidob)
Bloguerra (guerra)

















