Ciao a tutti. Ho l'esame di elettrotecnica a Ottobre. Ho studiato tutto,anche la guida che c'è su questo sito, ho ripassato più volte e ho anche provato a fare una trentina di esercizi, oltre ad averne letti molti già svolti. Però ci sono delle cose che mi creano dei dubbi anche nella risoluzione degli esercizi. Vi faccio un elenco di quello che vorrei chiarire:
1) Il verso del potenziale e delle correnti nei bipoli. Io sono abituato a pensarla così: Ormai è rimasta la convenzione che il verso della corrente è quello delle cariche positive, ma sappiamo benissimo che a muoversi sono le cariche negative. So pure che le cariche positive si muovono dal potenziale maggiore a quello minore perdendo energia e compiendo lavoro, mentre una carica negativa viene attratta verso il potenziale maggiore e quindi fa il cammino inverso, giusto? Se abbiamo detto che il verso della corrente nei circuiti è quello delle cariche positive, allora in un generatore di tensione, la corrente non dovrebbe uscire dal polo negativo, quindi entrare da quello positivo? perché la convenzione è che la corrente esce da quello positivo?(non dovrebbe essere quella delle cariche negative a farlo?)
2) Quando applico il metodo delle correnti di maglia, se trovo un ramo condiviso da due maglie, e quindi da due correnti di maglia, con un generatore dei tensione, devo scrivere Ja-Jb=E? Nel caso in cui ho un generatore di corrente, quale considero Ja=I o Jb=I? Cioè pongo la corrente di una o dell'altra maglia uguale a quella del generatore?
3) Il mio professore ha spiegato i circuiti trifase molto leggermente senza addentrarsi perché non dobbiamo studiarli come programma. Però sul quaderno ci sono degli appunti sui trifase che non capisco bene e per questo li ho studiati dalla vostra guida. Vorrei sapere solo 2 cose. perché si risparmia rame con i trifase? Come funziona un salvavita? Perchp si chiama intrruttore magneto-differenziale?
Grazie anticipatamente.
Qualche dubbio da chiarire!!
Moderatori:
g.schgor,
IsidoroKZ
0
voti
1) All'interno di un generatore le cariche "acquistano energia", quindi le positive vanno dal potenziale più basso a quello più alto; all'esterno del generatore è il contrario: li le cariche perdono l'energia acquistata nel generatore.
2)
No di certo, se con J indichi le correnti e con E la tensione!
Nel caso sia un generatore di corrente, lo puoi eliminare il generatore assegnando alla sua corrente un percorso qualsiasi, tenendone conto nella scrittura delle equazioni per le maglie che rimangono che hanno rami attraversati da quella corrente.
3)Interviene quando la differenza vettoriale delle correnti nei conduttori controllati supera il valore differenziale nominale che per il "salvavita" è di 30 mA. La differenza è significativa quando ci sono guasti all'isolamento verso terra.
Un interruttore si chiama magnetotermico differenziale se riunisce i tre motivi di intervento di un interruttore: termico (sovraccarichi); magnetico (cortocircuiti); differenziale (guasti all'isolamento verso terra)
Per il risparmio di rame vedi questa risposta
2)
alexlovesusa ha scritto:Ja-Jb=E?
No di certo, se con J indichi le correnti e con E la tensione!
Nel caso sia un generatore di corrente, lo puoi eliminare il generatore assegnando alla sua corrente un percorso qualsiasi, tenendone conto nella scrittura delle equazioni per le maglie che rimangono che hanno rami attraversati da quella corrente.
3)Interviene quando la differenza vettoriale delle correnti nei conduttori controllati supera il valore differenziale nominale che per il "salvavita" è di 30 mA. La differenza è significativa quando ci sono guasti all'isolamento verso terra.
Un interruttore si chiama magnetotermico differenziale se riunisce i tre motivi di intervento di un interruttore: termico (sovraccarichi); magnetico (cortocircuiti); differenziale (guasti all'isolamento verso terra)
Per il risparmio di rame vedi questa risposta
0
voti
La ringrazio per la risposta e per aver scritto la guida, molto precisa ed esaustiva. Per quanto riguarda il verso della corrente e il salvavita, ci siamo. Per quanto riguarda correnti di maglia un po meno. Praticamente, riassumendo questo metodo, io considero le maglie e il verso delle correnti fittizie uguale per tutte le maglie. Per ogni maglia scrivo un'equazione a seconda degli elementi che ci sono e le quindi le loro relative caratteristiche. Io scrivo sempre positivo se la corrente fittizia entra dal polo negativo del generatore e esce dal positivo. Per i rami isolati vale solo la corrente del circuito mentre per quei rami in comune, la differenza delle correnti fittizie moltiplicate per la relativa resistenza o gli elementi del ramo attraversati. Se ho una maglia con un generatore di corrente, assumo la corrente di quella maglia uguale a quella del generatore. Il problema mio è quando ho un generatore in comune tra due maglie. Se il generatore è di corrente cosa scrivo? Se è di tensione ho capito che lo includo nelle due equazioni delle due maglie che hanno in comune il ramo senza fare altro, ma per quello di corrente?
P.S. le sarei grato, a lei e agli altri, se durante questo periodo in cui io dovrò esercitarmi, mi aiutaste a risolvere qualche esercizio se ho difficoltà.
Grazie
P.S. le sarei grato, a lei e agli altri, se durante questo periodo in cui io dovrò esercitarmi, mi aiutaste a risolvere qualche esercizio se ho difficoltà.
Grazie
Ultima modifica di
alexlovesusa il 28 set 2010, 18:31, modificato 1 volta in totale.
-

alexlovesusa
-21 6 - Frequentatore

- Messaggi: 159
- Iscritto il: 27 set 2010, 18:12
0
voti
alexlovesusa ha scritto: Ormai è rimasta la convenzione che il verso della corrente è quello delle cariche positive, ma sappiamo benissimo che a muoversi sono le cariche negative.
Giusto, la scelta è da attribuire a Franklin (quello dell'aquilone
C'è in effetti stato un tentativo in passato di cambiare la convenzione, ma poi ci si è rassegnati a lasciare quella storica
"Il circuito ha sempre ragione" (Luigi Malesani)
0
voti
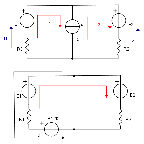
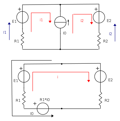
Puoi assegnare, come ti ho detto, un percorso arbitrario alla corrente del generatore di corrente. La corrente sulle resistenze determina una fem nota pari al prodotto della resistenza per la corrente con il più nel terminale da cui entra la corrente.
A questo punto scrivi l'equazione per la maglia che rimane.
Ad esempio:
Quindi

Oppure semplicemente ignori il generatore di corrente e scrivi

A questo punto scrivi l'equazione per la maglia che rimane.
Ad esempio:
Quindi

Oppure semplicemente ignori il generatore di corrente e scrivi

1
voti
alexlovesusa ha scritto:Praticamente, riassumendo questo metodo, io considero le maglie e il verso delle correnti fittizie uguale per tutte le maglie....
non è indispensabile, ma è una buona abitudine
alexlovesusa ha scritto:...Il problema mio è quando ho un generatore in comune tra due maglie. Se il generatore è di corrente cosa scrivo?
Se c'è un generatore di corrente "fra i piedi", non puoi passarci attraverso con una KVL, e quindi nell'esempio di admin potrai scrivere solo una KVL alla maglia esterna.
L'equazione che ti viene a mancare la potrai scrivere usando le due correnti di maglia che "insistono" sul ramo del gen. di corrente e la corrente impressa dallo stesso, nel seguente modo

"Il circuito ha sempre ragione" (Luigi Malesani)
0
voti
Ok, dubbio chiarito. Grazie ad entrambi. Adesso comincerò a fare qualche esercizio. Se ho bisogno di aiuto scrivo.
P.S.@RenzoDF: sei davvero a Santa Barbara?
P.S.@RenzoDF: sei davvero a Santa Barbara?
-

alexlovesusa
-21 6 - Frequentatore

- Messaggi: 159
- Iscritto il: 27 set 2010, 18:12
-1
voti
Ho un problema a risolvere questo esercizio in allegato. Devo trovare la potenza generata dal generatore e la potenza assorbita dal resistore R1=5w. Come faccio? Inizialmente avevo provato con Thevenin ma poi ho lasciato perdere.
La resistenza R1 è quella a sinistra del generatore non quella in alto a destra.
La resistenza R1 è quella a sinistra del generatore non quella in alto a destra.
-

alexlovesusa
-21 6 - Frequentatore

- Messaggi: 159
- Iscritto il: 27 set 2010, 18:12
0
voti
alexlovesusa ha scritto:Come faccio?
Usi FidocadJ e fai un disegno decente, con i nomi e i valori dei componenti.
Si puo` usare Thevenin per calcolare la potenza dissipata da un elemento a patto che quell'elemento non finisca nell'equivalente Thevenin (o anche Norton)
Per usare proficuamente un simulatore, bisogna sapere molta più elettronica di lui
Plug it in - it works better!
Il 555 sta all'elettronica come Arduino all'informatica! (entrambi loro malgrado)
Se volete risposte rispondete a tutte le mie domande
Plug it in - it works better!
Il 555 sta all'elettronica come Arduino all'informatica! (entrambi loro malgrado)
Se volete risposte rispondete a tutte le mie domande
0
voti
Scusate per il programma ma l'ho scaricato solo ora. Comunque, per quanto riguarda il circuito in figura, come faccioa calcolare il potenziale de generatore? Ho provato vari metodi ma il risultato è sbagliato.
-

alexlovesusa
-21 6 - Frequentatore

- Messaggi: 159
- Iscritto il: 27 set 2010, 18:12
Torna a Elettrotecnica generale
Chi c’è in linea
Visitano il forum: Nessuno e 49 ospiti

Elettrotecnica e non solo (admin)
Un gatto tra gli elettroni (IsidoroKZ)
Esperienza e simulazioni (g.schgor)
Moleskine di un idraulico (RenzoDF)
Il Blog di ElectroYou (webmaster)
Idee microcontrollate (TardoFreak)
PICcoli grandi PICMicro (Paolino)
Il blog elettrico di carloc (carloc)
DirtEYblooog (dirtydeeds)
Di tutto... un po' (jordan20)
AK47 (lillo)
Esperienze elettroniche (marco438)
Telecomunicazioni musicali (clavicordo)
Automazione ed Elettronica (gustavo)
Direttive per la sicurezza (ErnestoCappelletti)
EYnfo dall'Alaska (mir)
Apriamo il quadro! (attilio)
H7-25 (asdf)
Passione Elettrica (massimob)
Elettroni a spasso (guidob)
Bloguerra (guerra)




