Ciao ragazzi sono nuovo del forum e volevo chiedervi un circuito per risolvermi un problemino...
Ho una scheda che mi da in uscita una tensione variabile da 0 a 12v con la quale vorrei alimentare un relè per attivare un'accensione.Il problema è che essendo variabile la tensione il relè vibra prima di attivare o disattivare. Vorrei che non vibrasse ovvero rendere questa tensione a due livelli uno di on e uno di off, avrei pensato all'uso di un lm339 e un 2n3904 come comando relè.
Grazie per l'aiuto!!!
Relè a tensione stabile!
Moderatori:
carloc,
g.schgor,
BrunoValente,
IsidoroKZ
11 messaggi
• Pagina 1 di 2 • 1, 2
4
voti
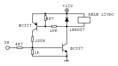
... molto semplicemente serve un trigger di Smith, un circuito che introduca dell'isteresi nella commutazione, io non scomoderei neanche un IC. La classica implementazione ha però lo svantaggio di invertire il funzionamento (e.g. ingresso alto => relè OFF).
Invece questi 2 transistor introducono l'isteresi necessaria mantendo "il verso" giusto dell'azionamento.
Due veloci calcoli "a spanne" indicherebbero che il relè si ecciterà con circa 3.4V in ingresso per poi staccare solo se arriviamo sotto i 2.7V.
Invece questi 2 transistor introducono l'isteresi necessaria mantendo "il verso" giusto dell'azionamento.
Due veloci calcoli "a spanne" indicherebbero che il relè si ecciterà con circa 3.4V in ingresso per poi staccare solo se arriviamo sotto i 2.7V.
1
voti
Oh che bello! Qualcuno che si ricorda dei transistori dicreti, li sa usare e ci sa fare sopra dei conti ragionevoli! I like it!
Per usare proficuamente un simulatore, bisogna sapere molta più elettronica di lui
Plug it in - it works better!
Il 555 sta all'elettronica come Arduino all'informatica! (entrambi loro malgrado)
Se volete risposte rispondete a tutte le mie domande
Plug it in - it works better!
Il 555 sta all'elettronica come Arduino all'informatica! (entrambi loro malgrado)
Se volete risposte rispondete a tutte le mie domande
0
voti
Grazie Carloc ottima soluzione, solo che si devono modoficare i valori tali che il relè si ecciti a 4,5volt e si disecciti a 0volt, per l'uso che ne devo fare io!!
0
voti
Segnale che va da 0V a 12V e diseccitazione a 0V sono due richieste incompatibili.
Da dove arriva il segnale di controllo? Chi lo genera?
Da dove arriva il segnale di controllo? Chi lo genera?
Per usare proficuamente un simulatore, bisogna sapere molta più elettronica di lui
Plug it in - it works better!
Il 555 sta all'elettronica come Arduino all'informatica! (entrambi loro malgrado)
Se volete risposte rispondete a tutte le mie domande
Plug it in - it works better!
Il 555 sta all'elettronica come Arduino all'informatica! (entrambi loro malgrado)
Se volete risposte rispondete a tutte le mie domande
0
voti
erikarlo ha scritto:che il relè si ecciti a 4,5volt e si disecciti a 0volt,
Come dice IsidoroKZ non è possibile con il circuito a transistor,
ma se accetti un "quasi zero" è possibile con comparatori (LM393).
3
voti
Il problema della soglia a 0V, sia per i transistor che per i comparatori integrati, sta nell'affidabilità. Se la soglia è 0V ma l'uscita non raggiunge proprio zero ma, per dire, 10mV il relè non si diseccità. Lo stesso accade se magari la tensione arriva proprio a zero -cosa tra l'altro impossibile, si dovrebbe dire zero +/- tot mV- ma a causa di variazioni di alimentazione, temperatura, tensioni di offset etc la soglia del comparatore deriva per esempio a -1mV.
Per farla breve se la tensione minima nominale è 0V io metterei la soglia non al di sotto di 0.5V per avere un margine di sicurezza e non realizzare qualcosa che "sembra stregato" va o no a "seconda dell'oroscopo del giorno".
Le soglie del circuito a transistor sono facilmente modificabili, anche con valori negativi di soglia per lo spengimento. Magari soffrono di una discreta dipendenza dalla temperatura, la VBEon cala circa 2mV/grado e questo si ripercuote "amplificato" sulle soglie, ancora a spanne su una soglia di ON di 4.5V ti puoi aspettare circa -15mV/grado.
Ma davvero, spiega meglio cosa vuoi realizzare, così è più chiaro se necessiti di un circuitini semplice o di qualcosa di più sofisticato.
Per farla breve se la tensione minima nominale è 0V io metterei la soglia non al di sotto di 0.5V per avere un margine di sicurezza e non realizzare qualcosa che "sembra stregato" va o no a "seconda dell'oroscopo del giorno".
Le soglie del circuito a transistor sono facilmente modificabili, anche con valori negativi di soglia per lo spengimento. Magari soffrono di una discreta dipendenza dalla temperatura, la VBEon cala circa 2mV/grado e questo si ripercuote "amplificato" sulle soglie, ancora a spanne su una soglia di ON di 4.5V ti puoi aspettare circa -15mV/grado.
Ma davvero, spiega meglio cosa vuoi realizzare, così è più chiaro se necessiti di un circuitini semplice o di qualcosa di più sofisticato.
11 messaggi
• Pagina 1 di 2 • 1, 2
Chi c’è in linea
Visitano il forum: Google Adsense [Bot] e 226 ospiti

Elettrotecnica e non solo (admin)
Un gatto tra gli elettroni (IsidoroKZ)
Esperienza e simulazioni (g.schgor)
Moleskine di un idraulico (RenzoDF)
Il Blog di ElectroYou (webmaster)
Idee microcontrollate (TardoFreak)
PICcoli grandi PICMicro (Paolino)
Il blog elettrico di carloc (carloc)
DirtEYblooog (dirtydeeds)
Di tutto... un po' (jordan20)
AK47 (lillo)
Esperienze elettroniche (marco438)
Telecomunicazioni musicali (clavicordo)
Automazione ed Elettronica (gustavo)
Direttive per la sicurezza (ErnestoCappelletti)
EYnfo dall'Alaska (mir)
Apriamo il quadro! (attilio)
H7-25 (asdf)
Passione Elettrica (massimob)
Elettroni a spasso (guidob)
Bloguerra (guerra)




