Questo è il problema:
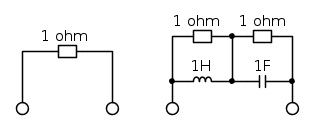
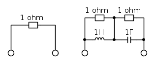
Abbiamo due scatole identiche con all'interno i due circuiti qui riportati:
si deve riuscire a distinguerle misurando, eccitando o quello che vi pare, ma solo i due terminali sono accessibili. I componenti non hanno elementi parassiti (tipo R serie alla L etc. etc.) ed i campi sono perfettamente confinati (i.e. le scatole non irradiano niente).
Questo problema fu presentato su di una rivista di elettronica negli anni 80, poi non l'ho più rivisto in giro, per cui ve lo propongo.
Secondo me la soluzione ha alcuni aspetti che potrebbero essere "discutibili" ma in fondo a che serve se no un forum se non a discutere?
Problema delle 2 scatole
Moderatore:
carlomariamanenti
31 messaggi
• Pagina 1 di 4 • 1, 2, 3, 4
0
voti
Se le si dovesse preservare, allora non le toccherei, perché posso ipotizzare che qualunque prova, le possa danneggiare;
Se non le dovessi preservare, allora le sezionerei, o, al limite, applicherei una corrente e tensione tanto elevate da distruggere qualche componente e ricavare la restante configuazione.
Se non le dovessi preservare, allora le sezionerei, o, al limite, applicherei una corrente e tensione tanto elevate da distruggere qualche componente e ricavare la restante configuazione.
-

Candy
32,5k 7 10 13 - CRU - Account cancellato su Richiesta utente
- Messaggi: 10123
- Iscritto il: 14 giu 2010, 22:54
1
voti
Beh il sezionarle, oppure pesarle o anche fare una radiografia sono cose che escluderei....in fondo si tratta sempre di un problema di elettrotecnica...
Invece l'idea di bruciare qualcosa mi sembra più attinente anche se si può fare di meglio.. diciamo "che esiste una prova non distruttiva in grado di risolvere il problema" o se vuoi che "i componenti sopportano tensioni e correnti alte quanto si vuole"
Invece l'idea di bruciare qualcosa mi sembra più attinente anche se si può fare di meglio.. diciamo "che esiste una prova non distruttiva in grado di risolvere il problema" o se vuoi che "i componenti sopportano tensioni e correnti alte quanto si vuole"
0
voti
carloc ha scritto:si deve riuscire a distinguerle misurando, eccitando o quello che vi pare, ma solo i due terminali sono accessibili.
no mi è chiaro il distinguerle, anche se per analizzarle, nell'ipotesi in cui non si conosca il contenuto, penserei di provare prima con dei segnali nto in DC rilevando le grandezze di V, e I, per poi fare la stessa cosa con dei segnali noti in AC, ed analizarne il comportamento,...è un'idea....
0
voti
Non c'e` sfasamento in nessuno dei due casi :)
Mi sembrava che di questo quiz ne avesse parlato Piercarlo qualche tempo fa.
Mi sembrava che di questo quiz ne avesse parlato Piercarlo qualche tempo fa.
Per usare proficuamente un simulatore, bisogna sapere molta più elettronica di lui
Plug it in - it works better!
Il 555 sta all'elettronica come Arduino all'informatica! (entrambi loro malgrado)
Se volete risposte rispondete a tutte le mie domande
Plug it in - it works better!
Il 555 sta all'elettronica come Arduino all'informatica! (entrambi loro malgrado)
Se volete risposte rispondete a tutte le mie domande
0
voti
Ci provo anche io..
Allora alimento in DC, la corrente sarà identica così come la tensione ai capi del bipolo.
Ad un certo punto "stacco" l'alimentazione in maniera molto rapida, il bipolo con l'induttore reagirà con una sovratensione dovuta alla rapida variazione di corrente nel tempo, il bipolo resistivo no.
Allora alimento in DC, la corrente sarà identica così come la tensione ai capi del bipolo.
Ad un certo punto "stacco" l'alimentazione in maniera molto rapida, il bipolo con l'induttore reagirà con una sovratensione dovuta alla rapida variazione di corrente nel tempo, il bipolo resistivo no.
-

Nicola1988
0 2 - Messaggi: 19
- Iscritto il: 27 dic 2008, 11:06
0
voti
La "sovratensione" sull'induttore sara` di valore esattamente uguale e contraria alla tensione sul condensatore per cui appena togli la corrente di alimentazione la tensione complessiva va a zero.
Supponi di avere 1A in continua che circola nell'impedenza, da sinistra verso destra. La corrente passa nell'induttanza e poi nella R in parallelo al condensatore, che viene caricato a 1V con il positivo a sinistra.
Quando spegni la corrente da fuori, l'induttanza inizialmente continua a far passare la corrente di 1A verso destra. Visto che non puo` piu` andare fuori dall'impedenza avendo "staccato i fili", la corrente dell'induttanza circola nella resistenza in parallelo all'induttanza, creando una tensione di 1V con il positivo a destra. In serie c'e` il condensatore, carico a 1V con il positivo verso sinistra, e la tensione complessiva sull'impedenza va immediatamente a 0V, proprio come la resistenza.
Supponi di avere 1A in continua che circola nell'impedenza, da sinistra verso destra. La corrente passa nell'induttanza e poi nella R in parallelo al condensatore, che viene caricato a 1V con il positivo a sinistra.
Quando spegni la corrente da fuori, l'induttanza inizialmente continua a far passare la corrente di 1A verso destra. Visto che non puo` piu` andare fuori dall'impedenza avendo "staccato i fili", la corrente dell'induttanza circola nella resistenza in parallelo all'induttanza, creando una tensione di 1V con il positivo a destra. In serie c'e` il condensatore, carico a 1V con il positivo verso sinistra, e la tensione complessiva sull'impedenza va immediatamente a 0V, proprio come la resistenza.
Per usare proficuamente un simulatore, bisogna sapere molta più elettronica di lui
Plug it in - it works better!
Il 555 sta all'elettronica come Arduino all'informatica! (entrambi loro malgrado)
Se volete risposte rispondete a tutte le mie domande
Plug it in - it works better!
Il 555 sta all'elettronica come Arduino all'informatica! (entrambi loro malgrado)
Se volete risposte rispondete a tutte le mie domande
31 messaggi
• Pagina 1 di 4 • 1, 2, 3, 4
Chi c’è in linea
Visitano il forum: Nessuno e 11 ospiti

Elettrotecnica e non solo (admin)
Un gatto tra gli elettroni (IsidoroKZ)
Esperienza e simulazioni (g.schgor)
Moleskine di un idraulico (RenzoDF)
Il Blog di ElectroYou (webmaster)
Idee microcontrollate (TardoFreak)
PICcoli grandi PICMicro (Paolino)
Il blog elettrico di carloc (carloc)
DirtEYblooog (dirtydeeds)
Di tutto... un po' (jordan20)
AK47 (lillo)
Esperienze elettroniche (marco438)
Telecomunicazioni musicali (clavicordo)
Automazione ed Elettronica (gustavo)
Direttive per la sicurezza (ErnestoCappelletti)
EYnfo dall'Alaska (mir)
Apriamo il quadro! (attilio)
H7-25 (asdf)
Passione Elettrica (massimob)
Elettroni a spasso (guidob)
Bloguerra (guerra)





