Cos'è ElectroYou | Login Iscriviti

ElectroYou - la comunità dei professionisti del mondo elettrico

Calcolo coefficiente di mutua induzione

Circuiti, campi elettromagnetici e teoria delle linee di trasmissione e distribuzione dell’energia elettrica

Moderatori: Foto Utenteg.schgor, Foto UtenteIsidoroKZ

0
voti

[1] Calcolo coefficiente di mutua induzione

Messaggioda Foto Utentemidnight » 12 gen 2011, 22:00

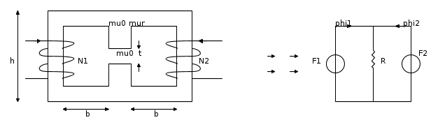
salve ragazzi, sono sempre io, ho un problema con un esercizio sui circuiti magnetici...

dati mu _{0}\ mu _{r} N1, N2, S, t, h, b
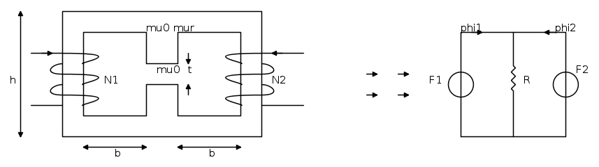
bisogna calcolare la mutua induttanza tra le bobine N1 ed N2, praticamente ho pensato di trasformarlo nel circuito equivalente, mi trovo la riluttanza del traferro R, ma quando devo trovarmi le forze elettromotrici mi blocco perché non riesco a trovare i flussi..
ho pensato di risolvere in questo modo
R=\frac{t}{\mu _{0}S} ,
poi F1=R\Phi 1 ,
ma manca il flusso, che posso trovare con \Phi 1=B1*S,
B1=\mu _{0}\mu _{r}H1
ma H1 nn riesco a trovarlo e mi blocco.
Avatar utente
Foto Utentemidnight
0 2
 
Messaggi: 24
Iscritto il: 10 gen 2011, 18:17

1
voti

[2] Re: Aiuto esercizio circuito magnetico

Messaggioda Foto Utenteadmin » 12 gen 2011, 22:56

Non c'è bisogno di calcolare il campo magnetico.

\begin{array}{l}
 M = \frac{{\lambda _{12} }}{{I_2 }} \\ 
 \lambda _{12}  = N_1  \cdot \varphi _{12}  \\ 
 \varphi _{12}  = \frac{{N_2  \cdot I_2 }}{{\Re _{eq} }} \cdot \frac{{\Re _0 }}{{\Re _s  + \Re _d }}\\ 
 \Re _{eq}  = \Re _s ||\Re _0  + \Re _d  \\ 
 \Re _s  = \Re _d  = \frac{{2b + h}}{{\mu _r \mu _0  \cdot S}} \\ 
 \Re _0  = \frac{t}{{\mu _0  \cdot S}} + \frac{{h - t}}{{\mu _r \mu _0  \cdot S}} \\ 
 \end{array}
Avatar utente
Foto Utenteadmin
196,7k 9 12 17
Manager
Manager
 
Messaggi: 11951
Iscritto il: 6 ago 2004, 13:14

0
voti

[3] Re: Aiuto esercizio circuito magnetico

Messaggioda Foto Utentemidnight » 12 gen 2011, 23:02

Edit TF: eliminato quoting inutile.

l'unico problema è che manca la corrente I_{2}, che tra i dati non c'è proprio...come si potrebbe ricavare?
Avatar utente
Foto Utentemidnight
0 2
 
Messaggi: 24
Iscritto il: 10 gen 2011, 18:17

1
voti

[4] Re: Aiuto esercizio circuito magnetico

Messaggioda Foto Utenteadmin » 12 gen 2011, 23:07

Non serve la conoscere la corrente: nel rapporto si semplifica. Il coefficiente di mutua induzione non dipende dalla corrente se la permeabilità è costante:

M = \frac{{N_1  \cdot N_2 }}{{\Re _{eq} }} \cdot \frac{{\Re _0 }}{{\Re _s  + \Re _d }}
Avatar utente
Foto Utenteadmin
196,7k 9 12 17
Manager
Manager
 
Messaggi: 11951
Iscritto il: 6 ago 2004, 13:14

0
voti

[5] Re: Aiuto esercizio circuito magnetico

Messaggioda Foto Utentemidnight » 12 gen 2011, 23:09

ho capito tuttoooooo!!grazie milleeeee! :-)
ps scusa x il quote precedente!!
Avatar utente
Foto Utentemidnight
0 2
 
Messaggi: 24
Iscritto il: 10 gen 2011, 18:17

0
voti

[6] Re: Aiuto esercizio circuito magnetico

Messaggioda Foto UtenteF0112358 » 14 gen 2011, 12:12

admin ha scritto:

\begin{array}{l}
Re _{eq}  = \Re _s ||\Re _0  + \Re _d  \\ 
 \Re _s  = \Re _d  = \frac{{2b + h}}{{\mu _r \mu _0  \cdot S}} \\ 
 \Re _0  = \frac{t}{{\mu _0  \cdot S}} + \frac{{h - t}}{{\mu _r \mu _0  \cdot S}} \\ 
 \end{array}


scusi potrebbe spiegarmi meglio queste formule per le riluttanze?
grazie
Avatar utente
Foto UtenteF0112358
182 5 9
Expert
Expert
 
Messaggi: 351
Iscritto il: 9 mag 2010, 14:13

0
voti

[7] Re: Aiuto esercizio circuito magnetico

Messaggioda Foto Utentemidnight » 14 gen 2011, 21:14

R_{0} è la riluttanza del traferro, mentre R_{s} è la riluttanza del circuito, b h e t sono le dimensioni rispettivamente dei lati del circuito e del traferro, se conosci la formula per calcolare la riluttanza, che è R = \frac{\delta }{\mu _{0} \mu _{r} S } dove \delta è la lunghezza del pezzo di circuito e S la sua sezione utile
Avatar utente
Foto Utentemidnight
0 2
 
Messaggi: 24
Iscritto il: 10 gen 2011, 18:17

0
voti

[8] Re: Aiuto esercizio circuito magnetico

Messaggioda Foto UtenteF0112358 » 15 gen 2011, 19:42

ma perché

\begin{array}{l}
 Re _{eq}  = \Re _s ||\Re _0  + \Re _d   \\ 
 \end{array}

:?:
Avatar utente
Foto UtenteF0112358
182 5 9
Expert
Expert
 
Messaggi: 351
Iscritto il: 9 mag 2010, 14:13

0
voti

[9] Re: Aiuto esercizio circuito magnetico

Messaggioda Foto Utenteadmin » 16 gen 2011, 11:44

Invece cosa dovrebbe essere?
Avatar utente
Foto Utenteadmin
196,7k 9 12 17
Manager
Manager
 
Messaggi: 11951
Iscritto il: 6 ago 2004, 13:14

0
voti

[10] Re: Calcolo coefficiente di mutua induzione

Messaggioda Foto UtenteF0112358 » 16 gen 2011, 20:05

la mia domanda non era polemica (se così è parsa, me ne scuso).
Semplicemente chiedevo una spiegazione relativa a "come" si arrivi a quella espressione della riluttanza equivalente; dal canto mio, al momento, non saprei indicare una espressione diversa.
Avatar utente
Foto UtenteF0112358
182 5 9
Expert
Expert
 
Messaggi: 351
Iscritto il: 9 mag 2010, 14:13

Prossimo

Torna a Elettrotecnica generale

Chi c’è in linea

Visitano il forum: Nessuno e 204 ospiti