g.schgor ha scritto:(La "caduta di tensione" sul relè non influenza il carico?
e viceversa la bobina del relè sopporta la corrente del carico?)
Era proprio questo il mio dubbio... per quanto riguarda la corrente, in commercio ho visto che ci sono relè la cui bobina sopporta tranquillamente la corrente del carico (e non sono relè amperometrici), ma il dubbio forte ce l'ho proprio sulla caduta di tensione.
I costi sicuramente sono importanti in fase di progetto, ma è altresì vero che se si hanno delle necessità, bisogna provvedere in qualche modo. L'ideale sarebbe giungere ad una soluzione funzionale e al tempo stesso con il miglior rapporto qualità prezzo. In realtà, bisognerà fare dei compromessi. Ed è proprio per questo motivo che ho chiesto il vostro aiuto...
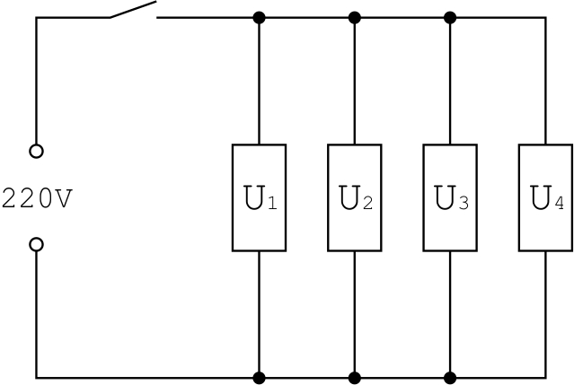
Di seguito allego una bozza dello schema elettrico richiesto. U1,...,U4 sono i singoli carichi di cui parlavo. In pratica bisognerebbe inserire, per ciascuno di essi, almeno uno spia luminosa che ne indichi il funzionamento o meno.

- schema.jpg (40.8 KiB) Visto 4992 volte