Circuito di sequenza omopolare di un trasformatore
Moderatori:
SandroCalligaro,
mario_maggi,
fpalone
28 messaggi
• Pagina 3 di 3 • 1, 2, 3
0
voti
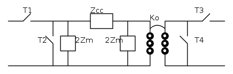
esatto ma non ti scordare che nei tuoi schemi stai analizzando un trasformatore a rapporto di trasformazione unitario se mi dai il tempo ti posto uno schemettino interessante che ti può essere utile
1
voti
Dove ho cercato di fare una tabella che in anteprima non viene quindi devi interpretarla:
Nella colonna verticale ho i collegamenti e in quella orizzontale ho i tasti per ogni collegamento ho scritto lo stato dei tasti.
Collegamenti T1 T2 T3 T4
Yn-yn c a c a
Yn-d c a a c
Y-y a a a a
Y-d a a a c
D-d a c a c
Yn-Y c a a a
Dove a sta per aperto e c sta per chiuso e nella figura i cerchietti neri stanno per induttanze(che non sono riuscito a disegnare diversamente
0
voti
Salve!!!!!
È la prima volta che scrivo in questo forum!
Per prima cosa vi dico: complimenti!
Complimenti perché trovo questo forum abbastanza strutturato e perché gli artivoli che leggo sono esposti in modo semplice e accuratamente.
Leggendo questo articolo mi è sorto un dubbio.
Se alimento il lato Yn con una terna di tensione omopolare allora sul lato connesso a D si inducono delle tensioni pari a Eo/K.
Per la legge delle tensione applicata nel triangolo deve risultare che la sommatoria delle Eo/K deve essere nulla. Poiché i fasori Eo/k di ogni fase possiedono stesso modulo e stessa fase occorre necessariamente che il modulo di Eo sia nullo.
Ma se Eo è nulla, come possono circolare le correnti nel triangolo?
Grazie.
È la prima volta che scrivo in questo forum!
Per prima cosa vi dico: complimenti!
Complimenti perché trovo questo forum abbastanza strutturato e perché gli artivoli che leggo sono esposti in modo semplice e accuratamente.
Leggendo questo articolo mi è sorto un dubbio.
Se alimento il lato Yn con una terna di tensione omopolare allora sul lato connesso a D si inducono delle tensioni pari a Eo/K.
Per la legge delle tensione applicata nel triangolo deve risultare che la sommatoria delle Eo/K deve essere nulla. Poiché i fasori Eo/k di ogni fase possiedono stesso modulo e stessa fase occorre necessariamente che il modulo di Eo sia nullo.
Ma se Eo è nulla, come possono circolare le correnti nel triangolo?
Grazie.
1
voti
ZackFair ha scritto:...Per la legge delle tensione applicata nel triangolo deve risultare che la sommatoria delle Eo/K deve essere nulla...
Ne sei proprio sicuro
Hai tralasciato le cadute di tensione dovute alla corrente omopolare che circola all'interno del triangolo
ZackFair ha scritto:...Ma se Eo è nulla...
Significa che non stai alimentando il trasformatore
Emanuele Lorina
- Chi lotta contro i mostri deve fare attenzione a non diventare lui stesso un mostro. E se tu riguarderai a lungo in un abisso, anche l'abisso vorrà guardare dentro di te (F. Nietzsche)
- Tavole della legge by admin
- Chi lotta contro i mostri deve fare attenzione a non diventare lui stesso un mostro. E se tu riguarderai a lungo in un abisso, anche l'abisso vorrà guardare dentro di te (F. Nietzsche)
- Tavole della legge by admin
-

Lele_u_biddrazzu
8.154 3 8 13 - Master EY

- Messaggi: 1288
- Iscritto il: 23 gen 2007, 16:13
- Località: Modena
0
voti
Lele_u_biddrazzu ha scritto:Ne sei proprio sicuro![]()
Hai tralasciato le cadute di tensione dovute alla corrente omopolare che circola all'interno del triangolo![]()
Ecco cosa stavo trascurando XD
Grazie mille!!!
28 messaggi
• Pagina 3 di 3 • 1, 2, 3
Chi c’è in linea
Visitano il forum: Nessuno e 27 ospiti

Elettrotecnica e non solo (admin)
Un gatto tra gli elettroni (IsidoroKZ)
Esperienza e simulazioni (g.schgor)
Moleskine di un idraulico (RenzoDF)
Il Blog di ElectroYou (webmaster)
Idee microcontrollate (TardoFreak)
PICcoli grandi PICMicro (Paolino)
Il blog elettrico di carloc (carloc)
DirtEYblooog (dirtydeeds)
Di tutto... un po' (jordan20)
AK47 (lillo)
Esperienze elettroniche (marco438)
Telecomunicazioni musicali (clavicordo)
Automazione ed Elettronica (gustavo)
Direttive per la sicurezza (ErnestoCappelletti)
EYnfo dall'Alaska (mir)
Apriamo il quadro! (attilio)
H7-25 (asdf)
Passione Elettrica (massimob)
Elettroni a spasso (guidob)
Bloguerra (guerra)




