Quadro elettrico
Moderatori:
sebago,
MASSIMO-G,
lillo,
Mike
9 messaggi
• Pagina 1 di 1
0
voti
[1] Quadro elettrico
In un locale di esposizione tappeti, ho trovato il quadro elettrico generale nel bagno. Il bagno è privo di doccia e di vasca da bagno, solo lavabo e WC. Non ho mai visto niente di simile! Può starci il quadro li dentro? mah!??
-

giorgiosicilia
0 3 - Messaggi: 37
- Iscritto il: 25 mar 2008, 18:22
0
voti
Dipende, credo, dal tipo di quadro e dalla teglia, se è minore/uguale a 32A tipo AS, basta sia doppio isolamento..
Credo che il problema si ponga solo in ambienti M.A.R.C.I.O. e comunque in loghi ove è consentito l'accesso allo stesso al personale di servizio...
Credo che il problema si ponga solo in ambienti M.A.R.C.I.O. e comunque in loghi ove è consentito l'accesso allo stesso al personale di servizio...
0
voti
Visto che nel bagno non c'è vasca o doccia l'intero locale bagno si può considerare una zona 3!
la CEI al 701.53 Dispositivi di protezione, di sezionamento o di comando
Nella zona 3 prese a spina, interruttori ed altri apparecchi di comando sono permessi solo se
la protezione è ottenuta mediante:
- separazione elettrica (art. 413.5), individualmente,
- SELV (art. 411.1); o
- interruzione automatica dell’alimentazione, usando un interruttore differenziale avente
corrente differenziale nominale non superiore a 30 mA.
Questa cosa mi fa intuire che il quadro li ci può stare!
Cosa ne pensate? Non siamo in un luogo marcio e il quadro in questione è un quadretto 24 moduli IP44.
la CEI al 701.53 Dispositivi di protezione, di sezionamento o di comando
Nella zona 3 prese a spina, interruttori ed altri apparecchi di comando sono permessi solo se
la protezione è ottenuta mediante:
- separazione elettrica (art. 413.5), individualmente,
- SELV (art. 411.1); o
- interruzione automatica dell’alimentazione, usando un interruttore differenziale avente
corrente differenziale nominale non superiore a 30 mA.
Questa cosa mi fa intuire che il quadro li ci può stare!
Cosa ne pensate? Non siamo in un luogo marcio e il quadro in questione è un quadretto 24 moduli IP44.
-

giorgiosicilia
0 3 - Messaggi: 37
- Iscritto il: 25 mar 2008, 18:22
0
voti
Per la norma CEI 64-8 il bagno è un locale con vasca da bagno o doccia, mancando l'uno o l'altra non è più un locale da bagno ma un locale ordinario.
--
Michele Lysander Guetta
--
"Non pensare mai al dolore, al pericolo o ai nemici un momento più lungo del necessario per combatterli." — Ayn Rand
Michele Lysander Guetta
--
"Non pensare mai al dolore, al pericolo o ai nemici un momento più lungo del necessario per combatterli." — Ayn Rand
-

Mike
55,6k 7 10 12 - G.Master EY

- Messaggi: 17006
- Iscritto il: 1 ott 2004, 18:25
- Località: Conegliano (TV)
0
voti
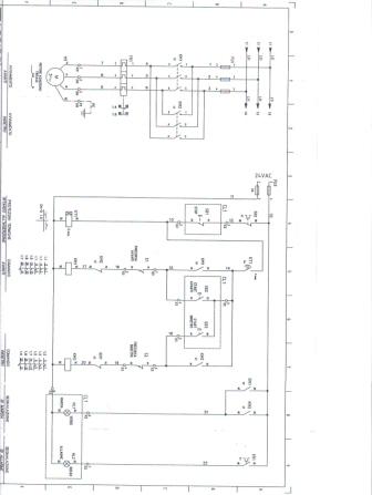
Ciao a me servirebbe una mano x capire il funzionamento e lo schema delle fasi di questo impianto....... Sotto c'e lo schema....... Grazie mille in anticipo.........
- Allegati
-
- Schema.jpeg (15.93 KiB) Osservato 5268 volte
0
voti
Andrek94 ha scritto:Ciao a me servirebbe una mano x capire il funzionamento e lo schema delle fasi di questo impianto....... Sotto c'e lo schema....... Grazie mille in anticipo.........
Pubblica il messaggio sulla bacheca principale!!!!!
-

giorgiosicilia
0 3 - Messaggi: 37
- Iscritto il: 25 mar 2008, 18:22
0
voti
Ciao, non riesco a leggere i numerini e sigle...ma dai simboli capisco che è l'avviamento di un motore stella/triangolo. La parte triangolo temporizzata e dopo un certo tempo il passaggio a triangolo. Intravedo due lampade spia che penso che siano "marcia" arresto" ovviamente gestiste una dal teleruttore del motore.
RAMELLA FABIO
RAMELLA FABIO
-

fabioramella
0 1 2 - Messaggi: 11
- Iscritto il: 5 feb 2011, 10:11
- Località: Volvera (TO)
9 messaggi
• Pagina 1 di 1
Torna a Impianti, sicurezza e quadristica
Chi c’è in linea
Visitano il forum: Nessuno e 61 ospiti

Elettrotecnica e non solo (admin)
Un gatto tra gli elettroni (IsidoroKZ)
Esperienza e simulazioni (g.schgor)
Moleskine di un idraulico (RenzoDF)
Il Blog di ElectroYou (webmaster)
Idee microcontrollate (TardoFreak)
PICcoli grandi PICMicro (Paolino)
Il blog elettrico di carloc (carloc)
DirtEYblooog (dirtydeeds)
Di tutto... un po' (jordan20)
AK47 (lillo)
Esperienze elettroniche (marco438)
Telecomunicazioni musicali (clavicordo)
Automazione ed Elettronica (gustavo)
Direttive per la sicurezza (ErnestoCappelletti)
EYnfo dall'Alaska (mir)
Apriamo il quadro! (attilio)
H7-25 (asdf)
Passione Elettrica (massimob)
Elettroni a spasso (guidob)
Bloguerra (guerra)



