Cos'è ElectroYou | Login Iscriviti

ElectroYou - la comunità dei professionisti del mondo elettrico

Oscillatore a ponte di Wien o di sfasamento?

Elettronica lineare e digitale: didattica ed applicazioni

Moderatori: Foto Utentecarloc, Foto Utenteg.schgor, Foto UtenteBrunoValente, Foto UtenteIsidoroKZ

0
voti

[1] Oscillatore a ponte di Wien o di sfasamento?

Messaggioda Foto Utentesimo85 » 22 feb 2011, 1:45

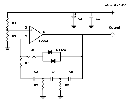
Ciao a tutti, ho il seguente circuito

Con i seguenti valori;
R1 = R2 = R4 = R5 = R6 = 10K
R3 = 240K
C1 = 10
C2 = 10u
C3 = C4 = C5 = 6n2


In laboratorio mi è stato presentato come un oscillatore a ponte di Wien. Dovendo presentare una relazione di studio del circuito, ho cercato ovviamente informazioni in rete sugli oscillatori ed ho notato che il circuito è molto più simile a un oscillatore di sfasamento. Tra l'altro mi è anche stato detto che è un oscillatore di sfasamento ?^! (ovviamente non dalla stessa persona)

Effettivamente, i circuiti oscillatori a ponte di Wien e di sfasamento si assomigliano, ma ovviamente non sono uguali, cosi per accertarmi ho fatto riferimento alla frequenza di output che ho misurato tramite l'oscilloscopio, la quale risulta essere di 1KHz..

Facendo il calcolo teroico, con la formula dell'oscillatore si sfasamento,
fo &= \frac{1}{2\pi RC\sqrt(2*NRC)} = \frac{1}{2\pi 10K*6n2 * \sqrt6} = 1047Hz
risultato che coincide molto con la misura pratica, mentre che con la formula dell'oscillatore a ponte di Wien
fo &= \frac{1}{2\pi RC} = \frac{1}{2\pi * 10K*6n2} = 2567Hz
come si può vedere il risultato è di molto differente.

Osservando i calcoli, sono abbastanza convinto che sia un oscillatore di sfasamento ma, visto che come ho detto, in laboratorio mi è stato presentato come un oscillatore a ponte di Wien, mi sono rimasti i miei dubbi, magari c'è qualche concetto di cui non sono a conoscenza e sto facendo degli errori.

Voi mi potete aiutare a togliermi questo dubbio accertandomi le cose come stanno davvero, per favore?
Grazie mille
Avatar utente
Foto Utentesimo85
30,9k 7 12 13
Disattivato su sua richiesta
 
Messaggi: 9927
Iscritto il: 30 ago 2010, 4:59

1
voti

[2] Re: Oscillatore a ponte di Wien o di sfasamento?

Messaggioda Foto UtenteIsidoroKZ » 22 feb 2011, 2:21

Quello e` un oscillatore a sfasamento, non c'e` il minimo dubbio.

L'oscillatore a ponte di Wien e` completamente diverso, la solita Wikipedia ha lo schema corretto e l'analisi della frequenza di risonanza.
Sempre dalla stessa fonte (sono sul notebook in prestito, senza mouse e in posizione scomoda, e non riesco a fare gli schemi) c'e` l'oscillatore a sfasamento.

Notare che nell'oscillatore a sfasameto il segnale torna indietro attraverso la rete RC e va sull'ingresso invertente, perche' la rete sfasa di 180 gradi (con tre condensatori), mentre nel ponte di Wien la rete ha sfasamento nullo e quindi il segnale rientra sull'ingresso non invertente.

Come sono stati giustificati i due diodi?
Per usare proficuamente un simulatore, bisogna sapere molta più elettronica di lui
Plug it in - it works better!
Il 555 sta all'elettronica come Arduino all'informatica! (entrambi loro malgrado)
Se volete risposte rispondete a tutte le mie domande
Avatar utente
Foto UtenteIsidoroKZ
121,2k 1 3 8
G.Master EY
G.Master EY
 
Messaggi: 21059
Iscritto il: 17 ott 2009, 0:00

0
voti

[3] Re: Oscillatore a ponte di Wien o di sfasamento?

Messaggioda Foto Utentesimo85 » 22 feb 2011, 2:48

Grazie Isidoro. Infatti tra i tanti siti consultati, ero passato anche per Wikipedia, proprio i link che hai riportato tu. Anche il funzionamento mi è abbastanza chiaro.
Come sono stati giustificati i due diodi?

Chiedo scusa, ora dovrebbe essere più chiaro

Mi è chiaro che attraverso D2 si rialimenta il circuito RC di R4 e C3 ed attraverso D1 passa il segnale di uscita, se non erro.
Avatar utente
Foto Utentesimo85
30,9k 7 12 13
Disattivato su sua richiesta
 
Messaggi: 9927
Iscritto il: 30 ago 2010, 4:59

1
voti

[4] Re: Oscillatore a ponte di Wien o di sfasamento?

Messaggioda Foto UtenteIsidoroKZ » 22 feb 2011, 7:32

Ho usato un verbo ambiguo. Giustificare nel senso "come sono stati spiegati i due diodi" perche' sono stati messi li`, che compito hanno, qual e` il loro compito nel circuito?

La spiegazione che hai dato non e` corretta, il segnale e` alternato!

Sono curioso di sapere la spiegazione di quel genio che chiama quel circuito oscillatore a ponte di Wien :-)
Per usare proficuamente un simulatore, bisogna sapere molta più elettronica di lui
Plug it in - it works better!
Il 555 sta all'elettronica come Arduino all'informatica! (entrambi loro malgrado)
Se volete risposte rispondete a tutte le mie domande
Avatar utente
Foto UtenteIsidoroKZ
121,2k 1 3 8
G.Master EY
G.Master EY
 
Messaggi: 21059
Iscritto il: 17 ott 2009, 0:00

0
voti

[5] Re: Oscillatore a ponte di Wien o di sfasamento?

Messaggioda Foto Utentesimo85 » 22 feb 2011, 13:25

Aiutandomi con un simulatore ho notato che senza i due diodi non ottengo una oscillazione. Suppongo quindi che servano per creare la onda sinusoidale. Potrei fare una prova dissaldandoli, se ho il tempo lo faró.

Riguardo al genio, ti diró.. Quel giorno a lezione non ero al meglio delle mie condizioni fisiche quindi non ricordo esattamente, sono sicuro che l'unico riferimento che mi è stato dato sul circuito è quello di Wien. Ho infatti il forte dubbio che il mio professore abbia detto questo. Rimango confuso a riguardo..
Secondo me il primo che l'ha tirata fuori e l'ha sparata grossa gli si è dato retta, ed il prof ha pensato: "Non gli dico una mazza e vediamo cosa mi tirano fuori" :mrgreen:
Giusto ieri parlandone con un compagno, gli dissi "questo è un oscillatore di sfasamento, ho cercato informazioni etc". Risposta: "No ti stai sbagliando, osserva bene il circuito etc".. ?%
Fu in quel momento che gli chiesi se aveva misurato la frequenza con i calcoli teorici ed in tal caso se gli quadrassero i dati; risposta: "ehm, no". Ah, ecco. :-k

Ti faró comunque sapere nelle prossime ore. :-)
Avatar utente
Foto Utentesimo85
30,9k 7 12 13
Disattivato su sua richiesta
 
Messaggi: 9927
Iscritto il: 30 ago 2010, 4:59

0
voti

[6] Re: Oscillatore a ponte di Wien o di sfasamento?

Messaggioda Foto UtenteRenzoDF » 22 feb 2011, 13:51

... tanto per dare un suggerimento, in quei due diodi e' esplicitata una caratteristica sempre necessaria in un oscillatore RC ;-)
"Il circuito ha sempre ragione" (Luigi Malesani)
Avatar utente
Foto UtenteRenzoDF
55,9k 8 12 13
G.Master EY
G.Master EY
 
Messaggi: 13189
Iscritto il: 4 ott 2008, 9:55

0
voti

[7] Re: Oscillatore a ponte di Wien o di sfasamento?

Messaggioda Foto Utentesimo85 » 22 feb 2011, 13:54

Grazie RenzoDF. Quindi ho capito bene il funzionamento lo scopo dei due diodi, giusto?
Avatar utente
Foto Utentesimo85
30,9k 7 12 13
Disattivato su sua richiesta
 
Messaggi: 9927
Iscritto il: 30 ago 2010, 4:59

0
voti

[8] Re: Oscillatore a ponte di Wien o di sfasamento?

Messaggioda Foto UtenteRenzoDF » 22 feb 2011, 14:02

gohan ha scritto:Grazie RenzoDF. Quindi ho capito bene il funzionamento lo scopo dei due diodi, giusto?


ovvero ?
Servono per ...... ...... ...... ........ ? (bastano 4 parole) :D
"Il circuito ha sempre ragione" (Luigi Malesani)
Avatar utente
Foto UtenteRenzoDF
55,9k 8 12 13
G.Master EY
G.Master EY
 
Messaggi: 13189
Iscritto il: 4 ott 2008, 9:55

0
voti

[9] Re: Oscillatore a ponte di Wien o di sfasamento?

Messaggioda Foto Utentesimo85 » 22 feb 2011, 14:33

Creare la retroalimentazione e di conseguenza la onda sinusoidale.
Se sbaglio, correggimi, perché il circuito ci è stato assegnato senza studiare previamente gli oscillatori. :-|
Avatar utente
Foto Utentesimo85
30,9k 7 12 13
Disattivato su sua richiesta
 
Messaggi: 9927
Iscritto il: 30 ago 2010, 4:59

1
voti

[10] Re: Oscillatore a sfasamento

Messaggioda Foto Utentelacu3 » 12 giu 2013, 21:49

Ciao a tutti! O_/ Sono nuovo di qui, quindi scusatemi se non sono nella sezione adatta.
Dovrei fare una tesina sugli oscillatori a sfasamento con OP-AMP e sugli oscillatori a sfasamento con transistor, solo che non riesco a trovare molto materiale. Qualcuno potrebbe darmi qualche dritta su dove cercare?
P.s. L'ho chiamata tesina perché la dovrò presentare all'esame di Elettronica 1.
Avatar utente
Foto Utentelacu3
29 2 3
 
Messaggi: 27
Iscritto il: 11 giu 2013, 8:25

Prossimo

Torna a Elettronica generale

Chi c’è in linea

Visitano il forum: Nessuno e 57 ospiti