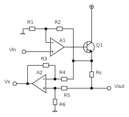
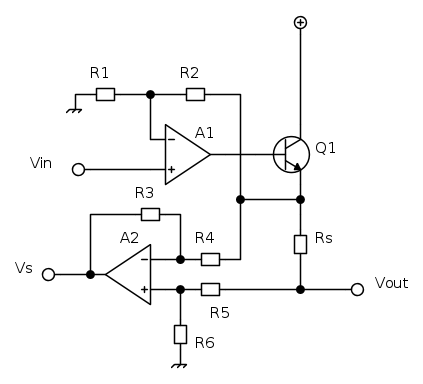
Lo schema di pricipio qui sotto e' un alimentare stabilizzato la cui tensione di uscita Vout dipende dalla Vin e che fornisce l' indicazione della corrente assorbita (Vs) con un amplificatore differenziale costruito intorno a A2.
E fin qui tutto bene.
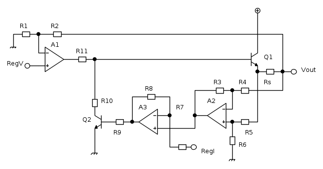
Quello che vorrei e' fare in modo di potere impostare la corrente di uscita tramite un ingresso di tensione come Vin che regola la tensione. In sostanza quello che vorrei ottenere e' un alimentatore che, per esempio, mi possa fornire una tensione variabile da 0 a 10V e da 0 a 1A mediante due ingressi che vanno da 0 a 1V e che mi regolino tensione e corrente.
Il fatto e' che non ho proprio idea di come fare.
Qualcuno potrebbe gentilmente aiutarmi?
Esistono circuiti integrati che svolgono la funzione (giusto per non reinventare la ruota)?
Ringrazio anticipatamente.
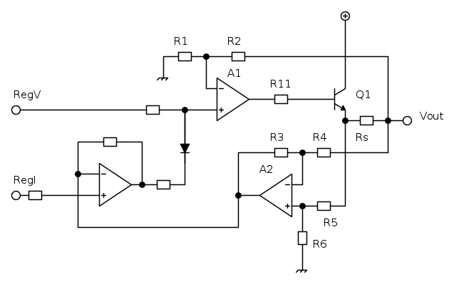
Edit: Il sensore di corrente e' sbagliato, la tensione che tira fuori e' negativa.
.Edit2: anche la retrozione per il controllo della tensione e' sbagliata.


Elettrotecnica e non solo (admin)
Un gatto tra gli elettroni (IsidoroKZ)
Esperienza e simulazioni (g.schgor)
Moleskine di un idraulico (RenzoDF)
Il Blog di ElectroYou (webmaster)
Idee microcontrollate (TardoFreak)
PICcoli grandi PICMicro (Paolino)
Il blog elettrico di carloc (carloc)
DirtEYblooog (dirtydeeds)
Di tutto... un po' (jordan20)
AK47 (lillo)
Esperienze elettroniche (marco438)
Telecomunicazioni musicali (clavicordo)
Automazione ed Elettronica (gustavo)
Direttive per la sicurezza (ErnestoCappelletti)
EYnfo dall'Alaska (mir)
Apriamo il quadro! (attilio)
H7-25 (asdf)
Passione Elettrica (massimob)
Elettroni a spasso (guidob)
Bloguerra (guerra)







