Circuito condizionamento PT100
Moderatori:
carloc,
g.schgor,
BrunoValente,
IsidoroKZ
43 messaggi
• Pagina 3 di 5 • 1, 2, 3, 4, 5
4
voti
Ok, andiamo un po' avanti. Avevamo trovato che

con

Il rapporto

è la sensibilità del circuito rispetto a
, che consideriamo come variabile d'ingresso. La resistenza di una Pt100 in funzione della temperatura Celsius
può essere approssimata dall'equazione
, con
. Quindi

Con queste posizioni, la tensione di uscita del circuito può essere scritta come

dove
è la sensibilità rispetto alla temperatura del sistema circuito più sensore. Con le specifiche a tua disposizione,
è fissato e questo ti permette di determinare
una volta nota
. Ma per questo c'è tempo, vediamo prima cosa capita a causa delle tolleranze delle resistenze e della tensione di alimentazione.
Nel circuito qua sotto ho supposto che ad ogni resistenza, tranne quella del sensore, e alla tensione di alimentazione sia associato un errore rispetto al valore nominale del componente. Ho denotato gli errori con i simboli
,
,
,
e
.
Si può dimostrare - non è difficile, ma un po' lungo - che, in questo caso, la tensione di uscita può essere scritta come
con

e

L'equazione sopra ci dice che quando misuriamo
non misuriamo indirettamente
, come credevamo di fare, ma
con

A causa delle tolleranze dei componenti, stiamo commettendo un errore di misura
; ricordandoci che
questo significa che stiamo commettendo un errore di misura della temperatura
. Questo errore ha due componenti, una additiva, indipendente da
(o da
), e una moltiplicativa, proporzionale a
(cioè a
).
Tanto per chiarire un po' le idee, vediamo nel grafico qua sotto la caratteristica
del circuito.
In nero ho disegnato la caratteristica che vorresti avere: passante per lo zero di
e con coefficiente angolare
; in rosso c'è la caratteristica reale: non passa per lo zero, ma per
la tensione di uscita vale
(c'è quindi un offset). Questo è l'errore additivo: si somma costante a tutti i valori di
. L'errore moltiplicativo è associato alla variazione di pendenza della caratteristica: il coefficiente angolare della caratteristica reale non è
, ma
. Allontanandosi molto dall'origine, l'errore diventa sempre più grande.
Al prossimo intervento, vedrò di quantificare questo errore per i componenti a tua disposizione e ti spiegherò come correggerlo.
(to be continued... again, stay tuned!)

con

Il rapporto

è la sensibilità del circuito rispetto a
, che consideriamo come variabile d'ingresso. La resistenza di una Pt100 in funzione della temperatura Celsius
può essere approssimata dall'equazione
, con
. Quindi
Con queste posizioni, la tensione di uscita del circuito può essere scritta come

dove
è la sensibilità rispetto alla temperatura del sistema circuito più sensore. Con le specifiche a tua disposizione,
è fissato e questo ti permette di determinare
una volta nota
. Ma per questo c'è tempo, vediamo prima cosa capita a causa delle tolleranze delle resistenze e della tensione di alimentazione. Nel circuito qua sotto ho supposto che ad ogni resistenza, tranne quella del sensore, e alla tensione di alimentazione sia associato un errore rispetto al valore nominale del componente. Ho denotato gli errori con i simboli
,
,
,
e
.Si può dimostrare - non è difficile, ma un po' lungo - che, in questo caso, la tensione di uscita può essere scritta come
con

e

L'equazione sopra ci dice che quando misuriamo
non misuriamo indirettamente
, come credevamo di fare, ma
con
A causa delle tolleranze dei componenti, stiamo commettendo un errore di misura
; ricordandoci che
questo significa che stiamo commettendo un errore di misura della temperatura
. Questo errore ha due componenti, una additiva, indipendente da
(o da
), e una moltiplicativa, proporzionale a
(cioè a
).Tanto per chiarire un po' le idee, vediamo nel grafico qua sotto la caratteristica
del circuito.In nero ho disegnato la caratteristica che vorresti avere: passante per lo zero di
e con coefficiente angolare
; in rosso c'è la caratteristica reale: non passa per lo zero, ma per
la tensione di uscita vale
(c'è quindi un offset). Questo è l'errore additivo: si somma costante a tutti i valori di
. L'errore moltiplicativo è associato alla variazione di pendenza della caratteristica: il coefficiente angolare della caratteristica reale non è
, ma
. Allontanandosi molto dall'origine, l'errore diventa sempre più grande.Al prossimo intervento, vedrò di quantificare questo errore per i componenti a tua disposizione e ti spiegherò come correggerlo.
(to be continued... again, stay tuned!)
It's a sin to write
instead of
(Anonimo).
...'cos you know that
ain't
, right?
You won't get a sexy tan if you write
in lieu of
.
Take a log for a fireplace, but don't take
for
arithm.
instead of
(Anonimo)....'cos you know that
ain't
, right?You won't get a sexy tan if you write
in lieu of
.Take a log for a fireplace, but don't take
for
arithm.-

DirtyDeeds
55,9k 7 11 13 - G.Master EY

- Messaggi: 7012
- Iscritto il: 13 apr 2010, 16:13
- Località: Somewhere in nowhere
0
voti
Stai facendo tantissimo con queste spiegazioni
grazie, praticamente da quello che vedo nel grafico, bisognerebbe correggere quel Delta X.
Le tolleranze quindi hanno una grandissima influenza su questo tipo di circuito.....
A essere sinceri, non immaginavo influiva di cosi tanto, certo che fidarsi troppo del simulatore che da risultati in casi tipicamente ideali, anche se speravo in un miglioramento nei multisim presenti oggi, visto che tengono conto delle tolleranze.
Nel circuito realizzato da me, per emarginare quel Delta, ho fatto in modo di partire da 400mV fino a 10V...
L'unico modo era quello per corregerlo (il più possibile) , ma non sono riuscito a eliminarlo tutto magari attraverso l'offset.
Le tolleranze quindi hanno una grandissima influenza su questo tipo di circuito.....
A essere sinceri, non immaginavo influiva di cosi tanto, certo che fidarsi troppo del simulatore che da risultati in casi tipicamente ideali, anche se speravo in un miglioramento nei multisim presenti oggi, visto che tengono conto delle tolleranze.
Nel circuito realizzato da me, per emarginare quel Delta, ho fatto in modo di partire da 400mV fino a 10V...
L'unico modo era quello per corregerlo (il più possibile) , ma non sono riuscito a eliminarlo tutto magari attraverso l'offset.
2
voti
Cseven ha scritto:Le tolleranze quindi hanno una grandissima influenza su questo tipo di circuito.....
Sì, e più in generale, su qualunque circuito di misura.
Cseven ha scritto:A essere sinceri, non immaginavo influiva di cosi tanto, certo che fidarsi troppo del simulatore che da risultati in casi tipicamente ideali
Influiscono così tanto perché la Pt100 è un sensore a bassa sensibilità: la sua resistenza varia dello 0,4% al grado (0,4 ohm al grado) e la variazione di una qualunque delle altre resistenze dello 0,4% implica un errore di un grado.
Torniamo ora ai conticini: nelle equazioni di
e
compaiono gli errori
,
ecc. Questi errori, però, noi non li conosciamo: l'unica cosa che conosciamo è la dispersione dei valori dei componenti rispetto al loro valore nominale. Tutto ciò che possiamo fare, allora, è un calcolo della dispersione dei valori di
e
. Per fare questo conto useremo un modello molto crudo: assumeremo che ogni componente di valore nominale
abbia valore vero compreso tra
e
, dove
indica la tolleranza (assoluta) del valore, e ci chiederemo quali sono gli intervalli che contengono tutti i possibili valori di
e di
.Prendiamo per esempio
: se tutti i valori delle resistenze fossero uguale al valore nominale, si avrebbe
; ora immagina che tutti i valori delle resistenze siano diversi da quello nominale, in modo che lo scostamento di
da 0 sia massimo. E' facile vedere che questo massimo scostamento vale
Analogamente per la sensibilità,

Se usiamo resistori con tolleranza del 5% e supponiamo una tolleranza di
del 4% (valore tipico per un 7815) e sostituiamo i valori, otteniamo
e
. Questo implica un'incertezza sulla temperatura
a
. A
, l'incertezza salirebbe a
I conti che ti ho fatto sopra peccano un po' per eccesso, però direi che ti fanno sicuramente capire l'importanza delle tolleranze!
E purtroppo, a rompere le scatole, non ci sono solo le tolleranze delle resistenze, ma anche gli offset degli opamp! La prossima volta ti farò vedere come stimare il loro effetto e poi - finalmente! - vedremo come ridurli o correggerli.
Un'ultima cosa: nell'espressione di
compare la tolleranza della tensione di eccitazione del ponte,
: l'effetto di questa tolleranza può essere eliminato facendo una misura raziometrica, misurando, cioè, il rapporto
. Alcuni convertitori A/D permettono proprio di fare questo tipo di misura (la
, però, deve essere più bassa).(to be continued... stay tuned!)
It's a sin to write
instead of
(Anonimo).
...'cos you know that
ain't
, right?
You won't get a sexy tan if you write
in lieu of
.
Take a log for a fireplace, but don't take
for
arithm.
instead of
(Anonimo)....'cos you know that
ain't
, right?You won't get a sexy tan if you write
in lieu of
.Take a log for a fireplace, but don't take
for
arithm.-

DirtyDeeds
55,9k 7 11 13 - G.Master EY

- Messaggi: 7012
- Iscritto il: 13 apr 2010, 16:13
- Località: Somewhere in nowhere
3
voti
Veniamo agli errori dovuti agli opamp: l'errore predominante è dovuto alle tensioni di offset
e
dei due opamp, mentre le correnti di polarizzazione e di offset possono essere trascurate perché
è sufficientemente bassa.
Il circuito equivalente da usare per lo studio dell'effetto degli offset è rappresentato qua sotto:
Anche in questo caso, si può dimostrare (ti invito a provare a farlo) che la tensione di uscita può essere scritta come
con

e

Nell'espressione di
l'ultima approssimazione vale per
. Le espressioni precedenti permettono, anche in questo caso, di determinare l'incertezza dovuta agli offset degli opamp. Con il modello grossolano usato precedentemente si ottiene

e

Da notare che:
Supponendo che la temperatura di lavoro del circuito (non della Pt100) sia intorno a 25 °C, dal data sheet troviamo
. Poiché dai conti precedenti si ha
, non rimane che determinare
. Sapendo che alla temperatura di 50 °C
e che

si ha

Sostituendo i valori trovati nelle espressioni delle incertezze si ha
(
) e
. Queste incertezze si sommano a quelle precedenti, per cui già a 0 °C abbiamo un'incertezza di 65 °C
amp;
Che possiamo fare?
Ecco tre soluzioni possibili, dalla migliore alla peggiore (che sarà quella scelta da te
):
Siccome mi sembra che tu possa implementare soltanto la terza possibilità, al prossimo post ti spiego come dimensionare i trimmer e a chiudere il progetto.
(to be continued...)
e
dei due opamp, mentre le correnti di polarizzazione e di offset possono essere trascurate perché
è sufficientemente bassa.Il circuito equivalente da usare per lo studio dell'effetto degli offset è rappresentato qua sotto:
Anche in questo caso, si può dimostrare (ti invito a provare a farlo) che la tensione di uscita può essere scritta come
con

e

Nell'espressione di
l'ultima approssimazione vale per
. Le espressioni precedenti permettono, anche in questo caso, di determinare l'incertezza dovuta agli offset degli opamp. Con il modello grossolano usato precedentemente si ottiene
e

Da notare che:
-
e
sono i valori di offset leggibili dal datasheet. - Sebbene nell'equazione di
compaia la differenza
, le due tensioni di offset non si cancellano perché non sono uguali, neanche se i due opamp sono nello stesso contentitore.
Supponendo che la temperatura di lavoro del circuito (non della Pt100) sia intorno a 25 °C, dal data sheet troviamo
. Poiché dai conti precedenti si ha
, non rimane che determinare
. Sapendo che alla temperatura di 50 °C
e che
si ha

Sostituendo i valori trovati nelle espressioni delle incertezze si ha
(
) e
. Queste incertezze si sommano a quelle precedenti, per cui già a 0 °C abbiamo un'incertezza di 65 °C
amp; Che possiamo fare?
Ecco tre soluzioni possibili, dalla migliore alla peggiore (che sarà quella scelta da te
- Utilizzare componenti con tolleranze ridotte: in commercio si trovano sia resistori con tolleranze sufficientemente basse (meglio dello 0,01%) che opamp con tensioni di offset sufficientemente basse da ottenere incertezze sulla misura di temperatura dell'ordine del decimo di grado Celsius senza bisogno di taratura o con, al più, una taratura a 0 °C. Ovviamente, il costo sale, ma il pregio di questi componenti sta anche nell'elevata stabilità termica.
- Utilizzare componenti comuni (diciamo resistori con tolleranza 0,1%-1%) e correggere l'errore per mezzo di un micro, dopo taratura su almeno due punti. Il costo del circuito è minore che nel punto precedente, ma i) c'è bisogno di una taratura e ii) la stabilità dei componenti non è ottimale.
- Utilizzare componenti comuni e correggere gli errori per mezzo di trimmer: soluzione deprecabile, soprattutto se gli errori da correggere sono elevati. I motivi per cui questa soluzione è deprecabile sono essenzialmente due: i) la bontà della messa in punto del circuito dipende dalla risoluzione dei trimmer e dall'abilità dell'operatore; ii) la stabilità della messa in punto è bassissima.
Siccome mi sembra che tu possa implementare soltanto la terza possibilità, al prossimo post ti spiego come dimensionare i trimmer e a chiudere il progetto.
(to be continued...)
It's a sin to write
instead of
(Anonimo).
...'cos you know that
ain't
, right?
You won't get a sexy tan if you write
in lieu of
.
Take a log for a fireplace, but don't take
for
arithm.
instead of
(Anonimo)....'cos you know that
ain't
, right?You won't get a sexy tan if you write
in lieu of
.Take a log for a fireplace, but don't take
for
arithm.-

DirtyDeeds
55,9k 7 11 13 - G.Master EY

- Messaggi: 7012
- Iscritto il: 13 apr 2010, 16:13
- Località: Somewhere in nowhere
0
voti
ARTICOLO!
E sto ancora aspettando il secondo sulle unita` di misura!
E sto ancora aspettando il secondo sulle unita` di misura!
Per usare proficuamente un simulatore, bisogna sapere molta più elettronica di lui
Plug it in - it works better!
Il 555 sta all'elettronica come Arduino all'informatica! (entrambi loro malgrado)
Se volete risposte rispondete a tutte le mie domande
Plug it in - it works better!
Il 555 sta all'elettronica come Arduino all'informatica! (entrambi loro malgrado)
Se volete risposte rispondete a tutte le mie domande
0
voti
Hai ragione su quello delle unità di misura :-( E' che mi distraggo facilmente
Avevo anche iniziato a scrivere qualcosa sul rumore però ci devo pensare ancora un po' su come organizzare la cosa... uff, ho solo due mani e scrivono pure lentamente
Per questo, ci penserò: non mi dispiacerebbe fare una carrellata sul condizionamento dei trasduttori resistivi... però, anche lì, mi sa che verrebbe un po' lunga e chissà quando la finirei!
Per questo, ci penserò: non mi dispiacerebbe fare una carrellata sul condizionamento dei trasduttori resistivi... però, anche lì, mi sa che verrebbe un po' lunga e chissà quando la finirei!
It's a sin to write
instead of
(Anonimo).
...'cos you know that
ain't
, right?
You won't get a sexy tan if you write
in lieu of
.
Take a log for a fireplace, but don't take
for
arithm.
instead of
(Anonimo)....'cos you know that
ain't
, right?You won't get a sexy tan if you write
in lieu of
.Take a log for a fireplace, but don't take
for
arithm.-

DirtyDeeds
55,9k 7 11 13 - G.Master EY

- Messaggi: 7012
- Iscritto il: 13 apr 2010, 16:13
- Località: Somewhere in nowhere
3
voti
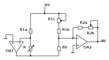
Vediamo allora come compensare gli errori di zero e sensibilità per mezzo di trimmer resistivi. Come ho detto nel post precedente, l'uso dei trimmer peggiora la stabilità della misura. Tale inconveniente può però essere limitato se si seguono alcune regole “igieniche” (moltissime informazioni sui trimmer possono essere trovate qui e qui):
Fatte queste premesse, vediamo che, dovendo correggere due errori, abbiamo bisogno di due trimmer. E sarebbe bello che questi agissero indipendentemente su zero e sensibilità. Se osserviamo le equazioni degli errori ricavate precedentemente


ci accorgiamo che
compare solo nell'equazione di
e
compare solo nell'equazione di
: se vogliamo una regolazione indipendente delle due grandezze, dobbiamo rendere variabili
e
, non abbiamo altre possibilità (vedremo un paio di altri circuiti, ma avranno i trimmer interagenti).
Ecco allora il circuito:
Finiamo allora il dimensionamento dei resistori.
rimane da
.
può essere scelta in base ai calcoli fatti precedentemente per
, quindi un valore vicino ai 5 kohm. Volendo essere conservativi per ciò che riguarda l'autoriscaldamento, nella serie al 5% che hai a disposizione, possiamo scegliere
.
permette di variare
e deve poter compensare sia errori negativi che positivi: per avere un escursione approssimativamente simmetrica si dovrà avere

e per poter compensare tutti i possibili valori di
, si dovrà anche avere (
è la massima escursione di
a partire dal centro)

dove nell'ultimo passaggio ho sommato i contributi a
di resistenze e offset. Di qui si ottiene
. Poiché un trimmer di questo valore non esiste in commercio, bisogna scegliere il primo disponibile di valore un po' maggiore. Se hai a disposizione solo trimmer monogiro puoi scegliere
. Con questi valori di
e
si ottiene
, che si trova nella serie al 5%.
Passiamo ora a
e
. Anche per la correzione degli errori di sensibilità dobbiamo essere in grado di compensare errori positivi e negativi. Con
al centro, vogliamo avere la sensibilità nominale:

dove
. Dall'equazione sopra si ottiene
. Inoltre deve essere

da cui
. Per i trimmer questo valore non esiste, per cui puoi scegliere
. Di qui, ricordandoci che
, otteniamo
(puoi usare
).
Il circuito finale (dovrebbe funzionare così com'è, salvo miei errori nei conti
):
Nella prossimo - e ultimo! - post discuterò di qualche altro circuito e vedrò di dire anche qualcosa sull'effetto della resistenza dei fili del sensore e sull'effetto delle derive termiche dei resistori.
(to be continued...)
- Usato come reostato, un trimmer non deve mai sostituire completamente una
resistenza ma deve essere connesso in serie ad un elemento fisso; in particolare, la resistenza del trimmer deve essere la minima possibile, compatibilmente con la corretta regolazione del circuito: in questo
modo si ottimizza la risoluzione della regolazione e si minimizzano le instabilità. - I trimmer non amano il funzionamento a “secco”: dove possibile, conviene fare in modo che attraverso al cursore mobile passi una corrente di almeno qualche decina di microampere che permetta la rimozione degli ossidi che si formano sul contatto del cursore.
- Nel funzionamento come reostato, il terminale inutilizzato deve essere connesso al cursore: in questo modo si riducono le instabilità durante la regolazione e si evita che eventuali interruzioni del contatto mobile possano provocare danni al resto del circuito.
- I trimmer multigiri sono preferibili a quelli monogiro per risoluzione e stabilità della regolazione
Fatte queste premesse, vediamo che, dovendo correggere due errori, abbiamo bisogno di due trimmer. E sarebbe bello che questi agissero indipendentemente su zero e sensibilità. Se osserviamo le equazioni degli errori ricavate precedentemente


ci accorgiamo che
compare solo nell'equazione di
e
compare solo nell'equazione di
: se vogliamo una regolazione indipendente delle due grandezze, dobbiamo rendere variabili
e
, non abbiamo altre possibilità (vedremo un paio di altri circuiti, ma avranno i trimmer interagenti).Ecco allora il circuito:
Finiamo allora il dimensionamento dei resistori.
rimane da
.
può essere scelta in base ai calcoli fatti precedentemente per
, quindi un valore vicino ai 5 kohm. Volendo essere conservativi per ciò che riguarda l'autoriscaldamento, nella serie al 5% che hai a disposizione, possiamo scegliere
.
permette di variare
e deve poter compensare sia errori negativi che positivi: per avere un escursione approssimativamente simmetrica si dovrà avere
e per poter compensare tutti i possibili valori di
, si dovrà anche avere (
è la massima escursione di
a partire dal centro)
dove nell'ultimo passaggio ho sommato i contributi a
di resistenze e offset. Di qui si ottiene
. Poiché un trimmer di questo valore non esiste in commercio, bisogna scegliere il primo disponibile di valore un po' maggiore. Se hai a disposizione solo trimmer monogiro puoi scegliere
. Con questi valori di
e
si ottiene
, che si trova nella serie al 5%.Passiamo ora a
e
. Anche per la correzione degli errori di sensibilità dobbiamo essere in grado di compensare errori positivi e negativi. Con
al centro, vogliamo avere la sensibilità nominale:
dove
. Dall'equazione sopra si ottiene
. Inoltre deve essere
da cui
. Per i trimmer questo valore non esiste, per cui puoi scegliere
. Di qui, ricordandoci che
, otteniamo
(puoi usare
).Il circuito finale (dovrebbe funzionare così com'è, salvo miei errori nei conti
Nella prossimo - e ultimo! - post discuterò di qualche altro circuito e vedrò di dire anche qualcosa sull'effetto della resistenza dei fili del sensore e sull'effetto delle derive termiche dei resistori.
(to be continued...)
It's a sin to write
instead of
(Anonimo).
...'cos you know that
ain't
, right?
You won't get a sexy tan if you write
in lieu of
.
Take a log for a fireplace, but don't take
for
arithm.
instead of
(Anonimo)....'cos you know that
ain't
, right?You won't get a sexy tan if you write
in lieu of
.Take a log for a fireplace, but don't take
for
arithm.-

DirtyDeeds
55,9k 7 11 13 - G.Master EY

- Messaggi: 7012
- Iscritto il: 13 apr 2010, 16:13
- Località: Somewhere in nowhere
0
voti
Prima di tutto, vorrei scusarmi per la risposta cosi ritardata....piccoli problemi, studio, e poco tempo a disposizione per guardare con attenzione quello che hai scritto.
Devo dire
spieghi meglio di molti miei prof attraverso un forum!!! da non credere :P
Allora, sinceramente se non avresti spiegato fino a questo punto tutti i tipi di fattori che influenzano un circuito di interfacciamento per la pt100 non ci sarei mai arrivato sul perché l'errore ottenuto da me era assai elevato e viste le mie poche conoscenze al riguardo non posso lamentarmi che rileggere ancora quello da te scritto.
Devo dire che in casi come questo darò più attenzione alle tolleranze
Non aggiungo altro, non mi rimane che provare a fare quello che hai tirato fuori te e dirti i risultati :)
Non appena ne avrò modo lo farò
Ti ringrazio per il tempo dedicatomi e alla spiegazione oltre alle mie aspettative :)
Devo dire
spieghi meglio di molti miei prof attraverso un forum!!! da non credere :PAllora, sinceramente se non avresti spiegato fino a questo punto tutti i tipi di fattori che influenzano un circuito di interfacciamento per la pt100 non ci sarei mai arrivato sul perché l'errore ottenuto da me era assai elevato e viste le mie poche conoscenze al riguardo non posso lamentarmi che rileggere ancora quello da te scritto.
Devo dire che in casi come questo darò più attenzione alle tolleranze
Non aggiungo altro, non mi rimane che provare a fare quello che hai tirato fuori te e dirti i risultati :)
Non appena ne avrò modo lo farò
Ti ringrazio per il tempo dedicatomi e alla spiegazione oltre alle mie aspettative :)
43 messaggi
• Pagina 3 di 5 • 1, 2, 3, 4, 5
Chi c’è in linea
Visitano il forum: Nessuno e 198 ospiti

Elettrotecnica e non solo (admin)
Un gatto tra gli elettroni (IsidoroKZ)
Esperienza e simulazioni (g.schgor)
Moleskine di un idraulico (RenzoDF)
Il Blog di ElectroYou (webmaster)
Idee microcontrollate (TardoFreak)
PICcoli grandi PICMicro (Paolino)
Il blog elettrico di carloc (carloc)
DirtEYblooog (dirtydeeds)
Di tutto... un po' (jordan20)
AK47 (lillo)
Esperienze elettroniche (marco438)
Telecomunicazioni musicali (clavicordo)
Automazione ed Elettronica (gustavo)
Direttive per la sicurezza (ErnestoCappelletti)
EYnfo dall'Alaska (mir)
Apriamo il quadro! (attilio)
H7-25 (asdf)
Passione Elettrica (massimob)
Elettroni a spasso (guidob)
Bloguerra (guerra)







