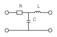
Salve a tutti...non riesco a capire come mai da questo circuito si ricava l'impedenza che lo segue...quali sono i calcoli che portano a quel risultato?
grazie..
problema con impedenza
Moderatori:
g.schgor,
IsidoroKZ
8 messaggi
• Pagina 1 di 1
0
voti
0
voti
Butterfly ha scritto:...non riesco a capire come mai da questo circuito si ricava l'impedenza che lo segue
Penso siano in pochi a saperlo
"Il circuito ha sempre ragione" (Luigi Malesani)
0
voti
Un circuito come quello non può dare un'impedenza come quella che hai scritto. Qual è il problema originale? Sei sicura che non sia un problema a parametri distribuiti? E tra quali terminali dovresti determinare l'impedenza?
PS: solite domande: cosa e dove studi?
PS: solite domande: cosa e dove studi?
It's a sin to write
instead of
(Anonimo).
...'cos you know that
ain't
, right?
You won't get a sexy tan if you write
in lieu of
.
Take a log for a fireplace, but don't take
for
arithm.
instead of
(Anonimo)....'cos you know that
ain't
, right?You won't get a sexy tan if you write
in lieu of
.Take a log for a fireplace, but don't take
for
arithm.-

DirtyDeeds
55,9k 7 11 13 - G.Master EY

- Messaggi: 7012
- Iscritto il: 13 apr 2010, 16:13
- Località: Somewhere in nowhere
0
voti
Edit admin: cancellata quotatura inutile
è un esercizio di 'segnali e trasmissione'. Devo individuare l'impedenza di adattamento per un doppino, che da quanto ho capito, viene schematizzato in quel modo...
Studio ingegneria a Roma
è un esercizio di 'segnali e trasmissione'. Devo individuare l'impedenza di adattamento per un doppino, che da quanto ho capito, viene schematizzato in quel modo...
Studio ingegneria a Roma
0
voti
Un doppino è una linea di trasmissione a parametri distribuiti e quella
rappresenta l'impedenza caratteristica della linea. Ti consiglierei di dare un'occhiata a questa dispensa (in particolare, capitolo linee con perdite).
rappresenta l'impedenza caratteristica della linea. Ti consiglierei di dare un'occhiata a questa dispensa (in particolare, capitolo linee con perdite).It's a sin to write
instead of
(Anonimo).
...'cos you know that
ain't
, right?
You won't get a sexy tan if you write
in lieu of
.
Take a log for a fireplace, but don't take
for
arithm.
instead of
(Anonimo)....'cos you know that
ain't
, right?You won't get a sexy tan if you write
in lieu of
.Take a log for a fireplace, but don't take
for
arithm.-

DirtyDeeds
55,9k 7 11 13 - G.Master EY

- Messaggi: 7012
- Iscritto il: 13 apr 2010, 16:13
- Località: Somewhere in nowhere
8 messaggi
• Pagina 1 di 1
Torna a Elettrotecnica generale
Chi c’è in linea
Visitano il forum: Nessuno e 104 ospiti

Elettrotecnica e non solo (admin)
Un gatto tra gli elettroni (IsidoroKZ)
Esperienza e simulazioni (g.schgor)
Moleskine di un idraulico (RenzoDF)
Il Blog di ElectroYou (webmaster)
Idee microcontrollate (TardoFreak)
PICcoli grandi PICMicro (Paolino)
Il blog elettrico di carloc (carloc)
DirtEYblooog (dirtydeeds)
Di tutto... un po' (jordan20)
AK47 (lillo)
Esperienze elettroniche (marco438)
Telecomunicazioni musicali (clavicordo)
Automazione ed Elettronica (gustavo)
Direttive per la sicurezza (ErnestoCappelletti)
EYnfo dall'Alaska (mir)
Apriamo il quadro! (attilio)
H7-25 (asdf)
Passione Elettrica (massimob)
Elettroni a spasso (guidob)
Bloguerra (guerra)



