Cos'è ElectroYou | Login Iscriviti

ElectroYou - la comunità dei professionisti del mondo elettrico

Consiglio emettitore e ricevitore infrared

Elettronica lineare e digitale: didattica ed applicazioni

Moderatori: Foto Utentecarloc, Foto Utenteg.schgor, Foto UtenteBrunoValente, Foto UtenteIsidoroKZ

0
voti

[1] Consiglio emettitore e ricevitore infrared

Messaggioda Foto Utentemanux » 14 mar 2011, 18:12

Salve a tutti volevo solo un consiglio su questi schemi, se potevano funzionare perché non sono molto pratico.
IO vorrei fare in modo che quando attivo l'emettitore, il ricevitore mi accenda un led.
Qui inserisco le immagini degli schemi.

schema emettitore
Immagine


schema ricevitore

designatore.png
designatore.png (8.21 KiB) Osservato 7130 volte


poi volevo sapere se potevo abbassare la tensione da 9volt a 5volt e con quale sistema.

vi ringrazio per l'aiuto

Edit mod: immagine ridimensionata.
Avatar utente
Foto Utentemanux
0 4
 
Messaggi: 19
Iscritto il: 25 feb 2011, 18:14

0
voti

[2] Re: consiglio emettitore e ricevitore infrared

Messaggioda Foto Utentedavidde » 15 mar 2011, 10:09

Sì, è fattibile, dovrebbe funzionare. Dovresti però specificare che distanza tra emettitore e ricevitore intendi coprire. Il ricevitore, se non hai bisogno di una temporizzazione o memoria può essere costruito in modo più semplice:



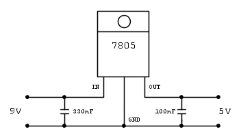
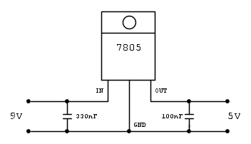
La tensione (se parti da una batteria a 9V o maggiore) la puoi abbassare utilizzando un 7805 che è un' integrato molto comune che svolge proprio la funzione di stabilizzatore a 5V.
Avatar utente
Foto Utentedavidde
13,3k 4 9 12
G.Master EY
G.Master EY
 
Messaggi: 4026
Iscritto il: 2 ago 2007, 11:40
Località: Bologna

0
voti

[3] Re: consiglio emettitore e ricevitore infrared

Messaggioda Foto Utentemanux » 15 mar 2011, 15:44

grazie mille!
La distanza sarebbe circa 15 metri, pero ho da dire che davanti al led metto una lente che lo metta a fuoco e tenga il raggio più uniforme. Grazie anche per il tuo schema penso che userò proprio il tuo.
Volevo sapere ancora una cosa per il 7805 avresti uno schema?
grazie e scusa per il disturbo
Avatar utente
Foto Utentemanux
0 4
 
Messaggi: 19
Iscritto il: 25 feb 2011, 18:14

0
voti

[4] Re: consiglio emettitore e ricevitore infrared

Messaggioda Foto Utentedavidde » 15 mar 2011, 17:21

Prego, nessun disturbo :-) !

15 metri sono tanti per risolvere con un circuito così semplice. Io con schemi del genere non sono mai riuscito a superare i 3-5 metri. Se però monti una lente può essere che tu ci riesca.
Il 7805 è un circuito integrato molto usato e facilmente reperibile (vedi qui), non servono schemi, comunque devi montarlo così:



A sinistra entri con la tua batteria da 9 o 12V, a destra esci con i 5V stabilizzati e puoi andare direttamente ad alimentare il circuito.

P.S.
Stavo riguardando il dimensionamento del circuito. Anche se a livello di principio funziona i componenti sono stati messi (mi sembra) piuttosto a caso. Il trasmettitore dovrebbe attraverso l' NE555 far scorrere nel led infrarosso una corrente di circa 1A ... l' NE555 non solo non ce la può fare ma si disintegra al primo colpo. Se vuoi possiamo cercare di fare un dimensionamento più umano, credo ne valga la pena.
Prima però devi recuperare i componenti, sopratutto led infrarosso e fotoricevitore, in funzione di quello che troverai vedremo il da farsi. Se compri in un negozio fatti dare le sigle dei componenti altrimenti non si possono fare le cose fatte bene.

P.S.2
Qui trovi una discussione simile a questa, a pagina 3 anche uno schema del ricevitore che più o meno fa quello che ti serve senza bruciarsi :-) . Occhio che i condensatori indicati con 47mF;10V e 220mF;10V sono in realtà da 47µF;10V e 220µF;10V .
Avatar utente
Foto Utentedavidde
13,3k 4 9 12
G.Master EY
G.Master EY
 
Messaggi: 4026
Iscritto il: 2 ago 2007, 11:40
Località: Bologna

0
voti

[5] Re: consiglio emettitore e ricevitore infrared

Messaggioda Foto Utentemanux » 15 mar 2011, 18:54

grazie mille!!
Il ricevitore e il led a ir mi arriva entro venerdì, e il circuito del ricevitore qundo riceve il segnale ir deve accendere un led che resti acceso fino a quando lo ressetto con il pulsante è possibile fare uno schema non troppo difficile per questo scopo? oppure modificare il mio e renderlo funzionante. Se mi potresti dare una mano te ne sarei grato.
Avatar utente
Foto Utentemanux
0 4
 
Messaggi: 19
Iscritto il: 25 feb 2011, 18:14

0
voti

[6] Re: consiglio emettitore e ricevitore infrared

Messaggioda Foto Utentedavidde » 16 mar 2011, 19:43

Ok, fammici pensare un po' e poi provo a proporti una soluzione semplice.

manux ha scritto:Il ricevitore e il led a ir mi arriva entro venerdì,


Ma quindi mi confermi che il ricevitore sarà il TSOP4840 e il led emettitore il TSAL6100 ?
Ad attrezzatura come sei organizzato ? Hai un tester e dei componenti in generale (tipo resistenze, condensatori, trimmer, transistor etc..) o li compri al dettaglio ?
Avatar utente
Foto Utentedavidde
13,3k 4 9 12
G.Master EY
G.Master EY
 
Messaggi: 4026
Iscritto il: 2 ago 2007, 11:40
Località: Bologna

0
voti

[7] Re: consiglio emettitore e ricevitore infrared

Messaggioda Foto Utentemanux » 16 mar 2011, 21:05

Il ricevitore e lemettitore sono quelli. Poi componeti vari ne ho in casa ma posso pure procurarmeli, ho il negozio di eletronnica a 100 metri da casa mia! :D Se possibile potresti trovare una soluzione con l' ne555.

descrizione di cio che il circouto dovrebbe fare:
Il circuito dovrebbe qundo sull'emettitore premo il pulsante, il ricevitore quando riceve il segnale deve accendere un led e poi per spegnere il led dovrei premere un pulsante di reset sul ricevitore, in modo che possa ripremere il pulsante sul emettitore.

PS: non ho la possibilità di utilizzare un PIC

ps2: non si potrebbe cercare di far funzionare il mio postato in precedenza cambiando i componenti?

Ti ringrazio in anticipo, per il tuo aiuto sei veramente gentile e disponibile.
Avatar utente
Foto Utentemanux
0 4
 
Messaggi: 19
Iscritto il: 25 feb 2011, 18:14

0
voti

[8] Re: consiglio emettitore e ricevitore infrared

Messaggioda Foto Utentedavidde » 17 mar 2011, 12:25

Beato te... il negozio di elettronica più vicino a me è a 30 km e puntualmente ogni volta che ci vado dimentico qualcosa :-) ...

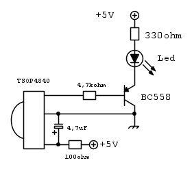
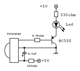
Se nel ricevitore ti serve la memoria una soluzione semplice con il 555 e il TSOP4840 potrebbe essere questa:

Ricevitore con memoria.png
Ricevitore con memoria.png (5.53 KiB) Osservato 7005 volte


Dacci un' occhio e dimmi se è tutto chiaro. Per il trasmettitore puoi usare l' altro schema, il trimmer serve per tarare l' esatta frequenza facendo così in modo che il ricevitore possa funzionare correttamente. Anche sullo schema del trasmettitore serve un 7805 per stabilizzare a 5V, quella parte di schema puoi copiarla dal ricevitore.

Mi raccomando, prova su millefori o breadboard perché è facile che ci siano alcune cose da sistemare...
Avatar utente
Foto Utentedavidde
13,3k 4 9 12
G.Master EY
G.Master EY
 
Messaggi: 4026
Iscritto il: 2 ago 2007, 11:40
Località: Bologna

0
voti

[9] Re: consiglio emettitore e ricevitore infrared

Messaggioda Foto Utentemanux » 17 mar 2011, 12:52

In tanto ti ringrazio per il tuo aiuto, sei molto disponibile. Venerdi mi arrivano i pezzi quindi lo provo e poi ti faccio sapere, comunque devo ammettere che è molto più semplice il tuo schema. :-)
Avatar utente
Foto Utentemanux
0 4
 
Messaggi: 19
Iscritto il: 25 feb 2011, 18:14

0
voti

[10] Re: consiglio emettitore e ricevitore infrared

Messaggioda Foto Utentedavidde » 17 mar 2011, 14:48

Si, lo schema è molto semplice ma sinceramente ho paura che 15 metri siano irraggiungibili anche con una lente.
Comunque prova poi eventualmente vediamo il da farsi...
Avatar utente
Foto Utentedavidde
13,3k 4 9 12
G.Master EY
G.Master EY
 
Messaggi: 4026
Iscritto il: 2 ago 2007, 11:40
Località: Bologna

Prossimo

Torna a Elettronica generale

Chi c’è in linea

Visitano il forum: Nessuno e 89 ospiti