Cos'è ElectroYou | Login Iscriviti

ElectroYou - la comunità dei professionisti del mondo elettrico

integratore sommatore

Elettronica lineare e digitale: didattica ed applicazioni

Moderatori: Foto Utentecarloc, Foto Utenteg.schgor, Foto UtenteBrunoValente, Foto UtenteIsidoroKZ

0
voti

[1] integratore sommatore

Messaggioda Foto Utenteangrigio » 21 mar 2011, 21:30

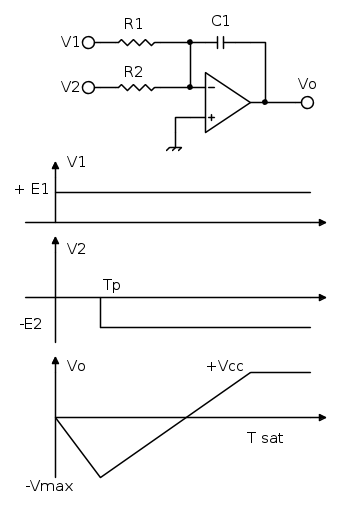
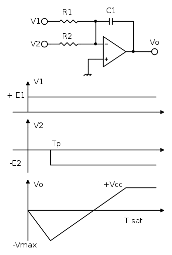
Nel seguente circuito vengono forniti :la tensione V1 con ampiezza di +4V ,il segnale V2 con ampiezza di -6V ,ritardato rispetto al primo di \[200\mu s\].I componenti del circuito hanno i seguenti valori:
\[R1 = 120 K\Omega R2= 150 K\Omega C1= 2\eta F\] .Il condensatore e' inizialmente scarico.Si vuole determinare l'andamento del segnale d'uscita e il valore del segnale Vo.
Si effettui lo studio nel dominio del tempo
Avatar utente
Foto Utenteangrigio
18 2 7
Frequentatore
Frequentatore
 
Messaggi: 181
Iscritto il: 8 set 2008, 15:44

0
voti

[2] Re: integratore sommatore

Messaggioda Foto Utenteangrigio » 21 mar 2011, 21:48

La tensione Vo per valori di tempo t < Tp e' determinata dal solo segnale d'ingresso V1 secondo la relazione:\[Vo = -\frac{1}{R1C1}\int_{0}^{t}V1(t)+K \] ma k e' nulla perche' il condensatore e' inizialmente scarico,da questo si ha che la Vo =\[Vo = -\frac{E1}{R1C1}t\]=-16667t,quando t = Tp la Vout e'
= -3,33 V.
Quando t = Tp al circuito sono applicate due tensioni ,quella relativa a V1 e quella relativa a V2 .Mi chiedo come si calcolano e se nella equazione il valore di K e' = 0 oppure se e' pari a 3,33 V
Avatar utente
Foto Utenteangrigio
18 2 7
Frequentatore
Frequentatore
 
Messaggi: 181
Iscritto il: 8 set 2008, 15:44

0
voti

[3] Re: integratore sommatore

Messaggioda Foto UtenteIsidoroKZ » 21 mar 2011, 21:55

Se eviti di postare piu` volte la stessa domanda, e` meglio. Metti a posto i simboli, e non capisco come hai fatto i conti, anche perche' non riesco a leggere il valore del condensatore.

Comunque la condizione iniziale dell'integratore, quando applichi il secondo ingresso e` pari al valore di tensione a cui era arrivato precedentemente.
Per usare proficuamente un simulatore, bisogna sapere molta più elettronica di lui
Plug it in - it works better!
Il 555 sta all'elettronica come Arduino all'informatica! (entrambi loro malgrado)
Se volete risposte rispondete a tutte le mie domande
Avatar utente
Foto UtenteIsidoroKZ
121,2k 1 3 8
G.Master EY
G.Master EY
 
Messaggi: 21059
Iscritto il: 17 ott 2009, 0:00

0
voti

[4] Re: integratore sommatore

Messaggioda Foto Utenteangrigio » 21 mar 2011, 22:15

Il valore del condensatore e' espresso in nanoFarad
Avatar utente
Foto Utenteangrigio
18 2 7
Frequentatore
Frequentatore
 
Messaggi: 181
Iscritto il: 8 set 2008, 15:44

0
voti

[5] Re: integratore sommatore

Messaggioda Foto UtenteIsidoroKZ » 22 mar 2011, 0:39

Ah ecco, nanofarad (tutto minuscolo). Perche' hai usato la lettera eta? Il simbolo di nanofarad e` nF, con una n normale.

In tal caso il conto della tensione dopo 200us e` giusto, e l'uscita dell'integratore riparte da quella tensione e comincia a salire.
Per usare proficuamente un simulatore, bisogna sapere molta più elettronica di lui
Plug it in - it works better!
Il 555 sta all'elettronica come Arduino all'informatica! (entrambi loro malgrado)
Se volete risposte rispondete a tutte le mie domande
Avatar utente
Foto UtenteIsidoroKZ
121,2k 1 3 8
G.Master EY
G.Master EY
 
Messaggi: 21059
Iscritto il: 17 ott 2009, 0:00

0
voti

[6] Re: integratore sommatore

Messaggioda Foto Utentemancio » 22 mar 2011, 15:51

La corrente che va a caricare C e': V1/R1 + V2/R2 con i segni opportuni e il valore di K e' -3,33V.
Il tempo necessario per arrivare a VBcc=+12V mi pare sia circa 1msec.
Avatar utente
Foto Utentemancio
-30 1 4
 
Messaggi: 35
Iscritto il: 30 nov 2010, 19:07

0
voti

[7] Re: integratore sommatore

Messaggioda Foto Utenteangrigio » 22 mar 2011, 16:37

Quindi K per t = Tp non e' = 0 .Ho tratto l'esercizio da un testo che calcola k = 0 .Se occorre posso scanerizzare il problema e la relativa soluzione..
Avatar utente
Foto Utenteangrigio
18 2 7
Frequentatore
Frequentatore
 
Messaggi: 181
Iscritto il: 8 set 2008, 15:44

0
voti

[8] Re: integratore sommatore

Messaggioda Foto UtenteIsidoroKZ » 22 mar 2011, 17:55

mancio ha scritto:Il tempo necessario per arrivare a VBcc=+12V mi pare sia circa 1msec.


Ammesso che la tensione di saturazione sia di 12V, a me sembra che il tempo sia parecchio piu` lungo, 4.5ms di salita e quindi la saturazione viene raggiunta per Tsat=4.7ms.

Dare un'occhiata ai conti prima di postare soluzioni sbagliate? Oppure mi sono sbagliato io :-)
Per usare proficuamente un simulatore, bisogna sapere molta più elettronica di lui
Plug it in - it works better!
Il 555 sta all'elettronica come Arduino all'informatica! (entrambi loro malgrado)
Se volete risposte rispondete a tutte le mie domande
Avatar utente
Foto UtenteIsidoroKZ
121,2k 1 3 8
G.Master EY
G.Master EY
 
Messaggi: 21059
Iscritto il: 17 ott 2009, 0:00

0
voti

[9] Re: integratore sommatore

Messaggioda Foto Utentemancio » 23 mar 2011, 11:27

Giusto. Il tempo di carica e' 4,6msec. Sono sicuro che il nostro amico avra' fatto meglio di me i calcoli.
Avatar utente
Foto Utentemancio
-30 1 4
 
Messaggi: 35
Iscritto il: 30 nov 2010, 19:07


Torna a Elettronica generale

Chi c’è in linea

Visitano il forum: Nessuno e 167 ospiti