Cos'è ElectroYou | Login Iscriviti

ElectroYou - la comunità dei professionisti del mondo elettrico

Aiuto riparazione alimentatore switching (accendisigari)

Elettronica lineare e digitale: didattica ed applicazioni

Moderatori: Foto Utentecarloc, Foto Utenteg.schgor, Foto UtenteBrunoValente, Foto UtenteIsidoroKZ

0
voti

[1] Aiuto riparazione alimentatore switching (accendisigari)

Messaggioda Foto Utente83darking83 » 2 apr 2011, 13:26

Ciao a tutti,
sto cercando di riparare un alimentatore switching che alimenta due porte USB ed è connesso all'accendisigari.
Qualche giorno fa ha smesso di funzionare all'improvviso, mentre avevo il cellulare in carica, ed ora ogni volta che lo collego ai 12 V eroga soltanto circa 1.5 V in uscita e il suo led rosso inoltre, lampeggia debolmente e velocemente (normalmente è sempre acceso).

Dopo aver aperto l'alimentatore ho testato praticamente tutti i componenti del circuito primario (diodi, resistenze...) ipotizzando un guasto sull'induttore o (molto più probabile) sull'integrato che regola lo switching.

Non sapendo il valore dell'induttanza ho provato a sostituire l'induttore con altri a "caso" tra quelli che avevo e il led si accende (con ai suoi capi una tensione di 1.5 V) e lampeggia solo con un induttore da 100 uH (marrone-nero-marrone).

A questo punto direi che è andato l'integrato (irreperibile) e ciò renderebbe sconveniente la riparazione.
Qualcuno ha un'idea migliore o qualsiasi consiglio?

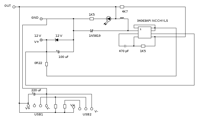
Allego qualche foto e il circuito che sono riuscito a ricostruire (contiene certamente errori sul circuito secondario che alimenta le USB). Scusate per la qualità...

Immagine Immagine Immagine



Datasheet integrato: http://www.onsemi.com/pub/Collateral/MC34063A-D.PDF
Avatar utente
Foto Utente83darking83
10 2 6
Frequentatore
Frequentatore
 
Messaggi: 139
Iscritto il: 6 mag 2010, 10:40
Località: Parma/Salento

0
voti

[2] Re: Aiuto riparazione alimentatore switching (accendisigari)

Messaggioda Foto Utentemarco438 » 2 apr 2011, 13:50

83darking83 ha scritto:
A questo punto direi che è andato l'integrato (irreperibile) e ciò renderebbe sconveniente la riparazione.
Qualcuno ha un'idea migliore o qualsiasi consiglio


Premesso che non e' detto che la causa del non funzionamento dell'alimentatore sia da addebitare all'integrato,
lo stesso e' reperibile da RS Components a meno di un euro.
Ciao
Avatar utente
Foto Utentemarco438
37,1k 7 11 13
-EY Legend-
-EY Legend-
 
Messaggi: 16323
Iscritto il: 24 mar 2010, 15:09
Località: Versilia

0
voti

[3] Re: Aiuto riparazione alimentatore switching (accendisigari)

Messaggioda Foto Utente83darking83 » 2 apr 2011, 13:53

Ciao,
marco438 ha scritto:Premesso che non e' detto che la causa del non funzionamento dell'alimentatore sia da addebitare all'integrato


Cioè? Hai un'idea migliore? Ho aperto il topic per questo :-)

marco438 ha scritto:le stesso e' reperibile da RS Components a meno di un euro.


Che insieme alle spese di spedizione, superano il valore dell'alimentatore... :?
Avatar utente
Foto Utente83darking83
10 2 6
Frequentatore
Frequentatore
 
Messaggi: 139
Iscritto il: 6 mag 2010, 10:40
Località: Parma/Salento

0
voti

[4] Re: Aiuto riparazione alimentatore switching (accendisigari)

Messaggioda Foto Utentemarco438 » 2 apr 2011, 13:56

Allora comprane uno nuovo.
Risparmi tempo e denaro.
Ciao
Avatar utente
Foto Utentemarco438
37,1k 7 11 13
-EY Legend-
-EY Legend-
 
Messaggi: 16323
Iscritto il: 24 mar 2010, 15:09
Località: Versilia

0
voti

[5] Re: Aiuto riparazione alimentatore switching (accendisigari)

Messaggioda Foto Utente83darking83 » 2 apr 2011, 21:06

A questo ci arrivavo ma non era lo scopo del topic, grazie comunque... O_/
Avatar utente
Foto Utente83darking83
10 2 6
Frequentatore
Frequentatore
 
Messaggi: 139
Iscritto il: 6 mag 2010, 10:40
Località: Parma/Salento

1
voti

[6] Re: Aiuto riparazione alimentatore switching (accendisigari)

Messaggioda Foto Utentemarioursino » 3 apr 2011, 5:21

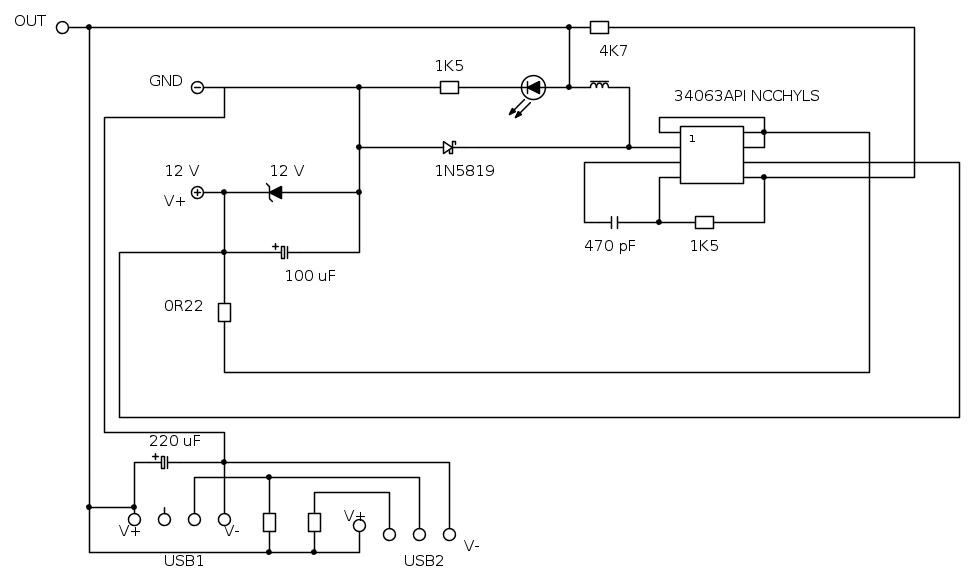
Potresti utilizzare un LM2576T-5 e ricostruire il circuito del datasheet sopra la scheda dell'accendisigari (anche rimuovendo a trapano o dremel con molta "cattiveria" i componenti precedenti):

lm.JPG
lm.JPG (22.66 KiB) Osservato 12199 volte


L'induttanza richiesta è proprio di 100 uH. In macchina a 12 V funziona egregiamente, scalda poco ed eroga una corrente più che dignitosa (3 A max).
Avatar utente
Foto Utentemarioursino
5.687 3 9 13
G.Master EY
G.Master EY
 
Messaggi: 1598
Iscritto il: 5 dic 2009, 4:32

0
voti

[7] Re: Aiuto riparazione alimentatore switching (accendisigari)

Messaggioda Foto UtenteIsidoroKZ » 3 apr 2011, 6:08

Gli induttori non si guastano quasi mai, al piu` si dissaldano (causando grossi guai ai 757 che si ritrovano senza combustibile, ma questa e` un'altra storia).

Se sull'integrato arriva l'alimentazione e non hai uscita, non c'e` nulla di ragionevole da fare, se non buttarlo.
Per usare proficuamente un simulatore, bisogna sapere molta più elettronica di lui
Plug it in - it works better!
Il 555 sta all'elettronica come Arduino all'informatica! (entrambi loro malgrado)
Se volete risposte rispondete a tutte le mie domande
Avatar utente
Foto UtenteIsidoroKZ
121,2k 1 3 8
G.Master EY
G.Master EY
 
Messaggi: 21059
Iscritto il: 17 ott 2009, 0:00

0
voti

[8] Re: Aiuto riparazione alimentatore switching (accendisigari)

Messaggioda Foto Utente83darking83 » 3 apr 2011, 17:31

marioursino ha scritto:Potresti utilizzare un LM2576T-5 [..]


Questa sembra una buona idea (avevo pensato ad un 7805, ma lo "spreco" di potenza sarebbe esagerato), appena ho un po' di tempo e se riesco a reperire l'integrato penso proprio di realizzarla.

Grazie ancora... :ok:
Avatar utente
Foto Utente83darking83
10 2 6
Frequentatore
Frequentatore
 
Messaggi: 139
Iscritto il: 6 mag 2010, 10:40
Località: Parma/Salento


Torna a Elettronica generale

Chi c’è in linea

Visitano il forum: Nessuno e 211 ospiti