Salve a tutti sono nuovo del forum e vi chiedo cortesemente aiuto visto che ho dei problemi nella realizzazione di un orologio a led.
Allora l'orologio dovrebbe funzionare nel seguente modo:ogni secondo si dovrebbe accendere un led quindi per un totale di 60 Led(uno ogni secondo) facendo in modo che al passaggio dal 1°sec. al 2°sec. al 3°sec e via dicendo fino al 60°sec. i Led si mantenagno accesi e si accendano uno dopo l'altro.Ad esempio se sta scattando il 15°secondo deve accendersi il 15°Led e i precendenti 14 devono mantenersi accesi,così fino al 60°, per poi far si che i Led comincino a spegnersi uno dopo l'altro e poi ricominciare il ciclo riaccendendosi uno dopo l'altro.
In breve prima devono accendersi tutti uno dopo l'altro poi spegnersi tutti uno dopo l'altro e poi ricominciare il ciclo.Come timer ho intenzione di utilizzare il 555 in configurazione monostabile un 4017 e uno shift register 4015.Sto provando con un programma che simula circuiti elettronici e per la precisione yenka ma non riesco nel mio intento.Qualcuno di voi sa aiutarmi??
Per la precisione il tutto dovrà essere attaccato alla presa domestica di 220 V.
Chiedo il vostro caloroso aiuto...Grazie anticipatamente!
Orologio a led
Moderatori:
carloc,
g.schgor,
BrunoValente,
IsidoroKZ
1
voti
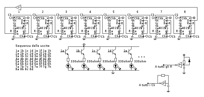
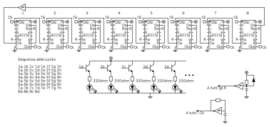
Ti servono 8 shift register 4015 da collegare in cascata. La sessantesima uscita va invertita e mandata all'ingresso del primo shift register, in modo da formare un contatore di Johnson. Il reset degli shift register va attivato all'accensione e poi lasciato inattivo.
Il contatore Johnson accende tutti i led, uno dopo l'altro in sequenza, e poi li spegne nello stesso ordine.
Ogni uscita del 4015 va bufferata con il solito transistor in quanto non riesce ad erogare la corrente necessaria per i led.
Lascia perdere il 555, e` una pessima idea, meglio ricavare la base tempi dalla frequenza di rete, dividendola per 50 con due integrati 4017 (visto che li vuoi usare, qui vengono comodi).
L'alimentazione deve essere ragionevolmente robusta perche' 60 led accesi consumano piu` di 1A.
Infine, cosa piu` importante di tutte, butta via i simulatori finche' non sai fare i progetti "a mano". Un simulatore non fa il progetto per te
.
Quali sono le tue basi di elettronica? Che cosa hai studiato o stai studiando?
Il contatore Johnson accende tutti i led, uno dopo l'altro in sequenza, e poi li spegne nello stesso ordine.
Ogni uscita del 4015 va bufferata con il solito transistor in quanto non riesce ad erogare la corrente necessaria per i led.
Lascia perdere il 555, e` una pessima idea, meglio ricavare la base tempi dalla frequenza di rete, dividendola per 50 con due integrati 4017 (visto che li vuoi usare, qui vengono comodi).
L'alimentazione deve essere ragionevolmente robusta perche' 60 led accesi consumano piu` di 1A.
Infine, cosa piu` importante di tutte, butta via i simulatori finche' non sai fare i progetti "a mano". Un simulatore non fa il progetto per te
Quali sono le tue basi di elettronica? Che cosa hai studiato o stai studiando?
Per usare proficuamente un simulatore, bisogna sapere molta più elettronica di lui
Plug it in - it works better!
Il 555 sta all'elettronica come Arduino all'informatica! (entrambi loro malgrado)
Se volete risposte rispondete a tutte le mie domande
Plug it in - it works better!
Il 555 sta all'elettronica come Arduino all'informatica! (entrambi loro malgrado)
Se volete risposte rispondete a tutte le mie domande
0
voti
Ti ringrazio davvero di cuore per la risposta precisa e tempestiva.Io sono al 5°anno di liceo scientifico e sono appassionato di elettronica infatti il mio indirizzo universitario sarà ingegneria elettronica.Le mie basi conoscitive non vanno oltre quelle scolastiche e proprio perché sono appassionato e cerco di sganciarmi dall'impostazione accademica che mi butto spesso in progetti che sono al di fuori della mia conoscenza.L'unico materiale che mi è stato d'aiuto sono stati solo i programmi per la progettazione su PC perché altre basi non le avevo.Scusa per la lunga digressione ma volevo solo chiarire quali sono le mie basi conoscitive e il perché ho chiesto aiuto.Ti chiedo molto cortesemente e se non rubo del tempo prezioso come potrei collegare in cascata gli shift register spiagandomi quali sono le uscite da prendere in considerazione.Ti ringrazio davvero!!
2
voti
Ti e` andata bene, avevo uno schema molto simile che e` bastato cambiare un pochino per ottenere quello che desideri.
Lo schema seguente e` solo per "studio", la realizzazione pratica richiede qualche piccolo dettaglio in piu`, come i condensatori sulle alimentazioni.
Le porte invertenti sono dei 40106, una di queste e` usata provvisoriamente per generare il clock per tutti gli integrati, in attesa di preparare il circuito che divide la frequenza di rete.
Invece l'altra porta invertente con R C e Diodo genera il reset all'accensione.
Comincia a studiare questo circuito, poi quando ne conosci il funzionamento, prova a simularlo.
Dai anche una occhiata al thread "Sequenza di 12 diodi led", dove poi i diodi sono diventati 46. Lo schema che ho modificato l'ho preso di li`.
In che universita` prevedi di andare?
Altro suggerimento, dopo quello di lasciare perdere i simulatori per il progetto. Quando andrai all'universita` non prendere alla leggera analisi, con la scusa "tanto l'ho gia` fatta in liceo"
Lo schema seguente e` solo per "studio", la realizzazione pratica richiede qualche piccolo dettaglio in piu`, come i condensatori sulle alimentazioni.
Le porte invertenti sono dei 40106, una di queste e` usata provvisoriamente per generare il clock per tutti gli integrati, in attesa di preparare il circuito che divide la frequenza di rete.
Invece l'altra porta invertente con R C e Diodo genera il reset all'accensione.
Comincia a studiare questo circuito, poi quando ne conosci il funzionamento, prova a simularlo.
Dai anche una occhiata al thread "Sequenza di 12 diodi led", dove poi i diodi sono diventati 46. Lo schema che ho modificato l'ho preso di li`.
In che universita` prevedi di andare?
Altro suggerimento, dopo quello di lasciare perdere i simulatori per il progetto. Quando andrai all'universita` non prendere alla leggera analisi, con la scusa "tanto l'ho gia` fatta in liceo"
Per usare proficuamente un simulatore, bisogna sapere molta più elettronica di lui
Plug it in - it works better!
Il 555 sta all'elettronica come Arduino all'informatica! (entrambi loro malgrado)
Se volete risposte rispondete a tutte le mie domande
Plug it in - it works better!
Il 555 sta all'elettronica come Arduino all'informatica! (entrambi loro malgrado)
Se volete risposte rispondete a tutte le mie domande
0
voti
O.T.
Con un MM5450, 2 transistor, 4 resistenze, 4 condensatori, un quarzo e un PIC delle balle si fa tutto.
Pero' non saprei se si puo' simulare.
Scusate l' intromissione.
Con un MM5450, 2 transistor, 4 resistenze, 4 condensatori, un quarzo e un PIC delle balle si fa tutto.
Pero' non saprei se si puo' simulare.
Scusate l' intromissione.
"La follia sta nel fare sempre la stessa cosa aspettandosi risultati diversi".
"Parla soltanto quando sei sicuro che quello che dirai è più bello del silenzio".
Rispondere è cortesia, ma lasciare l'ultima parola ai cretini è arte.
"Parla soltanto quando sei sicuro che quello che dirai è più bello del silenzio".
Rispondere è cortesia, ma lasciare l'ultima parola ai cretini è arte.
-

TardoFreak
73,9k 8 12 13 - -EY Legend-

- Messaggi: 15754
- Iscritto il: 16 dic 2009, 11:10
- Località: Torino - 3° pianeta del Sistema Solare
1
voti
Un solo mm5450? Multiplexando le uscite? Ma non come da schema del data sheet
!
Direi che la versione "a unghie" con i registri a scorrimento sia piu` didattica per chi si avvicina alla logica, e che forse non conosce ancora la programmazione dei microcontrollori.
Direi che la versione "a unghie" con i registri a scorrimento sia piu` didattica per chi si avvicina alla logica, e che forse non conosce ancora la programmazione dei microcontrollori.
Per usare proficuamente un simulatore, bisogna sapere molta più elettronica di lui
Plug it in - it works better!
Il 555 sta all'elettronica come Arduino all'informatica! (entrambi loro malgrado)
Se volete risposte rispondete a tutte le mie domande
Plug it in - it works better!
Il 555 sta all'elettronica come Arduino all'informatica! (entrambi loro malgrado)
Se volete risposte rispondete a tutte le mie domande
0
voti
Grazie davvero per l'interessamento e l'umiltà nonostante lei mi sembri un oracolo!complimenti davvero per le sue conoscenze.la ringrazio anche per il consiglio dell'università però sono sicuro che non la sottovaluterò anzi darò il meglio di me stesso perché voglio divenire un laureato qualificato soprattutto perché l'elettronica mi appassiona e in tutto quello che mi piace vorrei essere il migliore soprattutto in questo campo.
Allora sullo schema ci ho ben riflettuto e ho ben capito come collegare gli shift register in caduta però poi quando ho guardato la parte sottostante dove sono raffigurati i led li mi sono sorti non pochi dubbi anche perché non ho ben capito dove vadano collegati con gli shift register.
Le pongo anche un altro mio dubbio a riguardo cioè i decounter 4017 dove devo collegarli con gli shift register??
Allora sullo schema ci ho ben riflettuto e ho ben capito come collegare gli shift register in caduta però poi quando ho guardato la parte sottostante dove sono raffigurati i led li mi sono sorti non pochi dubbi anche perché non ho ben capito dove vadano collegati con gli shift register.
Le pongo anche un altro mio dubbio a riguardo cioè i decounter 4017 dove devo collegarli con gli shift register??
0
voti
Chiedo scusa ma prima non mi sono spiegato bene.Allora lo schema riguardandolo approfonditamente mi ha dato le risposte che cercavo...però volevo dei chiarimenti.Il dubbio sull'utilizzo dei decounters 4017 rimane e poi mi è sorto un altro dubbio cioè per ogni shift register 4015 quanti led posso collegare?dovrebbero essere dall'uscita a fino alla g e quindi 7 Led,giusto?
L'uscita h non va considerata in quanto viene considerata solo per collegare in caduta lo shift register al succesivo vero?
Se però posso collegare solo 7 led a ogni shift register i led totali sarebbero 56 anzichè 60 quindi poi avrei bisogno di un altro shift register o ho sbagliato i calcoli??
Per i transistor utili per bufferare l'uscita di che tipo ho bisogno?NPN o PNP?
Chiedo ancora scusa per la poca chiarezza e l'incorrettezza del messaggio precedente
Per l'università sarei propenso ad andare verso Bologna però è ancora tutto da definire tu cosa mi conisigli?
L'uscita h non va considerata in quanto viene considerata solo per collegare in caduta lo shift register al succesivo vero?
Se però posso collegare solo 7 led a ogni shift register i led totali sarebbero 56 anzichè 60 quindi poi avrei bisogno di un altro shift register o ho sbagliato i calcoli??
Per i transistor utili per bufferare l'uscita di che tipo ho bisogno?NPN o PNP?
Chiedo ancora scusa per la poca chiarezza e l'incorrettezza del messaggio precedente
Per l'università sarei propenso ad andare verso Bologna però è ancora tutto da definire tu cosa mi conisigli?
1
voti
Gli 8 integrati 4015 sono numerati da 1 a 8. Ognuno di loro ha 8 uscite, da a fino ad h.
Le basi dei 60 transistori (ne sono solo disegnati 5), vanno collegate direttamente alle uscite dei 4015, nell'ordine 1a, 1b, 1c... fino a 8c e 8d.
Per questa parte di circuito non servono i 4017. Il circuito e` completo, accende e spegne progressivamente 60 led.
Guarda il data sheet dei 4015, studialo, e cerca di capire il funzionamento del circuito. Se ci sono problemi chiedo. POI lo simuli e vedi se le cose tornano.
Le basi dei 60 transistori (ne sono solo disegnati 5), vanno collegate direttamente alle uscite dei 4015, nell'ordine 1a, 1b, 1c... fino a 8c e 8d.
Per questa parte di circuito non servono i 4017. Il circuito e` completo, accende e spegne progressivamente 60 led.
Guarda il data sheet dei 4015, studialo, e cerca di capire il funzionamento del circuito. Se ci sono problemi chiedo. POI lo simuli e vedi se le cose tornano.
Per usare proficuamente un simulatore, bisogna sapere molta più elettronica di lui
Plug it in - it works better!
Il 555 sta all'elettronica come Arduino all'informatica! (entrambi loro malgrado)
Se volete risposte rispondete a tutte le mie domande
Plug it in - it works better!
Il 555 sta all'elettronica come Arduino all'informatica! (entrambi loro malgrado)
Se volete risposte rispondete a tutte le mie domande
1
voti
[10] Re: Orologio a led
A ogni shift register vanno collegati 8 led, anche l'uscita h va usata.
Del resto nel 4015 ci sono due shift register indipendenti da 4 bit l'uno e l'uscita d e` collegata all'ingresso De e comunque va anche al suo transistor. Il collegamento si chiama in cascata, non in caduta.
La tabella in basso a sinistra dice quali e in che ordine sono le uscite da usare.
I transistori sono NPN, come si vede dal loro simbolo.
Bologna e` un ottimo ateneo, se mi dici in che ambito dell'elettronica ti piacerebbe approfondire, forse si puo` dare qualche consiglio per la laurea specialistica, il triennio e` praticamente equivalente in tutte le buone universita`.
Del resto nel 4015 ci sono due shift register indipendenti da 4 bit l'uno e l'uscita d e` collegata all'ingresso De e comunque va anche al suo transistor. Il collegamento si chiama in cascata, non in caduta.
La tabella in basso a sinistra dice quali e in che ordine sono le uscite da usare.
I transistori sono NPN, come si vede dal loro simbolo.
Bologna e` un ottimo ateneo, se mi dici in che ambito dell'elettronica ti piacerebbe approfondire, forse si puo` dare qualche consiglio per la laurea specialistica, il triennio e` praticamente equivalente in tutte le buone universita`.
Per usare proficuamente un simulatore, bisogna sapere molta più elettronica di lui
Plug it in - it works better!
Il 555 sta all'elettronica come Arduino all'informatica! (entrambi loro malgrado)
Se volete risposte rispondete a tutte le mie domande
Plug it in - it works better!
Il 555 sta all'elettronica come Arduino all'informatica! (entrambi loro malgrado)
Se volete risposte rispondete a tutte le mie domande
Chi c’è in linea
Visitano il forum: Nessuno e 119 ospiti

Elettrotecnica e non solo (admin)
Un gatto tra gli elettroni (IsidoroKZ)
Esperienza e simulazioni (g.schgor)
Moleskine di un idraulico (RenzoDF)
Il Blog di ElectroYou (webmaster)
Idee microcontrollate (TardoFreak)
PICcoli grandi PICMicro (Paolino)
Il blog elettrico di carloc (carloc)
DirtEYblooog (dirtydeeds)
Di tutto... un po' (jordan20)
AK47 (lillo)
Esperienze elettroniche (marco438)
Telecomunicazioni musicali (clavicordo)
Automazione ed Elettronica (gustavo)
Direttive per la sicurezza (ErnestoCappelletti)
EYnfo dall'Alaska (mir)
Apriamo il quadro! (attilio)
H7-25 (asdf)
Passione Elettrica (massimob)
Elettroni a spasso (guidob)
Bloguerra (guerra)


