Non c' è nulla da capire.
Se X1 fosse ad esempio una capacità, ad una determinata frequenza avrebbe una "resistenza" calcolabile, lo metto tra virgolette apposta perché è una approssimazione.
Ma insomma mi pare che questi metodi "della serva", quando non è richiesta una valutazione approfondita, siano ampiamente usati.
impedenza
Moderatori:
g.schgor,
IsidoroKZ
22 messaggi
• Pagina 2 di 3 • 1, 2, 3
0
voti
[12] Re: impedenza
La X e' gia' data come reattanza: non c'e' bisogno di conoscere alcuna frequenza per rispondere alla domanda. L'unica cosa che non e' data e' la natura della reattanza, capacitiva od induttiva, cosa che non altera il valore in ohm dell'impedenza equivalente eneppure il valore assoulto dell'angolo di sfasamento, ma solo la posizione di anticipo o di ritardo della corrente rispetto alla tensione.
0
voti
[13] Re: impedenza
Vero Admin, X1 è dichiarata come 60 ohm, è inequivocabile.
Forse avevo inteso male io il discorso di candy.
Forse avevo inteso male io il discorso di candy.
1
voti
[14] Re: impedenza
Il fatto è che resistenza e reattanza sono due cose profondamente diverse..
sia dal lato fisico... la prima dissipa energia, la seconda immagazzina e rende...
sia dal lato elettrico... tensione e corrente proporzionali nel caso della resistenza oppure -visto che parliamo di reattanza sottointendiamo a regime sinosoudale permanente- tensione e corrente sfasate di 90° nelle reattanze
Parlando di una resistenza ed una reattanza in serie...
sommarle così e via non porta da nessuna parte....o si usano i numeri complessi o si fanno i diagrammi vettoriali...
l'unica approssimazione che si può fare se è il caso e ben sapendo che stiamo commettendo un errore che si potrebbe propagare non sappiamo come è:
se una ha valore numerico almeno 10 volte l'altra... si butta via la minore e si tiene quello che resta con la sua natura (resistiva o reattiva)
Per il parallelo vale la stessa cosa ma con conduttanza e suscettanza
Edit: così facendo l'errore è al massimo: sul modulo intorno allo 0.5% e sulla fase intorno a 6°
sia dal lato fisico... la prima dissipa energia, la seconda immagazzina e rende...
sia dal lato elettrico... tensione e corrente proporzionali nel caso della resistenza oppure -visto che parliamo di reattanza sottointendiamo a regime sinosoudale permanente- tensione e corrente sfasate di 90° nelle reattanze
Parlando di una resistenza ed una reattanza in serie...
sommarle così e via non porta da nessuna parte....o si usano i numeri complessi o si fanno i diagrammi vettoriali...
l'unica approssimazione che si può fare se è il caso e ben sapendo che stiamo commettendo un errore che si potrebbe propagare non sappiamo come è:
se una ha valore numerico almeno 10 volte l'altra... si butta via la minore e si tiene quello che resta con la sua natura (resistiva o reattiva)
Per il parallelo vale la stessa cosa ma con conduttanza e suscettanza
Edit: così facendo l'errore è al massimo: sul modulo intorno allo 0.5% e sulla fase intorno a 6°
Se ti serve il valore di beta: hai sbagliato il progetto!
0
voti
[15] Re: impedenza
xelar ha scritto:[..]
schema elettrico:
- Codice: Seleziona tutto
[fcd]C:\Users\user\Desktop\circuito.fcd[/fcd]
Per inserire lo schema non devi mettere tra i tag fcd il nome del file sul tuo PC
Devi inserire il codice del file generato da FidocadJ. Selezioni il disegno fatto nella finestra FIdocadJ fai copia, quindi lo incolli tra i tag.
0
voti
[16] Re: impedenza
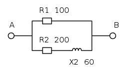
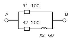
eccovi il circuito di cui vi parlavo finemente realizzato!
****************** ___R1___
************A___|***********|___B
******************|_R2__x2_|
R1= 100ohm R2= 200ohm X2= 60ohm
mi serve l'impedenza totale, utilizzando ovviamente solo questi dati. gli "*" sono spazi vuoti del "disegno".
grazie.
****************** ___R1___
************A___|***********|___B
******************|_R2__x2_|
R1= 100ohm R2= 200ohm X2= 60ohm
mi serve l'impedenza totale, utilizzando ovviamente solo questi dati. gli "*" sono spazi vuoti del "disegno".
grazie.
0
voti
[17] Re: impedenza
Ipotizzando che questo sia il tuo schema:
E scegliendo di ragionare con moduli ed argomenti delle impedenze, allora in una prima fase si sempliciza come segue:
Dove Zx vale in modulo:

Mentre il suo argomento sarà:

Ora trovandosi Zx in parallelo ad R2, non resta che semplificarla come segue:
Ottenendo la Z equivalente della rete. Il calcolo di tale parallelo è più macchinoso, occorre passare per i numeri complessi, almeno per effettuare le somme, ma vediamo:

Mentre a numeratore trovandosi una moltiplicazione, il calcolo sarebbe semplice, a denominatore le cose si complicano, la somma andrà fatta utilizzando i numeri immaginari...
Lascio a te la conclusione. Sei ora sulla buona strada ?
E scegliendo di ragionare con moduli ed argomenti delle impedenze, allora in una prima fase si sempliciza come segue:
Dove Zx vale in modulo:

Mentre il suo argomento sarà:

Ora trovandosi Zx in parallelo ad R2, non resta che semplificarla come segue:
Ottenendo la Z equivalente della rete. Il calcolo di tale parallelo è più macchinoso, occorre passare per i numeri complessi, almeno per effettuare le somme, ma vediamo:

Mentre a numeratore trovandosi una moltiplicazione, il calcolo sarebbe semplice, a denominatore le cose si complicano, la somma andrà fatta utilizzando i numeri immaginari...
Lascio a te la conclusione. Sei ora sulla buona strada ?
-

Candy
32,5k 7 10 13 - CRU - Account cancellato su Richiesta utente
- Messaggi: 10123
- Iscritto il: 14 giu 2010, 22:54
0
voti
[18] Re: impedenza
e' esattamente il mio caso. In effetti ero indirizzato proprio su questi calcoli.
Il fatto che si richieda il modulo, rende quindi trascurabile la parte immaginaria.
le risposte multiple sono : 72.2ohm, 74.2 ohm, 67.5ohm, 360.0 ohm.
Ipotizzo che a questo punto il risultato corretto sia 67.5ohm.
grazie mille per la repentinità e la disponibilità che avete dimostrato.
Il fatto che si richieda il modulo, rende quindi trascurabile la parte immaginaria.
le risposte multiple sono : 72.2ohm, 74.2 ohm, 67.5ohm, 360.0 ohm.
Ipotizzo che a questo punto il risultato corretto sia 67.5ohm.
grazie mille per la repentinità e la disponibilità che avete dimostrato.
0
voti
[19] Re: impedenza
xelar ha scritto:Il fatto che si richieda il modulo, rende quindi trascurabile la parte immaginaria
Per niente: dipende dal valore della parte immaginaria rispetto alle parti reali e dal fatto se gli elementi siano in parallelo od in serie, come ha gia' scritto Carloc del resto
xelar ha scritto:le risposte multiple sono : 72.2ohm, 74.2 ohm, 67.5ohm, 360.0 ohm.
Ipotizzo che a questo punto il risultato corretto sia 67.5ohm.
La risposta e' corretta ma deve essere la conseguenza di calcoli, non di ipotesi
0
voti
[20] Re: impedenza
xelar ha scritto:e' esattamente il mio caso. In effetti ero indirizzato proprio su questi calcoli.
indirizzato ?
xelar ha scritto:Il fatto che si richieda il modulo, rende quindi trascurabile la parte immaginaria.
trascurare la parte immaginaria ?
xelar ha scritto:le risposte multiple sono : 72.2ohm, 74.2 ohm, 67.5ohm, 360.0 ohm.
Ipotizzo che a questo punto il risultato corretto sia 67.5ohm.
67.5 ?
Ma di cosa stiamo parlando ? ... mi devo essere perso qualcosa
"Il circuito ha sempre ragione" (Luigi Malesani)
22 messaggi
• Pagina 2 di 3 • 1, 2, 3
Torna a Elettrotecnica generale
Chi c’è in linea
Visitano il forum: Nessuno e 59 ospiti

Elettrotecnica e non solo (admin)
Un gatto tra gli elettroni (IsidoroKZ)
Esperienza e simulazioni (g.schgor)
Moleskine di un idraulico (RenzoDF)
Il Blog di ElectroYou (webmaster)
Idee microcontrollate (TardoFreak)
PICcoli grandi PICMicro (Paolino)
Il blog elettrico di carloc (carloc)
DirtEYblooog (dirtydeeds)
Di tutto... un po' (jordan20)
AK47 (lillo)
Esperienze elettroniche (marco438)
Telecomunicazioni musicali (clavicordo)
Automazione ed Elettronica (gustavo)
Direttive per la sicurezza (ErnestoCappelletti)
EYnfo dall'Alaska (mir)
Apriamo il quadro! (attilio)
H7-25 (asdf)
Passione Elettrica (massimob)
Elettroni a spasso (guidob)
Bloguerra (guerra)









