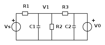
Ho questo schema che rappresenta un filtro a retroazione negativa di cui dovrei ricavare la FdT.
Fra le indicazioni per la soluzione oltre a quella di scrivere l'equazione alle correnti al terminale - dell'operazionale c'è quella in cui si dice di applicare Millman al nodo V1.
Quindi sarebbe

Continuo a guardarlo ma non sono mica convinto:francamente non "vedo" Millman al nodo V1, non è che q.che anima pia mi può illuminare?
Grazie

Elettrotecnica e non solo (admin)
Un gatto tra gli elettroni (IsidoroKZ)
Esperienza e simulazioni (g.schgor)
Moleskine di un idraulico (RenzoDF)
Il Blog di ElectroYou (webmaster)
Idee microcontrollate (TardoFreak)
PICcoli grandi PICMicro (Paolino)
Il blog elettrico di carloc (carloc)
DirtEYblooog (dirtydeeds)
Di tutto... un po' (jordan20)
AK47 (lillo)
Esperienze elettroniche (marco438)
Telecomunicazioni musicali (clavicordo)
Automazione ed Elettronica (gustavo)
Direttive per la sicurezza (ErnestoCappelletti)
EYnfo dall'Alaska (mir)
Apriamo il quadro! (attilio)
H7-25 (asdf)
Passione Elettrica (massimob)
Elettroni a spasso (guidob)
Bloguerra (guerra)




