Ciao..
dovrei convertire un'onda quadra in un range tra 20 e 200 khz in una tensione continua. sapere suggerirmi un dispositivo integrato o un circuito che lo faccia? L'unico vincolo è tensione di alimentazione singola tra 0 e 5 V.
Grazie
conversione frequenza tensione
Moderatori:
carloc,
g.schgor,
BrunoValente,
IsidoroKZ
5 messaggi
• Pagina 1 di 1
1
voti
Si può fare abbastanza semplicemente con un monostabile ed un filtro passabasso....
ma devi dare più dettagli... tipo 0.4-4V @ 20-200kHz ti può star bene?... che banda deve avere il circuito, cioè se la frequenza cambia "quanto velocemente" cambia l'uscita... che accuratezza ti aspetti?... che ripple puoi tollerare in uscita?
e poi, anzi prima sei proprio sicuro che ti serva questo circuito? se ci speghi il problema intero magari vediamo qualche alternativa....
ma devi dare più dettagli... tipo 0.4-4V @ 20-200kHz ti può star bene?... che banda deve avere il circuito, cioè se la frequenza cambia "quanto velocemente" cambia l'uscita... che accuratezza ti aspetti?... che ripple puoi tollerare in uscita?
e poi, anzi prima sei proprio sicuro che ti serva questo circuito? se ci speghi il problema intero magari vediamo qualche alternativa....
Se ti serve il valore di beta: hai sbagliato il progetto!
0
voti
Si 20-200 khz va bene, sulla rapidità di risposta non ho vincoli particolari, idem l'accuratezza.
grazie
grazie
1
voti
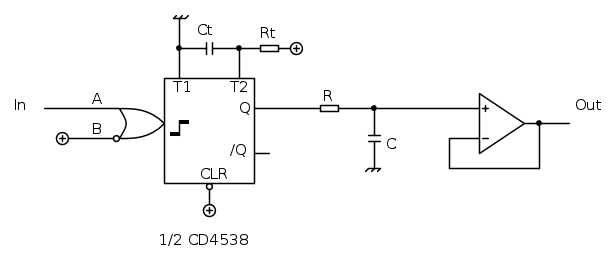
Potersti provare con qualcosa del genere
il monostabile va dimensionato per avere un tempo minore di 1/200 kHz = 5 us... diciamo 4 us.. considerato che mi pare di ricordare (controlla il datasheet) che T=Rt Ct potersti fare Ct=1nF e Rt=4 kohm nel senso di 3.3 kohm e un trimmer da 2 kohm in serie...
Il filtro in uscita invece deve avere costante di tempo molto maggiore della minima frequenza..1/20kHz = 50 us... se non hai problemi di velocità di risposta fai 50 ms e hai ripple basso in uscita... tipo R=47 kohm e C=1 uF così puoi evitare di usare un elettrolitico
Questo circuito ha comunque un'impedenza di uscita relativamente elevata... molto probabilmente devi farlo seguire dal buffer a guadagno unitario fatto con un opamp rail-to-rail
il monostabile va dimensionato per avere un tempo minore di 1/200 kHz = 5 us... diciamo 4 us.. considerato che mi pare di ricordare (controlla il datasheet) che T=Rt Ct potersti fare Ct=1nF e Rt=4 kohm nel senso di 3.3 kohm e un trimmer da 2 kohm in serie...
Il filtro in uscita invece deve avere costante di tempo molto maggiore della minima frequenza..1/20kHz = 50 us... se non hai problemi di velocità di risposta fai 50 ms e hai ripple basso in uscita... tipo R=47 kohm e C=1 uF così puoi evitare di usare un elettrolitico
Questo circuito ha comunque un'impedenza di uscita relativamente elevata... molto probabilmente devi farlo seguire dal buffer a guadagno unitario fatto con un opamp rail-to-rail
Se ti serve il valore di beta: hai sbagliato il progetto!
5 messaggi
• Pagina 1 di 1
Chi c’è in linea
Visitano il forum: Nessuno e 57 ospiti

Elettrotecnica e non solo (admin)
Un gatto tra gli elettroni (IsidoroKZ)
Esperienza e simulazioni (g.schgor)
Moleskine di un idraulico (RenzoDF)
Il Blog di ElectroYou (webmaster)
Idee microcontrollate (TardoFreak)
PICcoli grandi PICMicro (Paolino)
Il blog elettrico di carloc (carloc)
DirtEYblooog (dirtydeeds)
Di tutto... un po' (jordan20)
AK47 (lillo)
Esperienze elettroniche (marco438)
Telecomunicazioni musicali (clavicordo)
Automazione ed Elettronica (gustavo)
Direttive per la sicurezza (ErnestoCappelletti)
EYnfo dall'Alaska (mir)
Apriamo il quadro! (attilio)
H7-25 (asdf)
Passione Elettrica (massimob)
Elettroni a spasso (guidob)
Bloguerra (guerra)


