Si si.... Pere le prove.... Anche quella che ha fatto saltare tutto ho staccato prima il contatore generale prima di lavorare sui fili...
Grazie comunque per averlo ricordato.... Nn basta mai.... Anche perché mi sa che ci resti secco...
Ti chiedo intanto... Il fatto che con la mia prova, la lampada si è accesa per un secondo prima che saltasse tutto ti dice qualcosa?
Sostituire temporizzatore con relè
Moderatori:
sebago,
MASSIMO-G,
lillo,
Mike
42 messaggi
• Pagina 3 di 5 • 1, 2, 3, 4, 5
0
voti
0
voti
mcorona86 ha scritto: Il fatto che con la mia prova, la lampada si è accesa per un secondo prima che saltasse tutto ti dice qualcosa?
da qui non è semplice, potrebbe essersi trattato anche di un guasto sulla lampada, quindi sostituendo la lampada interessata (o anche togliendola e provando con l'altra) si risolva il guasto, e magari le connessioni iniziali erano corrette, ...è un'ipotesi.
Ultima modifica di
mir il 26 giu 2011, 23:39, modificato 1 volta in totale.
0
voti
Non credo... Perché quando ho riattaccato il temporizzatore tutto è ricominciato a funzionare correttamente. La lampadina non si è bruciata? Ma magari non c'entra!
0
voti
mcorona86 ha scritto:..quando ho riattaccato il temporizzatore tutto è ricominciato a funzionare correttamente.
allora vien da se che le connessioni no siano state corrette,pertanto le indicazioni dell'installatore si riferivano ada altro (colori), direi che un tester sia un buon punto di partenza.
0
voti
Però guardando come dovrebbe essere collegato il temporizzatore, o meglio come i tre fili dovrebbero andare ai morsetti, effettivamente dovrebbero essere collegati giustamente. O meglio, è corretto collegare all'uno la lampada, al due la corrente e al tre gli interruttori. Infatti la carta delle corrispondenze che ha lasciato la ho trovata dopo e ho visto successivamente che combaciavano.
0
voti
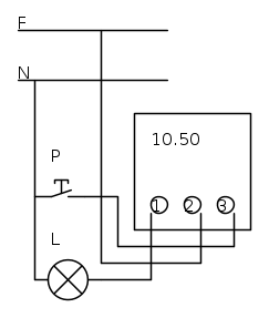
Questo dovrebbe essere "quello giusto" che però non funziona:
L'unica cosa che mi viene in mente è che potrebbe essere invertito A1 e A2, cioè potrebbe andare il grigio su A1 e arancio su A2, per capire meglio senza misurare col tester, bisognerebbe avere lo schema di collegamento del temporizzatore come ha già detto
mir.
L'unica cosa che mi viene in mente è che potrebbe essere invertito A1 e A2, cioè potrebbe andare il grigio su A1 e arancio su A2, per capire meglio senza misurare col tester, bisognerebbe avere lo schema di collegamento del temporizzatore come ha già detto
Igor
-

elettrodomus
10,1k 6 11 13 - G.Master EY

- Messaggi: 2607
- Iscritto il: 28 gen 2011, 22:38
- Località: Bassa Bresciana
0
voti
Dunque... Il temporizzatore è quasi identico al primo di questo PDF, penso sia il modello precedente a questo. La scatola è identica
http://www.perry.it/CATPDF/ita/88/88.pdf
Quello che pensavo è che magari al relè devono arrivare due fasi e un neutro, mentre al temporizzatore magari arrivavano per esempio tre fasi come mi sembra di capire dallo schema del PDF. Se così fosse, cioè che al relè ho collegato tre fasi, dite che sarebbe dovuto succedere quello che è successo quando ho attaccato la corrente?
Eppure guardando qui, il collegamento del relè
http://datasheet.octopart.com/27.01.8.2 ... 337132.pdf
Sembrerebbe che anche questo deve essere alimentato da tre fasi, sbaglio? Non ci capisco più nulla
http://www.perry.it/CATPDF/ita/88/88.pdf
Quello che pensavo è che magari al relè devono arrivare due fasi e un neutro, mentre al temporizzatore magari arrivavano per esempio tre fasi come mi sembra di capire dallo schema del PDF. Se così fosse, cioè che al relè ho collegato tre fasi, dite che sarebbe dovuto succedere quello che è successo quando ho attaccato la corrente?
Eppure guardando qui, il collegamento del relè
http://datasheet.octopart.com/27.01.8.2 ... 337132.pdf
Sembrerebbe che anche questo deve essere alimentato da tre fasi, sbaglio? Non ci capisco più nulla
0
voti
Dunque andiamo con ordine, ed iniziamo con il dire che il collegamento del relè dovrà utilizzare gli stessi conduttori del temporizzatore, ovvero una fase interrotta dal pulsante ed il neutro diretto, con il terzo filo che dovrà serivre la fase alle lampade.
pertanto se è vero che il modello del temporizzatore corrisponde al pdf linkato ovvero al modello 10.51, mentre quello in tuo possesso è il 10.49 allora lo schema di collegamento diventa:
adesso si tratta di vedere la corrispondenza dei conduttori/colore, pertanto muniti di cercafase, si potrebbe già individuare il conduttore di fase fra i punti 2 e 3 del temporizzatore,uno dei due per forza di cose dovrà essere la fase,anche provando con il pulsante pigiato, poiché non è escluso che la fase sia comandata dal pulsante, trovato il conduttore di fase, si cerca quello del pulsante armati di tester in portata Vac fra la fase trovata ed il possibile neutro che con buone possibilità sarà il 2, ed il gioco è fatto.
Tutto questoprestando la massima attenzione alla Sicurezza prorpia e degli altri, poiché si sta lavorando in presenza di tensione,e nell'eventuale insicurezza chiamare un tecnico.
fermo restando la possibile soluzione indicata da[user]elettrodomus.[/user]
pertanto se è vero che il modello del temporizzatore corrisponde al pdf linkato ovvero al modello 10.51, mentre quello in tuo possesso è il 10.49 allora lo schema di collegamento diventa:
adesso si tratta di vedere la corrispondenza dei conduttori/colore, pertanto muniti di cercafase, si potrebbe già individuare il conduttore di fase fra i punti 2 e 3 del temporizzatore,uno dei due per forza di cose dovrà essere la fase,anche provando con il pulsante pigiato, poiché non è escluso che la fase sia comandata dal pulsante, trovato il conduttore di fase, si cerca quello del pulsante armati di tester in portata Vac fra la fase trovata ed il possibile neutro che con buone possibilità sarà il 2, ed il gioco è fatto.
Tutto questoprestando la massima attenzione alla Sicurezza prorpia e degli altri, poiché si sta lavorando in presenza di tensione,e nell'eventuale insicurezza chiamare un tecnico.
fermo restando la possibile soluzione indicata da[user]elettrodomus.[/user]
0
voti
Guardando gli schemi dovrebbe essere corretto il collegamento, se non funziona, evidentemente c'è qualcosa che non va, potrebbe essere un collegamento "alternativo" fatto dall'elettrico, oppure qualcosa che sbagli tu (senza offesa), oppure che sia stato interposto un altro dispositivo. Da qui è dura darti un aiuto, forse sarebbe meglio far intervenire un elettricista. Ad ogni modo potresti ancora verificare i colori dei fili che arrivano ai pulsanti e alle lampade.
NB: bisognerebbe sapere in vero anche se gli stessi colori sono stati mantenuti tali.
Vedendo gli schemi non sarebbe corretta e si rischierebbe un bel corto... Probabilmente la soluzione è semplice ma difficile è trovare il problema da qui
NB: bisognerebbe sapere in vero anche se gli stessi colori sono stati mantenuti tali.
mir ha scritto:fermo restando la possibile soluzione indicata daelettrodomus
Vedendo gli schemi non sarebbe corretta e si rischierebbe un bel corto... Probabilmente la soluzione è semplice ma difficile è trovare il problema da qui
Igor
-

elettrodomus
10,1k 6 11 13 - G.Master EY

- Messaggi: 2607
- Iscritto il: 28 gen 2011, 22:38
- Località: Bassa Bresciana
42 messaggi
• Pagina 3 di 5 • 1, 2, 3, 4, 5
Torna a Impianti, sicurezza e quadristica
Chi c’è in linea
Visitano il forum: Nessuno e 23 ospiti

Elettrotecnica e non solo (admin)
Un gatto tra gli elettroni (IsidoroKZ)
Esperienza e simulazioni (g.schgor)
Moleskine di un idraulico (RenzoDF)
Il Blog di ElectroYou (webmaster)
Idee microcontrollate (TardoFreak)
PICcoli grandi PICMicro (Paolino)
Il blog elettrico di carloc (carloc)
DirtEYblooog (dirtydeeds)
Di tutto... un po' (jordan20)
AK47 (lillo)
Esperienze elettroniche (marco438)
Telecomunicazioni musicali (clavicordo)
Automazione ed Elettronica (gustavo)
Direttive per la sicurezza (ErnestoCappelletti)
EYnfo dall'Alaska (mir)
Apriamo il quadro! (attilio)
H7-25 (asdf)
Passione Elettrica (massimob)
Elettroni a spasso (guidob)
Bloguerra (guerra)


