Cos'è ElectroYou | Login Iscriviti

ElectroYou - la comunità dei professionisti del mondo elettrico

Esercizio Amp Operazionale

Elettronica lineare e digitale: didattica ed applicazioni

Moderatori: Foto Utentecarloc, Foto Utenteg.schgor, Foto UtenteBrunoValente, Foto UtenteIsidoroKZ

4
voti

[1] Esercizio Amp Operazionale

Messaggioda Foto UtenteArianna88 » 4 lug 2011, 22:47

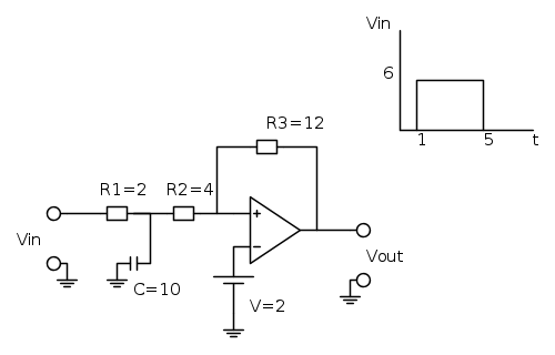
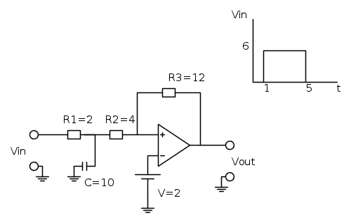
Ciao ragazzi, dovrebbe essere un esercizio abbastanza banale ma ho dei problemi a considerare il condensatore e non riesco a trovare esempi svolti per capirne il procedimento.
Il testo dice:
"Dato il segnale di ingresso Vin determinare e graficare l'andamento temporale della Vout in uscita."
Dovrei applicare il principio di sovrapposizione degli effetti considerando dapprima Vin nulla e prendendo in considerazione la batteria (e fin qui ci sono :-) ), poi il contrario ed è qui che comincio ad avere problemi.
Sapreste aiutarmi?

Avatar utente
Foto UtenteArianna88
20 2
 
Messaggi: 13
Iscritto il: 4 lug 2011, 11:34

0
voti

[2] Re: Esercizio Amp Operazionale

Messaggioda Foto UtenteDirtyDeeds » 4 lug 2011, 22:58

Beh, innanzitutto complimenti per l'uso di Fidocad al primo post :-)

I terminali + e - dell'opamp sono proprio messi così o sono invertiti?
It's a sin to write sin instead of \sin (Anonimo).
...'cos you know that cos ain't \cos, right?
You won't get a sexy tan if you write tan in lieu of \tan.
Take a log for a fireplace, but don't take log for \logarithm.
Avatar utente
Foto UtenteDirtyDeeds
55,9k 7 11 13
G.Master EY
G.Master EY
 
Messaggi: 7012
Iscritto il: 13 apr 2010, 16:13
Località: Somewhere in nowhere

0
voti

[3] Re: Esercizio Amp Operazionale

Messaggioda Foto UtenteArianna88 » 4 lug 2011, 23:02

hihihi grazie per i complimenti e sì...effettivamente li ho invertiti :oops:
Avatar utente
Foto UtenteArianna88
20 2
 
Messaggi: 13
Iscritto il: 4 lug 2011, 11:34

3
voti

[4] Re: Esercizio Amp Operazionale

Messaggioda Foto UtenteDirtyDeeds » 4 lug 2011, 23:16

Bene, altrimenti avresti fatto un comparatore invece di un amplificatore.

Allora direi che puoi procedere come si risolvono tutti i transitori dei circuiti del prim'ordine: per t < 1\,\text{s} la tensione di uscita la sai calcolare. Nel tratto 1\,\text{s}<t<5\,\text{s} la tensione di uscita avrà un'evoluzione del tipo

v_\text{out}(t) = v_\text{out}(\infty) + [v_\text{out}(1-)-v_\text{out}(\infty)]\text{e}^{-t/\tau}

dove v_\text{out}(\infty) te la calcoli supponendo il condensatore come un circuito aperto e la tensione di ingresso pari a 6 V. Poi ripeti il tutto per t>5\,\text{s} determinando le condizioni iniziali dall'equazione precedente e la condizione finale mettendo di nuovo a 0 la tensione d'ingresso.

I valori di resistenze e capacità sono in ohm e farad? :shock:

Prova a postare i passaggi, poi correggiamo.
It's a sin to write sin instead of \sin (Anonimo).
...'cos you know that cos ain't \cos, right?
You won't get a sexy tan if you write tan in lieu of \tan.
Take a log for a fireplace, but don't take log for \logarithm.
Avatar utente
Foto UtenteDirtyDeeds
55,9k 7 11 13
G.Master EY
G.Master EY
 
Messaggi: 7012
Iscritto il: 13 apr 2010, 16:13
Località: Somewhere in nowhere

0
voti

[5] Re: Esercizio Amp Operazionale

Messaggioda Foto UtenteArianna88 » 4 lug 2011, 23:46

Sìsì li sto facendo, appena finisco li posto grazie mille!
No in realtà le resistenze sono in kohm e la capacità in nF ma l'esercizio è puramente teorico quindi ho pensato di tralasciarli, non volevo shockare nessuno ;-)
Avatar utente
Foto UtenteArianna88
20 2
 
Messaggi: 13
Iscritto il: 4 lug 2011, 11:34

0
voti

[6] Re: Esercizio Amp Operazionale

Messaggioda Foto UtenteRenzoDF » 5 lug 2011, 0:04

Arianna88 ha scritto:hihihi grazie per i complimenti e sì...effettivamente li ho invertiti :oops:


Complimenti per lo schema anche da parte mia =D>

Sai che si puo' usare S per "specchiare" un componente orizzontalmente, vero? ... altrimenti con R lo giri all'infinito :mrgreen:
"Il circuito ha sempre ragione" (Luigi Malesani)
Avatar utente
Foto UtenteRenzoDF
55,9k 8 12 13
G.Master EY
G.Master EY
 
Messaggi: 13189
Iscritto il: 4 ott 2008, 9:55

1
voti

[7] Re: Esercizio Amp Operazionale

Messaggioda Foto UtenteIsidoroKZ » 5 lug 2011, 0:04

DirtyDeeds ha scritto:v_\text{out}(t) = v_\text{out}(\infty) + [v_\text{out}(1-)-v_\text{out}(\infty)]\text{e}^{-t/\tau}

In questo caso e` lo stesso, ma io scriverei v_\text{out}(t) = v_\text{out}(\infty) + [v_\text{out}(1+)-v_\text{out}(\infty)]\text{e}^{-t/\tau}, se nella rete ci fossero anche degli zeri.
Oh no? Sono ancora un po' fuori fase.
Per usare proficuamente un simulatore, bisogna sapere molta più elettronica di lui
Plug it in - it works better!
Il 555 sta all'elettronica come Arduino all'informatica! (entrambi loro malgrado)
Se volete risposte rispondete a tutte le mie domande
Avatar utente
Foto UtenteIsidoroKZ
121,2k 1 3 8
G.Master EY
G.Master EY
 
Messaggi: 21059
Iscritto il: 17 ott 2009, 0:00

0
voti

[8] Re: Esercizio Amp Operazionale

Messaggioda Foto UtenteDirtyDeeds » 5 lug 2011, 0:19

Uh, già, giusto! Mi sembrava ci fosse qualcosa di strano nell'equazione che avevo scritto :-)
It's a sin to write sin instead of \sin (Anonimo).
...'cos you know that cos ain't \cos, right?
You won't get a sexy tan if you write tan in lieu of \tan.
Take a log for a fireplace, but don't take log for \logarithm.
Avatar utente
Foto UtenteDirtyDeeds
55,9k 7 11 13
G.Master EY
G.Master EY
 
Messaggi: 7012
Iscritto il: 13 apr 2010, 16:13
Località: Somewhere in nowhere

0
voti

[9] Re: Esercizio Amp Operazionale

Messaggioda Foto UtenteArianna88 » 5 lug 2011, 0:57

Ok ci provo,
t<1

Vout=Vin(1+R3/(R2+R1))= 6V come detto considerando Vin nulla

1<=t<5

Vout(1+)=6V come trovato al punto precedente
Vout(\infty)=-(R3/(R1+R2)*Vin)=-12 Condensatore come circuito aperto e Vin=6 in entrata
Vout=-12+[6+12] e^{-t/\tau}=-12+18e^{-t/\tau}

t>=5

Vout(5+)=-12+18e^{-t/\tau}|t=5 calcolato per t=5?
Vout(\infty)=6V in base al calcolo iniziale una volta posta nuovamente Vin=0
Vout=6+[Vout(5+)-6] e^{-t/\tau}

Piccola domanda, per il calcolo di \tau ho \tau=C*(R1//R2)?
Spero di non aver scritto troppe cavolate :?

RenzoDF ha scritto:Sai che si puo' usare S per "specchiare" un componente orizzontalmente, vero? ... altrimenti con R lo giri all'infinito :mrgreen:

Sisi ho visto ma non mi ero proprio accorta che erano invertiti XD
Invece c'è un modo per postare grafici?
Avatar utente
Foto UtenteArianna88
20 2
 
Messaggi: 13
Iscritto il: 4 lug 2011, 11:34

0
voti

[10] Re: Esercizio Amp Operazionale

Messaggioda Foto Utenteoromoiluig » 5 lug 2011, 4:09

direi che hai sbagliato il primo passaggio
Arianna88 ha scritto:Vout=Vin(1+R3/(R2+R1))= 6V come detto considerando Vin nulla


dovrebbe essereo 0V, se Vin==0

:D
Avatar utente
Foto Utenteoromoiluig
25 1 2 6
Frequentatore
Frequentatore
 
Messaggi: 280
Iscritto il: 17 ott 2009, 16:35

Prossimo

Torna a Elettronica generale

Chi c’è in linea

Visitano il forum: Nessuno e 134 ospiti