Salve a tutti.
Qualcuno potrebbe spiegarmi il funzionamento dei generatori pilotati o controllati che dir si voglia. I generatori in questione sono:
1) Generatore di tensione controllato in tensione;
2) Generatore di tensione controllato in corrente;
3) Generatore di corrente controllato in tensione;
4) Generatore di corrente controllato in corrente.
Generatori pilotati (o controllati)
Moderatori:
g.schgor,
IsidoroKZ
11 messaggi
• Pagina 1 di 2 • 1, 2
0
voti
0
voti
Beh, non è poi così difficile; si tratta di generatori che erogano in uscita una tensione/corrente dipendente proporzionalmente da una tensione/corrente nota presente nel circuito.
1) Vgeneratore = k(adimensionale) * Vriferimento
2) Vgeneratore = k(resistiva) * Iriferimento
3) Igeneratore = k(conduttiva) * Vriferimento
4) Igeneratore = k(adimensionale) * Iriferimento
1) Vgeneratore = k(adimensionale) * Vriferimento
2) Vgeneratore = k(resistiva) * Iriferimento
3) Igeneratore = k(conduttiva) * Vriferimento
4) Igeneratore = k(adimensionale) * Iriferimento
0
voti
Ma per i generatori pilotati valgono le stesse regole dei generatori indipendenti? Ad esempio se ho un generatore di corrente controllato in corrente, la resistenza in parallelo è ininfluente o va considerata?
0
voti
Ovviamente la corrente erogata da un generatore di corrente fluirà (anche) in un'eventuale resistenza parallelo, qualunque sia la tipologia di generatore di corrente.
0
voti
vorrei postarti un circuito con un generatore controllato che non riesco a risolvere ma non so se qui si può fare
0
voti
Certo che si può... anzi... per chiarirti i dubbi sarebbe meglio.
Meglio se riscrivi il circuito con fidocad, strumento ufficiale del forum:
http://www.electroyou.it/darwinne/wiki/fidocadj
Meglio se riscrivi il circuito con fidocad, strumento ufficiale del forum:
http://www.electroyou.it/darwinne/wiki/fidocadj
0
voti
ok l'ho disegnato. Per caricarlo qua come si fa? Scusa ma sono nuovo
0
voti
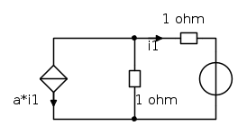
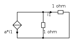
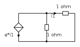
Ti posto un'immagine dell'esercizio. Il testo chiede di calcolare la tensione Vo. Se non erro il generatore pilotato di questo circuito è un generatore di corrente controllato in corrente. Non riesco a capire come mai ha eliminato la resistenza in serie al generatore controllato e non capisco il procedimento che ha utilizzato per il calcolo della Vo.
0
voti
Azureus ha scritto:Ti posto un'immagine dell'esercizio.[..]
Per evitare che chi ti risponde debba a sua volta rifare uno schema, per non rovinare l'estetica del sito con brutte immagini, per seguire le indicazioni che ti vengono date da chi può ed ha intenzione di aiutarti, devi imparare a disegnare e postare gli schemi con FidocadJ e scrivere le formule con LaTeX. Il tutto è spiegato negli articoli di Help che sono stati scritti appositamente perché gli utenti li leggano per capire come partecipare al sito ed al forum.
0
voti
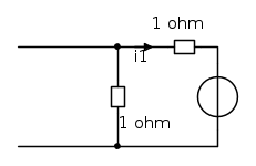
Se ho interpretato bene, lo schema è questo:
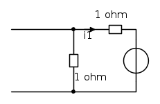
Ora, se spegni il generatore di corrente (lo sostituisci con un circuito aperto) ottieni il seguente schema:
Da cui si ha la partizione del generatore di tensione da 2V su due resistori in serie. Quindi il contributo del generatore di tensione è 2V / 2 .
Ora, se spegni il generatore di tensione (lo sostituisci con un corto circuito) ottieni il seguente schema:
Da cui si ha la partizione del generatore di corrente -a*i1 su due resistori in parallelo. Quindi il contributo del generatore di corrente è -a*i1 / 2 .
La sovrapposizione degli effetti porta quindi alla formula:
Vo = (2V / 2 ) + (-a * i1 / 2)
Poi i1 si può esprimere come differenza di tensioni nella maglia rispetto al resistore:
i1 = [ Vo - 2V ] / 1ohm
Sostituisci questa nella precedente e, con due passaggi, hai concluso.
Ora, se spegni il generatore di corrente (lo sostituisci con un circuito aperto) ottieni il seguente schema:
Da cui si ha la partizione del generatore di tensione da 2V su due resistori in serie. Quindi il contributo del generatore di tensione è 2V / 2 .
Ora, se spegni il generatore di tensione (lo sostituisci con un corto circuito) ottieni il seguente schema:
Da cui si ha la partizione del generatore di corrente -a*i1 su due resistori in parallelo. Quindi il contributo del generatore di corrente è -a*i1 / 2 .
La sovrapposizione degli effetti porta quindi alla formula:
Vo = (2V / 2 ) + (-a * i1 / 2)
Poi i1 si può esprimere come differenza di tensioni nella maglia rispetto al resistore:
i1 = [ Vo - 2V ] / 1ohm
Sostituisci questa nella precedente e, con due passaggi, hai concluso.
11 messaggi
• Pagina 1 di 2 • 1, 2
Torna a Elettrotecnica generale
Chi c’è in linea
Visitano il forum: Nessuno e 14 ospiti

Elettrotecnica e non solo (admin)
Un gatto tra gli elettroni (IsidoroKZ)
Esperienza e simulazioni (g.schgor)
Moleskine di un idraulico (RenzoDF)
Il Blog di ElectroYou (webmaster)
Idee microcontrollate (TardoFreak)
PICcoli grandi PICMicro (Paolino)
Il blog elettrico di carloc (carloc)
DirtEYblooog (dirtydeeds)
Di tutto... un po' (jordan20)
AK47 (lillo)
Esperienze elettroniche (marco438)
Telecomunicazioni musicali (clavicordo)
Automazione ed Elettronica (gustavo)
Direttive per la sicurezza (ErnestoCappelletti)
EYnfo dall'Alaska (mir)
Apriamo il quadro! (attilio)
H7-25 (asdf)
Passione Elettrica (massimob)
Elettroni a spasso (guidob)
Bloguerra (guerra)






