AnnamariaCircuiti ha scritto: però queste cose non rientrano nel nostro programma d'esame.
Quali "cose" e in che senso non rientrano nel programma?
Moderatori:
g.schgor,
IsidoroKZ
AnnamariaCircuiti ha scritto: però queste cose non rientrano nel nostro programma d'esame.


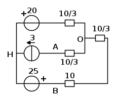
AnnamariaCircuiti ha scritto:E' normale che abbiamo fatto la legge di Ohm e i circuiti equivalenti di Thevenin e Norton ed infatti l'esercizio riguarda proprio l'applicazione di Thevenin. Ma ho difficoltà nel risolverlo..potresti aiutarmi?
?però queste cose non rientrano nel nostro programma d'esame.


AnnamariaCircuiti ha scritto: Attendo una tua soluzione all'esercizio!









AnnamariaCircuiti ha scritto:... per calcolare Eo ho provato anche a fare la trasformazione stella-triangolo alle resistenze R1,R3,R4 ma non mi sembra di aver risolto il problema.
AnnamariaCircuiti ha scritto:Non riesco a semplificare le resistenze
Scusate ma tra 10 giorni ho l'esame...potete aiutarmi?


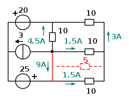
AnnamariaCircuiti ha scritto:Ti chiedo scusa,hai ragione! Io ho rifatto l'esercizio in modo ordinato e i link sottostante lo contengono. Ti prego di dargli un'occhiata e cercare di farmi capire dove ho sbagliato. Ti ringrazio !
Torna a Elettrotecnica generale
Visitano il forum: Nessuno e 9 ospiti