Buonasera a tutti!
Fra un paio di settimane dovrò sostenere l'esame di misure elettriche, e una parte riguarda gli amplificatori e le varie misurazioni di parametri.
Ho più o meno tutto chiaro, tranne quando mi viene chiesto di trovare gli effetti all'uscita di un circuito composto da amplificatori dovuti alle correnti di bias (per esempio mi viene dato Ib- = Ib+ = ±2 nA) e dovuti alle tensioni di offset (per esempio mi viene dato Vi0 = ±5 μV ).
Come devo procedere?ci sarà una metodologia vero?perché ho cercato un po su internet ma non ho trovato moltissimo, e in più il prof non ha approfondito molto questo argomento..
Inoltre, dopo aver trovato la funzione di trasferimento di un circuito, come faccio a trovare il modulo e la fase?
Grazie in anticipo a tutti
Correnti di bias e tensioni di offset
Moderatori:
carloc,
g.schgor,
BrunoValente,
IsidoroKZ
14 messaggi
• Pagina 1 di 2 • 1, 2
0
voti
0
voti
Forse lo so, ma aspettavo uno schema fidocad di circuito con operazionale per poterci lavorare su e mostrarti gli effetti degli offset. Altrimenti solo a parole serve a poco.
In fondo a ottobre dell'anno scorso avevi detto che avresti poi usato il programmino (fidocad).
In fondo a ottobre dell'anno scorso avevi detto che avresti poi usato il programmino (fidocad).
Per usare proficuamente un simulatore, bisogna sapere molta più elettronica di lui
Plug it in - it works better!
Il 555 sta all'elettronica come Arduino all'informatica! (entrambi loro malgrado)
Se volete risposte rispondete a tutte le mie domande
Plug it in - it works better!
Il 555 sta all'elettronica come Arduino all'informatica! (entrambi loro malgrado)
Se volete risposte rispondete a tutte le mie domande
0
voti
Non l'ho messo giù in fidocad perché ho visto che nelle soluzioni dei temi non vengono fatti disegni o semplificazioni, ma scritte solo formule
Ora comunque lo preparo e lo posto :)
Ora comunque lo preparo e lo posto :)
0
voti
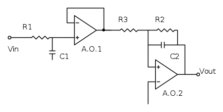
Ecco il grafico, purtroppo non son riuscito a mettere l'operazionale due con i morsetti nel modo giusto!
1
voti
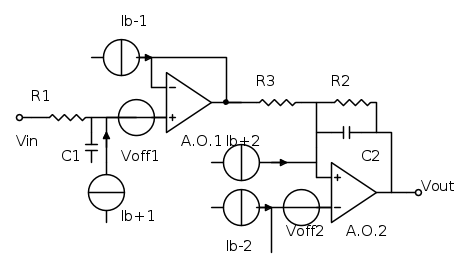
Per ogni operazionale devi mettere tre generatori, due di corrente e uno di tensione, come in questo schema:
Poi usando la sovrapposizione degli effetti cerchi la combinazione dei segni delle tensioni di offset e delle correnti che massimizzano l'effetto sull'uscita.
Se quando hai detto che avresti imparato a usare fidocadj l'avessi fatto, adesso sapresti anche specchiare i componenti (tasto S), mettere i collegamenti al potenziale di riferimento...
Poi usando la sovrapposizione degli effetti cerchi la combinazione dei segni delle tensioni di offset e delle correnti che massimizzano l'effetto sull'uscita.
Se quando hai detto che avresti imparato a usare fidocadj l'avessi fatto, adesso sapresti anche specchiare i componenti (tasto S), mettere i collegamenti al potenziale di riferimento...
Per usare proficuamente un simulatore, bisogna sapere molta più elettronica di lui
Plug it in - it works better!
Il 555 sta all'elettronica come Arduino all'informatica! (entrambi loro malgrado)
Se volete risposte rispondete a tutte le mie domande
Plug it in - it works better!
Il 555 sta all'elettronica come Arduino all'informatica! (entrambi loro malgrado)
Se volete risposte rispondete a tutte le mie domande
0
voti
E questo procedimento va fatto in qualsiasi caso mi venga chiesto si calcolare gli effetti delle correnti di bias e tensioni di offset, giusto?
Quindi dopo aver inserito i generatori devo calcolare le tensioni all'uscita degli operazionali con questa nuova configurazione?
Ma come le posso calcolare?
Considerando che fidocadj non mi è più tornato utile, come primo circuito non mi sembra di aver fatto tanti disastri!
E ora che mi ha detto come specchiare, specchierò :)
Grazie
Quindi dopo aver inserito i generatori devo calcolare le tensioni all'uscita degli operazionali con questa nuova configurazione?
Ma come le posso calcolare?
Considerando che fidocadj non mi è più tornato utile, come primo circuito non mi sembra di aver fatto tanti disastri!
E ora che mi ha detto come specchiare, specchierò :)
Grazie
0
voti
Si` quello e` il procedimento base.
Per il calcolo ricorda che sei in continua, quindi e` semplice (tranne nel caso di integratori puri), e molte sono configurazioni di base quindi si sa subito come scrivere la tensione di uscita.
Se invece e` una configurazione non "standard" basta ricordare che la tensione dell'ingresso invertente insegue quella dell'ingresso non invertente, e negli ingressi non entra corrente.
Per il calcolo ricorda che sei in continua, quindi e` semplice (tranne nel caso di integratori puri), e molte sono configurazioni di base quindi si sa subito come scrivere la tensione di uscita.
Se invece e` una configurazione non "standard" basta ricordare che la tensione dell'ingresso invertente insegue quella dell'ingresso non invertente, e negli ingressi non entra corrente.
Per usare proficuamente un simulatore, bisogna sapere molta più elettronica di lui
Plug it in - it works better!
Il 555 sta all'elettronica come Arduino all'informatica! (entrambi loro malgrado)
Se volete risposte rispondete a tutte le mie domande
Plug it in - it works better!
Il 555 sta all'elettronica come Arduino all'informatica! (entrambi loro malgrado)
Se volete risposte rispondete a tutte le mie domande
0
voti
Ok, quindi io prendendo casò per caso farei:
Vouta.o.1(Ib+) = (Ib+) R1
Vouta.o.1(Voff) = Voff
poiché il primo operazionale è un buffer..
Però le soluzioni danno tutt'altre formule..e il fatto che non abbia ancora dato l'esame di elettronica non mi aiuta di certo
Vouta.o.1(Ib+) = (Ib+) R1
Vouta.o.1(Voff) = Voff
poiché il primo operazionale è un buffer..
Però le soluzioni danno tutt'altre formule..e il fatto che non abbia ancora dato l'esame di elettronica non mi aiuta di certo
14 messaggi
• Pagina 1 di 2 • 1, 2
Chi c’è in linea
Visitano il forum: Nessuno e 262 ospiti

Elettrotecnica e non solo (admin)
Un gatto tra gli elettroni (IsidoroKZ)
Esperienza e simulazioni (g.schgor)
Moleskine di un idraulico (RenzoDF)
Il Blog di ElectroYou (webmaster)
Idee microcontrollate (TardoFreak)
PICcoli grandi PICMicro (Paolino)
Il blog elettrico di carloc (carloc)
DirtEYblooog (dirtydeeds)
Di tutto... un po' (jordan20)
AK47 (lillo)
Esperienze elettroniche (marco438)
Telecomunicazioni musicali (clavicordo)
Automazione ed Elettronica (gustavo)
Direttive per la sicurezza (ErnestoCappelletti)
EYnfo dall'Alaska (mir)
Apriamo il quadro! (attilio)
H7-25 (asdf)
Passione Elettrica (massimob)
Elettroni a spasso (guidob)
Bloguerra (guerra)





